0
  • 聊天消息
  • 系统消息
  • 评论与回复
登录后你可以
  • 下载海量资料
  • 学习在线课程
  • 观看技术视频
  • 写文章/发帖/加入社区
会员中心
创作中心

完善资料让更多小伙伴认识你,还能领取20积分哦,立即完善>

3天内不再提示

CSD95492QVM 采用 4x5 SON 小型封装的 20A 同步降压 NexFET 智能功率级

数据:

描述

CSD95492QVM NexFET™功率级是经过高度优化的设计,用于高功率,高功率密度场合的同步降压转换器。这款产品集成了解驱动器IC和功率MOSFET来完善功率级开关功能。该组合可在4mm×5mm外形尺寸封装中提供高电流,高效率以及高速切换功能。它还集成了准确电流检测和温度感测功能,以简化系统设计并提高准确度。此外,PCB封装已经过优化,可帮助减少设计时间并简化总体系统设计。


特性

  • 20A持续工作电流
  • 12A电流下系统效率超过94%
  • 工作频率高(高达1.25MHz)
  • 二极管仿真功能
  • 温度补偿双向电流检测
  • 模拟温度输出
  • 故障监控
  • 3.3V和5V脉宽调制(PWM)信号兼容
  • 三态PWM输入
  • 集成自举开关
  • 用于击穿保护的经优化死区时间
  • 高密度4mm×5mm VSON封装
  • 超低电感封装
  • 系统已优化的PCB封装
  • 符合RoHS环保标准 - 无铅引脚镀层
  • 无卤素

所有商标均为其各自所有者的财产。

参数 与其它产品相比 功率 MOSFET 模块

 
VDS (V)
Power Loss (W)
Ploss Current (A)
ID, Continuous Drain Current at Ta=25degC (A)
Configuration
Package (mm)
Operating Temperature Range (C)
Pin/Package
CSD95492QVM
20    
0.89    
12    
20    
PowerStage    
SON4x5 PowerStage    
-55 to 150    
18VSON-CLIP    

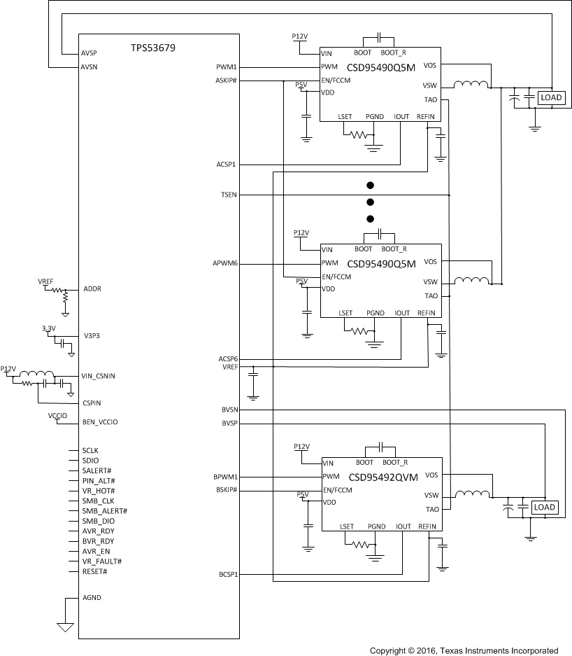
方框图 (1)

技术文档

数据手册(1)
元器件购买 CSD95492QVM 相关库存