SCH1600 PCB 设计解析:助力快速原型开发
在电子设计领域,快速原型开发是产品迭代和创新的关键环节。今天,我们就来深入了解一下 Murata 的 SCH1600 Chip Carrier PCB,它在快速原型开发中扮演着重要角色。
文件下载:Murata Electronics SCH16T-K01-PCB传感器板.pdf
一、SCH1600 Chip Carrier PCB 概述
SCH1600 Chip Carrier PCB 的主要目的是实现快速原型开发。它由一块焊接了 SCH1600 传感器的 PCB 组成,PCB 设计编号为 #MFI01398,同时配备了针脚插头和无源元件。在使用这块 PCB 时,大家一定要参考 SCH1600 数据手册,这样才能确保正确使用。
二、SCH1600 PCB 的物料清单(BOM)
| Item | Qty | Ref | Part Name /type | Value |
|---|---|---|---|---|
| 1 | 2C4 - 5 | Capacitor 0402 X7R - 55C... + 125C | 100nF | |
| 2 | 2C1, C3 | Capacitor 0603 X7R - 55C... + 125C | 1 uF | |
| 3 | C2 | Capacitor 0805 X7R - 55C... + 125C | 10uF | |
| 4 | 1 | U1 | SCH1600 Sensor | |
| 5 | 1 | J1 | 8 - pin through hole pin header, pitch 100 mils, pin size 0.63x0.63mm, length ~5.85mm (example mating part: Samtec: SSQ - 108 - 01 - S - S) | |
| 6 | J2 | 7 - pin through hole pin header, pitch 100 mils, pin size 0.63x0.63mm, length ~5.85mm (example mating part: Samtec: SSQ - 107 - 01 - S - S) | ||
| 7 | 1 | J3 | 3 - pin through hole pin header, pitch 100 mils. pin size 0.63x0.63mm, length - 5.85mm (example mating part: Samtec: SSQ - 103 - 01 - S - S) |
从这个物料清单中我们可以看出,电容的选择根据不同的封装和容值进行搭配,以满足电路的需求。而针脚插头的规格也有明确的定义,这对于后续的连接和调试非常重要。大家在实际设计中,是否也会如此细致地选择元件呢?
三、SCH1600 PCB 的尺寸与布局
(一)机械尺寸
这块 PCB 的宽度为 42.9 mm,高度为 27.4 mm,如果算上元件和针脚插头,高度则为 13.8 mm。合理的尺寸设计有助于将其集成到不同的系统中。
(二)布局与图纸
文档中还展示了 SCH1600 PCB 的详细布局和图纸,包括 TOP 和 BOTTOM 的布局图、装配图以及电路图。
图 2 展示了 SCH1600 PCB 的 TOP 和 BOTTOM 布局(纵横比非 1:1)。
图 3 是 SCH1600 PCB 的 TOP 和 BOTTOM 视图装配图(纵横比非 1:1)。
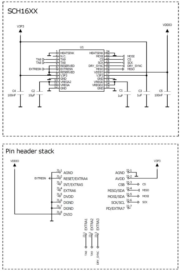
图 4 为 SCH1600 PCB 的电路图。
这些图纸对于我们理解 PCB 的设计原理和进行后续的开发工作非常有帮助。在实际的设计过程中,大家是否也会像这样通过详细的图纸来确保设计的准确性呢?
总的来说,SCH1600 Chip Carrier PCB 为电子工程师提供了一个很好的快速原型开发平台。通过对其物料清单、尺寸和布局的了解,我们可以更好地利用这块 PCB 进行产品开发。希望今天的分享能对大家在电子设计方面有所启发,如果你在设计过程中有任何疑问或者经验,欢迎在评论区留言交流。
-
电子设计
+关注
关注
42文章
872浏览量
49742
发布评论请先 登录
Adafruit 电缆组件 — 原型开发优选线束解析
淘宝商品详情API接口技术解析与实战应用
首搭RT-Thread程翧车控平台| RT-Thread程翧 S32K344 快速原型开发平台正式上市!| 产品动态
创龙 瑞芯微 RK3588 国产2.4GHz八核 工业开发板—ISP图像处理开发案例
PCB抄板全流程解析:从拆解到测试,技术要点全揭秘!
东软睿驰联合推出基于AURIX TC4x的NeuSAR快速开发套件
RX140 MCU的快速原型板 数据手册和设计资料
安森美PRISM生态系统助力相机开发
使用Analog Devices开发套件进行免编码/少编码硬件原型开发

SCH1600 PCB 设计解析:助力快速原型开发
评论