安森美NXH400N100L4Q2F2系列功率模块:高效与可靠的完美结合
在电子工程师的日常工作中,功率模块的选择至关重要,它直接关系到整个系统的性能和可靠性。今天,我们来深入了解一下安森美(onsemi)的NXH400N100L4Q2F2SG和NXH400N100L4Q2F2PG这两款功率模块。
文件下载:onsemi NXH400N100L4Q2F2 igbt模块.pdf
模块概述
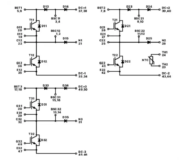
NXH400N100L4Q2是一款集成了I型中性点钳位三电平逆变器的功率模块。其内部集成了场截止沟槽绝缘栅双极晶体管(IGBT)和快恢复二极管(FRD),这些先进的器件能够有效降低导通损耗和开关损耗,为工程师们实现高效、可靠的设计提供了有力支持。
原理图

产品特性亮点
先进的拓扑结构
中性点钳位三电平逆变器模块设计,使得模块在处理功率转换时更加高效。这种拓扑结构能够减少谐波含量,提高电能质量,在对电能质量要求较高的应用场景中表现出色。
高效的沟槽场截止技术
采用极端高效的沟槽场截止技术,进一步降低了IGBT的导通和开关损耗。这不仅提高了模块的效率,还减少了发热,延长了模块的使用寿命。
低电感布局和低封装高度
低电感布局能够减少电磁干扰(EMI),提高系统的稳定性。同时,低封装高度的设计使得模块在空间受限的应用中更容易安装和布局。
内置热敏电阻
模块内置热敏电阻,方便工程师实时监测模块的温度,实现过温保护,提高系统的可靠性。
典型应用场景
太阳能逆变器
在太阳能发电系统中,需要将太阳能电池板产生的直流电转换为交流电并入电网。NXH400N100L4Q2系列模块的高效性能能够提高太阳能逆变器的转换效率,从而提高整个太阳能发电系统的发电效率。
储能系统
储能系统用于储存电能,在需要时释放电能。该模块的高可靠性和低损耗特性,能够确保储能系统在充放电过程中的高效运行。
不间断电源(UPS)系统
UPS系统在市电中断时能够为负载提供不间断的电力供应。NXH400N100L4Q2系列模块的快速响应和高效性能,能够保证UPS系统在切换过程中稳定可靠地工作。
电气特性详解
绝对最大额定值
在使用模块时,必须严格遵守其绝对最大额定值,否则可能会损坏模块。以IGBT为例,其集电极 - 发射极电压(VCES)最大为1000V,连续集电极电流(Ic)在Tc = 80°C时为360A,脉冲峰值集电极电流(Ic(Pulse))在Tc = 80°C(TJ = 175°C)时可达1080A。这些参数为工程师在设计电路时提供了重要的参考依据。
电气特性参数
不同IGBT和二极管在不同测试条件下具有不同的电气特性。例如,外部IGBT(T1, T4)的集电极 - 发射极饱和电压(VCE(at))在VGE = 15V,Ic = 400A,TJ = 25°C时典型值为1.65V,在TJ = 150°C时典型值为2.1V。这些参数的变化反映了温度对模块性能的影响,工程师在设计时需要充分考虑这些因素。
典型特性曲线分析
文档中提供了大量的典型特性曲线,如IGBT的输出特性曲线、转移特性曲线,以及二极管的反向恢复特性曲线等。这些曲线直观地展示了模块在不同工作条件下的性能表现。例如,通过典型的开通损耗与集电极电流(IC)的关系曲线,工程师可以选择合适的工作电流,以降低开通损耗,提高系统效率。
机械尺寸和封装信息
模块提供了两种封装形式:Q2PACK PRESS FIT PINS(压配引脚)和Q2PACK SOLDER PINS(焊接引脚),封装尺寸为PIM48, 93x47。文档详细给出了模块的机械尺寸和引脚位置信息,工程师在进行PCB设计时需要严格按照这些尺寸进行布局,以确保模块的正确安装和连接。
总结
安森美NXH400N100L4Q2F2系列功率模块凭借其先进的技术、高效的性能和可靠的品质,在太阳能逆变器、储能系统和不间断电源等领域具有广阔的应用前景。作为电子工程师,在选择功率模块时,需要综合考虑模块的电气特性、机械尺寸、应用场景等因素,以确保设计出的系统能够满足性能和可靠性要求。在实际应用中,你是否遇到过功率模块选型不当导致的问题呢?欢迎在评论区分享你的经验和见解。
-
逆变器
+关注
关注
300文章
5084浏览量
214615 -
功率模块
+关注
关注
11文章
604浏览量
46623 -
三电平
+关注
关注
2文章
85浏览量
15913
发布评论请先 登录
ON安森美高功率应用TO247封装IGBT单管
安森美半导体在APEC 2021发布工业电机驱动的集成方案 精选资料推荐
安森美新增100V N沟道MOSFET系列:NTP641x/
NXH160T120L2Q1 功率集成模块(PIM) IGBT 1200 V 160 A和650 V 100 A
NXH160T120L2Q2F2SG 功率集成模块(PIM) IGBT 1200 V 160 A和600 V 100 A
NXH450N65L4Q2 功率集成模块(PIM) I型NPC 650 V 450 A IGBT 650 V 375 A二极管
NXH160T120L2Q2F2S1 功率集成模块(PIM) IGBT 1200 V 160 A和650 V 100 A
Onsemi安森美太阳能IGBT解决方案产品目录
基于NXH600N65L4Q2F2 IGBT三电平NPC逆变器模块的技术解析
探索 NXH80T120L2Q0S2G/S2TG, NXH80T120L2Q0P2G 功率模块的卓越性能
onsemi三电平ANPC Q2Pack模块:NXH800A100L4Q2F2S1G/P1G与NXH800A100L4Q2F2S2G/P2G的详细解析
探索onsemi NXH600B100H4Q2F2SG:Si/SiC混合模块的卓越性能与应用潜力
探索 onsemi NXH600B100H4Q2F2S1G:Si/SiC 混合模块的卓越性能
onsemi NXH400N100L4Q2F2SG和NXH400N100L4Q2F2PG功率模块深度解析
深入解析 onsemi NXH600B100H4Q2F2S1G Si/SiC 混合模块

安森美NXH400N100L4Q2F2系列功率模块:高效与可靠的完美结合
评论