在发达国家,效率推动着创新。在追求提高效率的过程中,一个正在发生重大变化的领域是照明。固态照明主要以基于半导体的 LED 形式(尽管有机 LED 和聚合物 LED 正在不断涌现),继续取代传统和更节能的照明形式,如白炽灯、紧凑型荧光灯和气体放电灯。
虽然 LED 照明提供了固有的节能效果,但它可能会以设计复杂性为代价。驱动 LED 灯所需的控制电路充其量只是一种 AC-DC 转换器,但通常会包括某种程度的智能控制。虽然这种增加的复杂性可能会增加成本,但经过精心设计后,可以产生一种以适当价格提供巨大价值的 LED 照明解决方案。
LED 照明的最终应用几乎是无限的,从低水平消费照明到高棚工业、厨柜,再到街道照明。包括智能调光、连接性和远程管理等特性的前景使得向 LED 照明的转变成为一种非常有说服力的观点,持续赢得决策者的支持。
开发一套完整的 LED 照明解决方案涉及对多个功能的集成,其中包括带功率因数校正 (PFC) 的 AC 整流、DC-DC 转换和 LED 控制。如果将连接性添加到此范围内,以提供更具前瞻性的解决方案,那么设计挑战将会进一步增加。
虽然 LED 本质上比其他形式的照明更高效,但为了保持这一优势,解决方案的每个阶段都必须提供最佳效率。这与开发传统照明解决方案有很大不同,但却是必要的。另一个影响 LED 照明的重要趋势是向数字控制电源转换的转变。通过在整体拓扑中包含数字电源,可以实现更高效、更灵活的解决方案。如果在设计过程中采用全数字化方法,那么可以将大量功能集成到较少数量的器件中。微控制器非常适合提供这种级别的功能和灵活性。
虽然 AC 转换是解决方案的主要部分,但从单个 DC 电源运行多个独立的 LED 照明电路是完全可行的,只需使用一个 AC 转换级即可优化整体设计。在这种情况下,需要单独考虑解决方案的其余部分,通过增值特性为成本优化创造更多的可能性。
为照明装置添加控制和连接性是一项重大的发展,因为它能将照明系统集成到建筑管理系统 (BMS) 中,或作为智能家居的一部分。LED 照明的一个优势是其稳健性:灯光可以变暗,也可以更频繁地打开/关闭,而不会影响其使用寿命或产生浪涌电流。LED 灯还提供了更大的位置灵活性,从而实现更多的分布式安装和更广泛的工作条件。所有这些特性都增加了 LED 照明的吸引力,但需要更高的控制水平。
为了解决这一设计挑战,参考设计正在不断涌现。Texas Instruments开发的 DC-DC LED 驱动器子系统参考设计虽然不能作为组装好的 PCB 购买,但已经过全面的测试,并提供了所有说明文档(BOM、原理图、PCB Gerber)。图 1 显示了该参考设计的框图。
图 1: TIDA-01096 参考设计框图。
TIDA-01096是 TI 的高能效、可调白光 LED DC-DC 驱动器,带有智能蓝牙连接参考设计,为工程师提供了一个用于开发智能照明解决方案的完整硬件和软件平台。
通过在一个灯具中结合使用暖白光和冷白光 LED 灯串,可以模拟住宅和零售环境中室内照明的日光条件。TIDA-01096 专用于这一应用领域,并使用若干高级元器件在广泛的工作条件下实现 98% 的效率。
该参考设计旨在用作一个互联 LED 驱动器,其中一个主要差异化特性是其连接性,它采用智能蓝牙的形式。此功能完全集成到设计所选的 MCU 中,由 TI 另外开发的软件资源提供支持。该功能连同设计中的其他主要元器件提供了一系列“智能”特性,如调光、色温调节和日光收集。由于该设计旨在控制 LED 灯串以模拟日光,因此也可以用于创造经证明具有健康保健优势的昼夜节律。
对于 LED 产生不同级别输出的功能,其使用需要一个集成式解决方案。其中一种产品是具有集成模拟电流调节的TPS92513/HV1.5 A 降压型 LED 驱动器 — 参考设计中的主要元器件之一。当与 SimpleLinkCC2650多标准 MCU 结合使用时,它可为开发从稳压 DC 电源运行的智能 LED 照明系统提供完美的平台。在设计中加入其他元器件后就形成了完整的原理图,如下所述。
TPS92513/HV LED 驱动器专为一系列高功率照明应用(包括街灯、应急照明以及工业和零售照明)而开发,但同样适用于小型家电。除了为模拟和 PWM 控制信号提供输入外,它还具有集成的 N 通道高压侧 MOSFET。图 2 显示了如何使用该器件的简化原理图。

图 2: TPS92513/HV LED 驱动器典型应用的简化原理图。
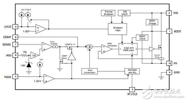
在参考设计中,使用了两个器件来驱动两个 LED 灯串。在此拓扑中,可以通过使用外部振荡器来超控每个器件的内部振荡器,从而实现器件的同步。使用相同的时钟源操作多个器件可避免在不同灯串上的 LED 之间产生不良影响(如频率跳变),还可帮助最大限度地降低设计的整体 EMI。功能框图如图 3 所示。

图 3: TPS92513/HV LED 驱动器的功能框图。
同步是通过对 RT/CLK 引脚(引脚 5)施加一个介于 300 kHz 和 2 MHz 之间的方波来实现的。内部 MOSFET 的源位于引脚 10 上,标记为 PH。它的上升沿与 RT/CLK 信号的下降沿同步。
在参考设计中,可通过三种方式来实现调光:通过改变 IADJ 引脚(引脚 6)上的模拟输入;采用数字方式对 PDIM 引脚(引脚 4)施加 PWM 信号;或两者之组合。所有控制信号都由 SimpleLink CC2650 MCU 产生(见图 4)。
图 4: TI 的 SimpleLink CC2650 无线 MCU 的功能框图。
由于模拟调光更有效,参考设计通过使用低通滤波器传递 PWM 信号来生成模拟信号,然后将其作为 PWM 信号的模拟平均值应用于 IADJ 引脚。该参考设计还支持模拟/PWM 调光控制组合,并支持同时使用模拟和 PWM 方法的无闪烁低 LED 电流调光。
SimpleLink CC2650 无线 MCU 与 LED 驱动器紧密协作,提供了两个关键功能:驱动器的控制信号,以及以无线方式影响这些信号的功能。这样,便可以从智能手机上运行的应用程序中调节光输出或色温,或者允许 BMS 将灯关闭、打开、调亮或调暗 — 可能使用语音指令。
当使用互联系统时,这种可能性仅受限于想象力。由于 SimpleLink CC2650 是一种多标准的无线 MCU,因此可以支持蓝牙、ZigBee 和 6LowPAN。强大且高效的 ARM® Cortex®-M3 内核可以容纳与高层所选协议栈(在使用 CC2650 时,蓝牙和 ZigBee 堆栈由 TI 免费提供)同时运行的用户应用程序。该器件的射频部分还集成了一个用于处理大部分堆栈的 ARM Cortex-M0 内核,以及基带和模拟前端之间的接口。它使用 API 连接到主 CPU,旨在进一步简化设计。
除了 LED 驱动器和无线 MCU 之外,参考设计还包括OPT3001数字环境光传感器,这是一种与人眼的光谱响应高度匹配的光学传感器。在参考设计中包含这种传感器支持以下使用实例:调节光输出以提供适合人类视觉的环境。设计中包含与 LED 散热器连接的LMT84模拟输出温度传感器,可避免热击穿。
图 5 显示了如何使用与SimpleLink CC2650 LaunchPad配对的 TIDA-01096 来配置基于参考设计的 LED 照明解决方案的硬件。该项目的固件是由 TI 作为代码调试器项目开发的,可根据要求提供。
图 5: 使用 TIDA-01096 参考设计的建议硬件配置。
总结
固态照明有可能彻底改变我们对家庭、办公室、工厂、交通枢纽和公共场所的照明方式。与现有的照明技术相比,它提供了显著的成本优势。
半导体制造商对此进行了大量投资,现在有许多产品可以帮助工程师设计优化的解决方案,以最大限度地利用 LED 照明的潜力。为此,以有线或无线通信的形式添加连接功能的做法日益流行。
开发一个包括无线连接的全功能、可调 LED 照明解决方案涉及两个可能难以应对的设计挑战,但随着相关开发平台和参考设计(如本文中所介绍)的出现,现在应对这些挑战比以往更容易。
-
led照明
+关注
关注
34文章
2698浏览量
145783 -
DC-DC
+关注
关注
30文章
2422浏览量
86263 -
PFC
+关注
关注
49文章
1050浏览量
110448
发布评论请先 登录
为什么要区分模拟信号和数字信号?

通过使用低通滤波器传递PWM信号来生成模拟信号
评论