FHA40T65A作为一款场N沟道沟槽栅截止型IGBT单管,采用TO-3PN封装,使用Trench Field stop Ⅱ technology 和通过优化工艺,来获得极低的 VCEsat 饱和压降,并在导通损耗和关断损耗(Eoff)之间做出来良好的权衡。
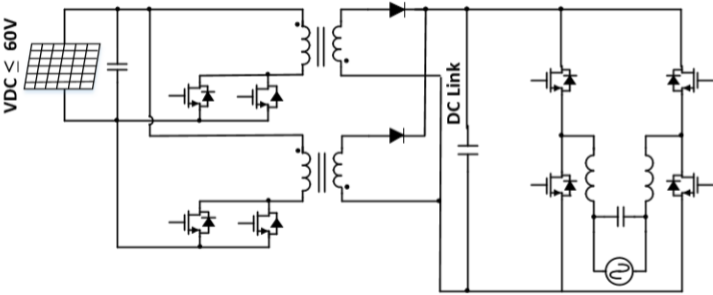
不仅广泛用于高频车载正玄波AC220V逆变器、光伏逆变器等逆变器电路,而且还可用于户外储能电源、UPS、变频器、电焊机和工业缝纫机等各类硬开关。
该IGBT单管不仅能代换仙童FGH40N60SFD型号使用,而且产品具备良好的短路性能,为电机驱动领域处理突发事件提供充足的裕量。

FHA40T65A在上述电路设计中的特点
1、高电压电流适配能力:650V的集电极-发射极电压(VCES)与80A连续集电极电流(IC@Tc=25℃),适用于高频逆变器、UPS、电焊机及中高开关频率变频器等硬开关应用。
2、低饱和压降,高能效表现:VCEsat典型值低至1.51V@IC=40A, Tj=25℃,最大不超过1.85V,有效降低导通损耗,提升系统效率。
3、优良的开关性能:总开关损耗(Ets)典型值为1.7mJ@25℃,结合低栅极电荷(Qg=110nC) 与短拖尾电流,适用于中高频开关拓扑。
4、高可靠性设计:
内置快恢复二极管,反向恢复时间(trr)低至97ns@IF=20A;
具备正温度系数,支持多管并联;
短路耐受时间达3μs,系统鲁棒性强;
符合RoHS标准,工作结温范围-55℃至+175℃。

FHA40T65A核心参数的匹配适用
该器件为沟槽栅场截止型IGBT单管,主要参数如下:
集电极-发射极电压(VCES):650 V
连续集电极电流(IC):40A(Tc=100℃)
饱和压降(VCEsat):1.51 V(Tj=25℃)
总开关损耗(Etotal):1.7 mJ(Tc=25℃)
结到壳热阻(Rth(j-c)):0.5 °C/W
总栅极电荷(Qg):110 nC
封装形式:TO-3PN

FHA40T65A是一款性能全面、封装适用广的IGBT单管,特别适用于高频车载正玄波AC220V逆变器、光伏逆变器、储能电源、UPS、变频器、电焊机和工业缝纫机等各类硬开关。飞虹半导体作为国内功率器件重要供应商,不仅提供各类型IGBT单管、IGBT单管、三极管等标准型号,还支持定制化需求,并已实现与多家厂商的稳定合作。
-
逆变器
+关注
关注
300文章
5084浏览量
214615 -
光伏
+关注
关注
53文章
4296浏览量
74491 -
IGBT
+关注
关注
1286文章
4258浏览量
260377
原文标题:为何逆变器电路设计选择TO-3PN封装?40A电流、650V国产IGBT单管揭秘答案
文章出处:【微信号:广州飞虹半导体,微信公众号:广州飞虹半导体】欢迎添加关注!文章转载请注明出处。
发布评论请先 登录
探索 onsemi FGHL40T120RWD IGBT:高效与可靠的完美融合
飞虹IGBT单管FHA75T65V1DL在变频器的应用
飞虹IGBT单管FHA75T65V1DL在户外储能电源的应用
飞虹IGBT单管FHA75T65V1DL在逆变器中的应用
飞虹IGBT单管FHA75T65V1DL在UPS中的应用
飞虹半导体MOS管在低压工频逆变器中的应用
NGW40T65M3DFP 40A沟槽场停止IGBT与全额定硅二极管规格书

飞虹IGBT单管FHA40T65A在逆变器电路设计中的应用
评论