< 引 言 >
伴随汽车智能化、电动化以及工业自动化进程的加速,复杂的电子系统对电子元器件性能提出了极高要求,涉及精准控制、高效运行、温度保护、电流监测等诸多层面。这一系列需求,为智能功率开关芯片打开了广阔的市场空间。
亚成微作为行业的引领者,凭借在众多客户端的上车应用经验,持续深耕产品研发与技术创新,全新推出的智能低侧开关 RM54050SS现已面向市场供货。
下面是产品的详细介绍:
1. 产品概述
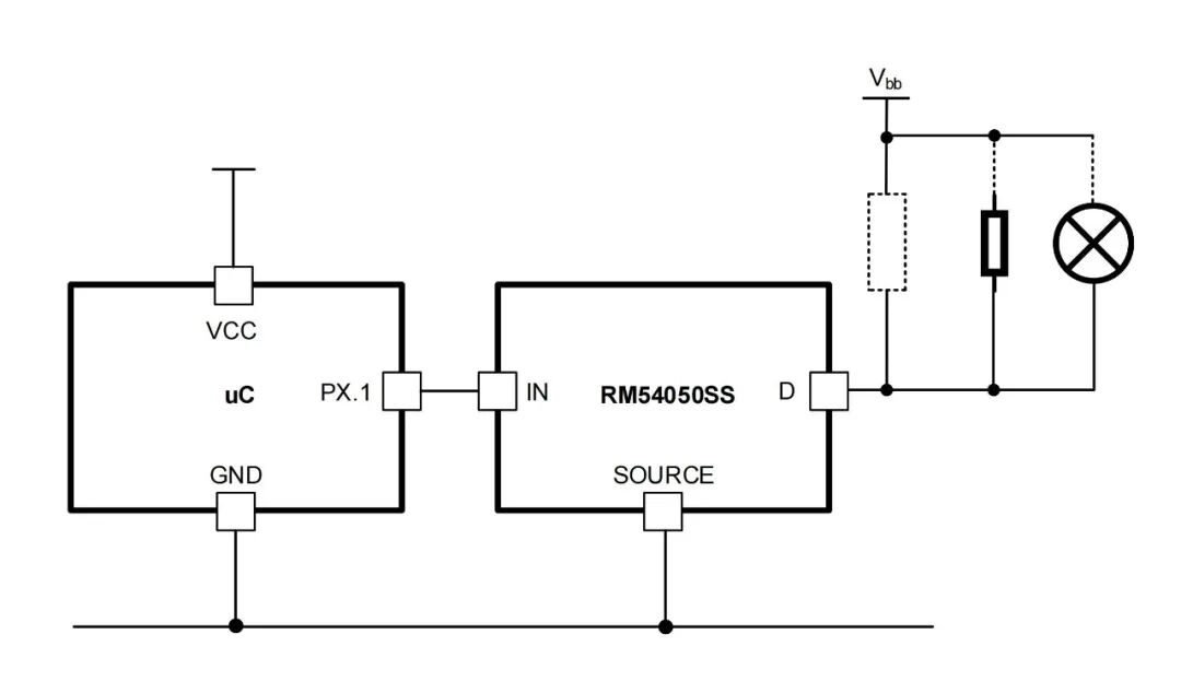
RM54050SS是一款单通道50mΩ的智能低侧开关,集成了过压保护、过温保护、限流保护、短路保护等功能,广泛应用在汽车电子和工业领域。该产品可取代传统的车载熔断器和继电器,对汽车内部的低压负载起到保护作用。

2. 核心参数

3.主要功能介绍
<1> 感性负载和过压输出钳位
RM54050SS内部设计了专门的感性负载退磁钳位电路,可在感性负载关断或者电源过压时保护电路。在过压或者感性负载关断后,VDS电压增大到VAZ击穿阈值后,VAZ导通。此时功率MOS工作在线性区续流,但续流的能量不能超过EAS的最大值。

<2> 短路限流保护
RM54050SS内部设计了短路限流电路,其主要原理是当器件发生短路或者过载电流瞬间上升时,导致器件温升急速升高触发OTP(过温保护),器件会进入打嗝模式尝试重启,若移除故障后器件温度降至OTP点,器件则会重启成功。
如下为短路限流的时序图:

4. 应用电路
在汽车电子领域,RM54050SS被广泛应用于车身控制器(BCM)和整车控制器(VCU)等ECU模块中。它可以单独对低压负载进行控制,也可和高边开关配合使用,使用方式取决于客户端的电气控制电路设计。

技术支持与产品咨询
RM54050SS现已在多个汽车电子客户端开展验证测试。如您有订购意向,或是在产品应用上遇到技术难题,欢迎即刻拨打联系电话:029-88827769/18009231253。我们专业的技术团队随时待命,将为您提供更高效可靠的解决方案。
关于亚成微
亚成微电子股份有限公司成立于2003年,专注于高速功率集成技术的研究与开发,是国内较早开展智能功率开关系列产品研究并实现产业化的高新技术企业,同时是全球领先、国内唯一具备自主研发包络跟踪电源芯片(ET)的企业。
基于“高速功率集成技术平台”,亚成微开发并量产了射频动态电源芯片(ET)、智能功率开关芯片、电源管理及驱动芯片、电源模组芯片、以及半导体分立器件。致力于为客户提供装备用高功率密度供电以及智能配电解决方案。
-
汽车电子
+关注
关注
3043文章
8558浏览量
172235 -
开关芯片
+关注
关注
0文章
63浏览量
14701 -
亚成微电子
+关注
关注
0文章
24浏览量
2027
原文标题:新品速递|亚成微智能低侧开关RM54050SS开始全面供货!
文章出处:【微信号:reactor-micro,微信公众号:亚成微电子】欢迎添加关注!文章转载请注明出处。
发布评论请先 登录
专为汽车DC电机打造 亚成微电子新一代全集成智能H桥电机驱动器RM44150DS发布
亚成微携汽车电气智能化方案、电机驱动解决方案以及电源SIP模组芯片亮相2025慕尼黑上海电子展
亚成微电子智能功率开关产品再获AEC-Q100车规认证
率能半导体SS6200无刷电机驱动芯片代理供应
率能直流无刷电机驱动芯片SS6209代理供应
SS6208率能半导体电机驱动芯片代理供应
率能直流无刷电机驱动芯片SS6209代理供应
亚成微电子斩获两大荣誉
浅谈瑞盟科技·MS30517SA——单通道、高速、低侧栅极驱动器

亚成微智能低侧开关RM54050SS全面供货
评论