0
  • 聊天消息
  • 系统消息
  • 评论与回复
登录后你可以
  • 下载海量资料
  • 学习在线课程
  • 观看技术视频
  • 写文章/发帖/加入社区
会员中心
创作中心

完善资料让更多小伙伴认识你,还能领取20积分哦,立即完善>

3天内不再提示

电源电路

分享:

好的!以下是用中文介绍的 电源电路 的核心概念、分类和关键组成部分:


一、什么是电源电路?

电源电路是一种将输入电能(通常不稳定或不适合直接使用)转换为稳定、适合负载使用的输出电能的电子电路。

  • 输入电源类型:交流电 (AC,如市电 220V) 或直流电 (DC,如电池)。
  • 输出目标:向各种电子设备或元器件(如微处理器、传感器、电机、LED灯等)提供所需电压和电流的直流电 (DC),少数情况下也可能是特定频率和电压的交流电。

二、主要功能

  1. 电压转换:
    • 降压: 将高输入电压转换为较低的输出电压(常见应用:如手机充电器将220VAC降到5VDC)。
    • 升压: 将低输入电压转换为较高的输出电压(常见应用:如电池驱动设备的电压升压)。
    • 交直流转换: 将交流输入 (AC) 转换为直流输出 (DC)(称为整流)。
    • 直流交流转换: 将直流输入 (DC) 转换为交流输出 (AC)(称为逆变)。
  2. 稳压 (Regulation): 在输入电压波动或负载变化时,保持输出电压的稳定(精度要求高的场合尤其重要)。
  3. 限流保护: 防止输出短路或过载时电流过大而损坏电路本身或负载。
  4. 滤波: 滤除输入和输出中的高频噪声或纹波 (Ripple),提供更“干净”的直流电。
  5. 隔离: 通过变压器或光耦等元件隔离输入和输出电路,提高安全性(如防止触电)和抗干扰能力。

三、主要分类

根据工作方式转换类型,可分为两大类:

  1. 线性电源电路 (Linear Power Supply):

    • 原理: 通过调节功率器件(如晶体管、MOS管)的工作点(相当于一个可变电阻)来改变其压降,从而稳定输出电压。输入输出的能量转换是连续的。
    • 优点: 电路结构相对简单,输出电压纹波小,噪声低(电磁干扰小)。
    • 缺点: 效率较低(多余能量转化成热量),发热严重(需散热片),体积重量较大,通常只能降压(不能升压)。
    • 关键部件: 变压器 (AC-DC降压)、整流桥、滤波电容、调整管 (晶体管/MOSFET)、稳压二极管 (或电压基准 IC)、误差放大器。
    • 典型应用: 对噪声敏感、功率要求不高的小型设备(如模拟音频设备、传感器模块、测试仪器基准源)。
  2. 开关电源电路 (Switching Mode Power Supply - SMPS):

    • 原理: 利用功率开关器件(如MOS管)高速通断,控制储能在电感(或变压器)和电容中的能量来实现电压/电流转换和稳压。输入输出的能量是断续(脉冲式)传输的。
    • 优点: 效率高(节能,通常在70%-95%+),发热小,体积小、重量轻(高频工作允许使用小电感/电容),可灵活实现降压、升压、升降压甚至负压。
    • 缺点: 电路复杂,输出电压纹波和噪声较大(需良好滤波),电磁干扰 (EMI) 较强(需屏蔽和滤波)。
    • 关键部件: 功率开关管 (MOSFET)、高频变压器/电感、整流二极管 (快恢复或肖特基)、输出滤波电容/电感、控制IC (PWM控制器)、光耦 (隔离反馈)。
    • 常见拓扑结构:
      • AC-DC (市电输入): 反激式 (Flyback)、正激式 (Forward)、LLC谐振式 (高效大功率)。
      • DC-DC:
        • 降压: Buck(步降)
        • 升压: Boost(步升)
        • 升降压: Buck-Boost, SEPIC, Ćuk (可升可降)
    • 典型应用: 现代电子设备的主流电源(手机/电脑/电视充电器适配器,服务器电源,工业电源,LED驱动,新能源汽车,几乎所有需要高效率或小体积的场合)。

四、关键组成部分概述

  • 整流: 将交流电转换为脉动直流电(通常用整流桥或二极管)。
  • 滤波: 利用电容器(有时结合电感)平滑整流后的脉动直流电,减小纹波。
  • 稳压/控制:
    • 线性电源: 使用反馈环路(误差放大器比较基准电压和输出电压)控制调整管压降。
    • 开关电源: 使用 PWM控制器通过改变开关导通/关断时间比例来精确控制能量传输,实现稳压。
  • 功率开关管: (开关电源核心) 高速通断以控制能量传输,通常为 MOSFET(低压大电流)或 IGBT(高压大功率)。
  • 磁性元件: (开关电源核心) 存储和传输能量的电感或高频变压器。
  • 反馈回路: 监测输出电压,并提供信息给控制器进行调整(线性电源直接反馈,开关电源常用光耦进行隔离反馈)。
  • 保护电路: 过流保护 (OCP)、过压保护 (OVP)、过温保护 (OTP)、短路保护 (SCP) 等。

五、如何选择电源电路类型?

  • 需要高效率、小体积、重量轻 -> 开关电源 (SMPS)
  • 需要极低纹波/噪声(如精密仪器、音频),且功率不高、效率要求不高 -> 线性电源
  • 输入是交流市电 -> AC-DC 开关电源或线性电源
  • 输入是直流 (如电池、适配器),需要变换电压或稳定电压 -> DC-DC 转换器 (Buck/Boost等)
  • 需要电气隔离 -> 使用带高频变压器的开关电源 (如反激、正激) 或 线性电源(带工频变压器)

希望这份中文解释能帮助您理解电源电路的基本知识!如果您有具体的电路或应用场景的问题,欢迎继续提问!

深入了解电源电路的特征

在家用电子产品中,电源电路的主要功能是为功能电路提供工作电压。通常,电源电路可以分为线性电源电路和开关电源电路

2022-08-15 16:33:03

线性稳压电源电路识图技巧

线性稳压电源电路有分离元件构成的稳压电源电路和集成电路构成的稳压电源电路两种。

2019-10-15 11:14:52

空调器电源电路的组成结构

目前空调器釆用的电源电路主要有两种:一种是变压器降压+线性稳压器电源电路形式; 另一种是开关稳压电源电路形式。

2023-06-07 09:10:53

如何设计一个双极性双向电源电路

本实用新型涉及一种双极性电源电路,包括交流双重滤波电路单元,小编下面给你介绍双极性双向电源电路的设计图。

2020-09-20 12:09:09

可调电源电路稳压工作过程是什么

可调电源电路是一种电子设备,它可以提供可调节的电压和电流输出,广泛应用于电子实验、设备测试和维修等领域。稳压工作过程是可调电源电路的核心功能之一,它确保输出电压在负载变化或输入电压波动时保持稳定

2024-10-09 17:12:03

车灯驱动电源电路分析

车灯驱动电源电路是汽车电气系统中的重要组成部分,它负责为车灯提供稳定的电压和电流。车灯驱动电源电路的性能直接影响到车灯的亮度、寿命和安全性。本文将对车灯驱动电源电路进行分析,以帮助大家更好地理解其

2023-12-30 14:07:00

如何设计一个电源电路

引言当我们设计一个完整的电路而言,我们除了要知道我们要设计的主芯片电路,如FPGA,DSP,还要知道一些外围电路,如电源电路,复位电路、晶振电路等等。这篇文章我们先来讲解一下对于如何设计一个电源电路

随行者011011 2021-10-29 08:32:55

电源电路的基本元器件(2)电容

电源电路的基本元器件(2)电容

2023-12-06 15:20:03

电源电路的基本元器件(1)电阻

电源电路的基本元器件(1)电阻

2023-12-06 15:33:54

线性电源电路的检测方法

图8-18为线性电源电路(典型电压力锅的电源供电电路)输出电压的检测方法。

2022-08-15 16:39:01

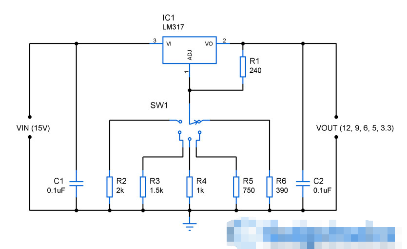
多电压电源电路分享

当您从事需要多个输入电压范围的项目时,电源电路非常有用。为每个单元构建专用电源单元可能是一个痛苦而乏味的过程。相反,您可以构建这种多电压电源电路,该电路提供12,9,6,5和3.3伏范围内的输出。

2023-06-29 15:48:16

电源电路

请问为什么要设计电源电路,例如需要5V电源,为什么不直接连接5V而是对24V进行转换

W玉策 2020-07-25 18:18:54

如何将双电源电路转换成单电源电路

引言 我们经常看到很多非常经典的运算放大器应用图集,但是这些应用都建立在双电源的基础上,很多时候,电路的设计者必须用单电源供电,但是他们不知道该如何将双电源电路转换成单电源电路。 在设计单电源电路

2023-09-08 09:36:54

新型电源电路应用实例

新型电源电路应用实例

王栋春 2020-10-19 22:42:41

电源电路PCB怎么布局

电源电路PCB怎么布局

asd013 2021-03-11 07:48:40

评估电感DCR对电源电路的影响

本文主要讲解功率电感的选取。放在实际应用场景计算电感值、电感额定电流值、以及评估电感DCR对电源电路的影响

2022-10-28 11:35:48

最便宜最危险的电源电路

电源电路是指提供给用电设备电力供应的电源部分的电路设计,使用的电路形式和特点。既有交流电源也有直流电源

2019-04-23 16:51:15

如何将双电源电路转换成单电源电路

我们经常看到很多非常经典的运算放大器应用图集,但是这些应用都建立在双电源的基础上,很多时候,电路的设计者必须用单电源供电,但是他们不知道该如何将双电源电路转换成单电源电路。在设计单电源电路时需要

lumia.net 2021-12-29 06:03:03

新型电源电路应用实例

新型电源电路应用实例资源来自网络

王栋春 2020-10-17 22:11:24

电源电路方框图的电路作用

由于输入电源电路的交流市电电压高达220V,而直流工作电压通常很低,因此交流市电在进入电源电路后首先加到降压电路中,进行降压,降至几伏或几十伏的适当交流电压。

2019-10-17 09:24:44

电源电路实用设计手册!

电源电路实用设计手册!需要完整版的朋友可以下载附件保存哦~

X学无止境 2021-09-18 10:01:09

实用电源电路集锦

实用电源电路集锦,需要完整版的小伙伴可以下载附件。

爱好电源的小白 2021-09-13 09:23:49

电源电路的介绍和分析

主要是对电源电路拓扑做了详细的介绍 初入门的可以看下

下载我看看 2019-12-18 13:50:51

贴片固态电容在电源电路中的应用

      随着电子设备向小型化、高性能化方向发展,电源电路的稳定性和效率要求越来越高。传统的电解电容(如铝电解电容)虽然容量大、成本低,但在高频、高温环境下性能下降明显。而贴片固态电容(Solid

2025-05-28 15:06:51

电源电路分析

一个电源电路求助其中,C3R3,C4,VT1,VR1的作用,以及电路的工作原理。

安工1 2019-08-25 10:29:29

开关电源,设计电路时该如何选型元器件?

开关电源,设计电路时该如何选型元器件?

2023-12-07 16:03:43

一个非常方便的小型电源电路分享

一个非常方便的小型电源电路,具有从尽可能低的电压完全可调的输出电压。

2023-06-10 17:13:00

ATX开关电源电路

ATX开关电源电路

ly_0913 2019-04-16 14:50:21

该怎样去测试电源电路

主要分6部分测试:1、电源电路;2、后级功放测试;3、高低频测试;4、四选一测试;5、音量调节的继电器模块测试;6、正弦波发生器测试(包括单片机最小核心板)。电源电路:首先做出电源电路,给其他电路

dingyang598 2021-11-12 08:35:26

实用电源电路集锦大全

实用电源电路集锦大全,需要完整版的朋友可以下载附件保存哦~

X学无止境 2021-08-09 09:37:34

加载更多