0
  • 聊天消息
  • 系统消息
  • 评论与回复
登录后你可以
  • 下载海量资料
  • 学习在线课程
  • 观看技术视频
  • 写文章/发帖/加入社区
会员中心
创作中心

完善资料让更多小伙伴认识你,还能领取20积分哦,立即完善>

3天内不再提示

TPS60502 250mA 1.8V 高效降压充电泵

数据:

描述

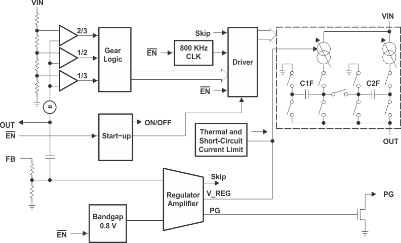
TPS6050x器件是一系列开关电容电压转换器,专为空间关键型电池供电应用而设计。

TPS6050x降压电荷泵产生稳定的3.3V,1.8V,1.5V或可调节输出电压。只需要四个小型陶瓷电容即可构建完整的高效DC-DC电荷泵转换器。为了在宽输入电压范围内实现高效率,电荷泵可在三种不同的转换模式之间自动选择。输出可提供最大250 mA的输出电流。电源良好功能监控输出电压,当输出电压上升到标称值的97%时变为高电平。

TPS6050x器件采用微型小型10引脚VSSOP封装。

特性

  • 1.8 V至6.5 V的宽输入电压范围
  • 稳压3.3 V,1.8 V,1.5 V ,或可调节的输出电压
  • 高达250 mA的输出电流
  • 效率高达90%
  • 输出电压容差3%超线,负载,
    和温度变化
  • 器件静态电流小于40μA
  • 包括输出电压监控器(电源良好)
  • 内部软启动
  • 关机期间与电池隔离的负载
  • 过温和过流保护
  • 微型小型10引脚VSSOP封装
  • EVM可用,TPS60500EVM-193

参数 与其它产品相比 降压充电泵 (无电感器)

 
Vin (Min) (V)
Vin (Max) (V)
Vout (Min) (V)
Vout (Max) (V)
Iout (Max) (A)
Regulated Outputs (#)
Switching Frequency (Min) (kHz)
Switching Frequency (Max) (kHz)
Iq (Typ) (mA)
Features
Operating Temperature Range (C)
Package Group
TPS60502 TPS60500 TPS60501 TPS60503
2.8     1.8     4.3     2.5    
6.5     6.5     6.5     6.5    
1.8     0.8     3.3     1.5    
1.8     3.3     3.3     1.5    
0.25     0.25     0.25     0.25    
1     1     1     1    
600     600     600     600    
1200     1200     1200     1200    
0.04     0.04     0.04     0.04    
Dynamic Voltage Scaling     Dynamic Voltage Scaling     Dynamic Voltage Scaling     Dynamic Voltage Scaling    
-40 to 85     -40 to 85     -40 to 85     -40 to 85    
VSSOP     VSSOP     VSSOP     VSSOP    

方框图 (1)

技术文档

数据手册(1)
元器件购买 TPS60502 相关库存

相关阅读