深入剖析 Murata PE24108:高效低电压降压调节器的卓越之选
在电子工程师的日常设计工作中,寻找高性能、小尺寸且高效的电源管理解决方案是一项持续的挑战。Murata 的 PE24108 降压调节器在众多同类产品中脱颖而出,为低输出电压应用提供了出色的解决方案。今天,我们就来深入解析这款产品。
文件下载:Murata Power Solutions EK24108 评估板.pdf
一、产品概述
PE24108 是一款紧凑、薄型的超高效降压 DC - DC 转换器,适用于低输出电压应用场景。它能够在 3.0V 至 3.6V 的输入电压范围内,每级输出高达 10A 的电流,输出电压可通过外部反馈电阻在 0.4V 至 1.0V 之间进行灵活调整。其采用了 Murata 先进的两级架构,由一个两相交错电荷泵和一个交错降压调节器级组成。这种架构大大减少了对电感的依赖,非常适合对尺寸和高度有严格限制的高效应用。
图 1:单设备效率图
二、突出特性
1. 高效架构
PE24108 的专有架构实现了业界领先的效率,同时具备超薄外形和小尺寸的优势,其峰值效率可达 92%。这对于追求高功率密度和低功耗的设计来说,无疑是一个巨大的优势。在实际应用中,工程师们是否遇到过因效率问题而导致的散热困扰呢?而 PE24108 或许能为你解决这一难题。
2. 简化应用
- 宽输入电压范围:支持 3.0V 至 3.6V 的输入电压,能够直接连接到标称 3.3V 的总线电源,方便了系统设计。
- 高精度输出电压调节:在所有线路和负载变化情况下,输出电压调节精度优于 ±1%,确保了稳定的电源输出。
- 灵活的输出电压设置:输出电压可通过外部反馈电阻进行设置,还能通过外部 AVS DAC 进行调整,满足不同应用的需求。
- 外部同步功能:外部同步引脚允许与外部时钟同步,有助于减少电磁干扰(EMI),提高系统的稳定性。
- 多设备并联:最多可并联四个设备,以满足更高电流的应用需求。
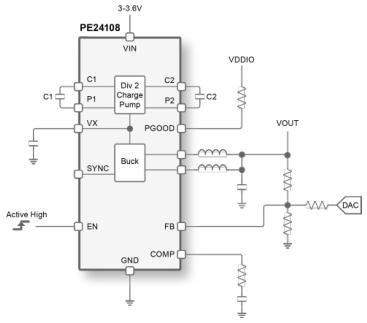
图 2:典型应用电路图
三、典型应用场景
1. 低剖面负载点(POL)调节器
在空间受限的系统中,如便携式设备、服务器和通信设备等,PE24108 的薄型设计和高效性能使其成为理想的 POL 调节器选择。
2. 光学模块
光学模块对电源的稳定性和效率要求较高,PE24108 能够提供稳定的电源输出,确保光学模块的正常运行。
3. 核心电源
为 ASIC 和 FPGA 等核心芯片提供稳定的低电压电源,保证其高性能运行。
四、典型性能特性
文档中提供了从图 3 到图 20 的典型运行性能数据,包括不同输入电压、输出电压、负载电流和开关频率下的效率曲线,以及输出电压与输出电流的关系、启动和关机特性、负载瞬态响应、输出纹波和电磁干扰等方面的测试结果。这些数据为工程师在设计过程中评估和优化电路提供了重要的参考依据。
图 3:效率与负载电流关系(Vin = 3.0V, 3.3V, 3.6V;Vout = 0.5V;单设备;Fsw = 800 kHz)
五、评估板与订购信息
1. 评估板
文档提供了 PE24108 设备评估板的图片(图 21),方便工程师进行实际测试和验证。通过评估板,工程师可以快速了解产品的性能和特性,加速产品的开发进程。
图 21:设备评估板
2. 订购信息
文档中给出了 PE24108 的可用订购代码以及运输方式的相关信息(表 1),方便工程师进行采购。
| jinur | breod roteulev | ( bRod ouv 8014e3p | 10 - 8014 |
|---|---|---|---|
| 8 sfn 0o0s | 1ee e ee o o | 0fPe nAr | - 8014G |
| 8r1 siun 000s | 1eet ne ee o o | 0fge n9Ar | X - A8014G31 |
| POHTEM NIPPHS | GNIAXAAP | NOITPIPOSE | SEOO REPN0 |
表 1:订购代码
六、注意事项
1. 应用限制
在将该产品用于对可靠性要求极高的应用场景,如飞机设备、航空航天设备、海底设备、发电厂控制设备、外科植入物、运输设备、交通信号设备和防灾/防犯罪设备等之前,需要与 Murata 联系。因为这些应用一旦出现故障,可能会导致生命、身体或财产的损失。
2. 使用注意点
- 在使用该产品时,要确保对产品进行评估,并确认其符合自身的规格要求。
- 产品规格书的所有条款和参数都是基于双方约定的使用目的、条件和环境。请勿以偏离约定的方式使用产品。
- 若对 RoHS 指令未列出的材料有任何疑虑,请与 Murata 联系。
- 在自己的产品中务必提供适当的故障安全功能,以防止因该产品的异常功能或故障而导致的二次损坏。
- 无论在任何情况下,都不要让该产品暴露在过多的湿气中。
七、文档类别与相关说明
1. 文档类别
- 提前信息:产品处于形成或设计阶段,数据手册包含产品开发的设计目标规格,规格和功能可能会随时变更,恕不另行通知。
- 初步规格:数据手册包含初步数据,后续可能会添加更多数据。Murata 保留随时更改规格的权利,以提供尽可能好的产品。
- 产品规格:数据手册包含最终数据。若 Murata 决定更改规格,将通过发布 CNF(客户通知表)通知客户。
- 产品简介:数据手册包含产品的简要信息。
2. 销售与免责声明
- 如需更多信息,可通过 https://www.murata.com/contactform 联系销售部门。
- 文档中的信息被认为是可靠的,但 Murata 及其附属公司不承担使用该信息或产品的任何责任,使用完全由用户自行承担风险。文档中未暗示或授予任何第三方对所述电路的专利权利或许可。此外,Murata 及其附属公司不承担因客户或任何第三方在任何应用中使用该产品而产生的损害赔偿责任,包括间接或附带损害。
- 该产品受一项或多项美国专利保护,具体信息可参考 patents.psemi.com。
综上所述,Murata 的 PE24108 降压调节器以其高效、紧凑和灵活的特点,为低输出电压应用提供了一个优秀的解决方案。在实际设计中,工程师们可以根据产品的性能特性和注意事项,合理选择和使用该产品,以实现系统的高性能和高可靠性。你在实际设计中是否会考虑使用 PE24108 呢?欢迎在评论区分享你的想法。
-
降压调节器
+关注
关注
0文章
114浏览量
12104
发布评论请先 登录
探索 PE25203:高效前端 DC - DC 转换器的卓越之选
Murata PE24110:低输出电压应用的高效利器
探索muRata MPQ1300-12V108-L48NBMC:高性能DC-DC转换器的卓越之选
探索Murata Type 2FP:高性能双无线模块的卓越之选
深入剖析 THVD24xxV:高性能 RS - 485 收发器的卓越之选
深入剖析TCAN3413/3414:高性能CAN FD收发器的卓越之选
深入剖析TPS26750:USB Type - C与PD控制器的卓越之选
高效能之选:NCP3286同步降压调节器深度解析
高效能之选:NCP3296 40A 可堆叠同步降压调节器深度剖析
深入解析FAN53730:高性能3A恒导通时间降压调节器

深入剖析 Murata PE24108:高效低电压降压调节器的卓越之选
评论