没有射频技术就不可能有物联网。自 19世纪末以来,电磁能量的调制、传输和接收中采用的工艺和技术已经获得巨大发展,从开始的微不足道演变为一种全球普遍使用的技术。物联网就是历史的最新篇章。
关于使用射频技术的立法也发生了重大变化,但当今有许多免授权解决方案正在影响着现代生活的各个方面。遵循一定的限制,任何人都可以使用现成器件实现无线电“网络”,而这将改变工商业的面貌。
虽然原理相同,但调制技术已发生了很大变化,这很大程度上得益于数字信号处理技术的发展。针对 IoT 的无线解决方案的需求现在推动了个人局域网和广域网技术的创新。在遵守区域限制、观察和应对安全威胁以及确保网络中的兼容性方面,无线技术的使用具有自己的要求。硅片级别的协议及其实施正在竭力解决这些问题。
逐渐普及的蓝牙 5
在个人局域网 (PAN) 方面,没有一种技术比蓝牙更普及,随着蓝牙 5 的出现,其吸引力将不断增强。最新版本的规格发生了重大升级,因为它包括对网状网络的支持,这种拓扑允许在各个设备之间建立直接连接,而无需中央集线器。这将导致蓝牙 PAN 在其尺寸和设备数量方面不受约束,这在 IoT 中具有明显优势。
其他积极的改进包括范围、有效载荷的大小以及功耗,所有这些都将提高蓝牙的适用性,从而增加服务设备的数量。Dialog Semiconductor的DA14586是首批支持蓝牙 5 的集成器件之一。这种高度集成的 SoC 具有三个处理器: 用于应用代码的 ARM® Cortex®-M0 内核、用于链路层的专用处理器和 AES 128 位加密处理器。它还集成了一个支持单线天线的 2.4 GHz 无线电收发器。
诸如 DA14586 的器件尺寸小巧、集成度高且对功耗要求较低,是可穿戴设备的理想之选。在此类应用中,将可能在 PCB 上实施天线,以进一步减少 BOM 和总系统基底面。一般来说,这是理想的用例,但与任何射频设计一样,应采取一些预防措施。
例如,该器件需要一个使用尽可能多通孔进行连接的良好且坚固的接地平面,以及一个整体紧凑的基底面,以最大限度地减少在较高频率下工作的元件之间的交叉耦合。通过使用多层 PCB 来帮助实施最常见的天线格式(即倒 F 天线 (IFA)),可以非常容易地实现这一点。当应用于蓝牙链路时,可以使用折叠的 IFA 格式(相对于展开式 IFA)将所需的 PCB 面积减少一半,但仍可提供可接受的带宽。图 1a 和 1b 分别显示了在 DG14586 的多层 PCB 顶层实施的全尺寸印刷及以缩减尺寸印刷的 IFA。
图 1a: 在 1 mm 基底上全尺寸印刷的 IFA。
图 1b: 在 1 mm 基底上以缩减尺寸印刷的 IFA。
需要注意的是,匹配网络将取决于所使用的基底和整体 PCB 厚度。当然,天线也应该具有足够的净空以防任何形式的干扰,通常建议在天线周围的水平和垂直方向上均保持至少 5 mm 的净空,并且避免在外壳中使用金属。
使用 DA14586,还可以在单层 PCB 上实施天线,但是在没有连续接地平面的情况下,IFA 设计通常会用印刷偶极天线来代替。但是,由于需要一个平衡不平衡转换器,这可能会增加成本。
多协议解决方案
虽然蓝牙非常普及的,但它并不是 IoT 中唯一使用的无线协议。任何单一协议都不太可能满足所有应用的要求,因此对在 2.4 GHz ISM 频段实施多协议共存的需求将会持续一段时间。
为此,一些制造商现推出可以在同一设备中实施多种无线协议的器件,这为制造商和消费者提供了最大的选择空间。一个最好的例子就是Silicon Labs的Mighty Gecko 多协议无线 SoC 系列。
由具有 DSP 扩展功能的高性能 ARM Cortex-M4 提供动力,EFR32MG12 可支持 ZigBee、Thread、蓝牙 5 和专有协议。它还集成了许多适用于 IoT 应用的 Silicon Labs 外设,例如,其低能量传感器接口 (LESENSE) 和多通道电容感应接口 (CSEN)。图 2 显示了完全集成且灵活的无线电收发器,包括一个片上平衡不平衡转换器。凭借 RFSENSE 块,器件可以在接收到射频信号时进行唤醒,并自主解调该信号(无需唤醒 MCU),该功能旨在最大限度地延长由电池或所收集能量供电的应用的寿命。
图 2: EFR32MG12 中完全集成的射频收发器。
EFR32 系列非常适用于从太阳能、热能或振动等可再生能源收集能量的应用。甚至可以在工业应用中通过从 4-20 mA 电流环路收集的能量来运行 EFR32。图 3 展示了低功耗工作的 EFR32 如何使设备通过收集的能量来运行。

图 3: 低功耗模式可以帮助实现仅通过收集的能量来运行的 IoT 应用。
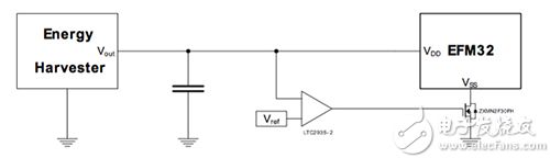
高效管理在能量收集应用中非常重要,其中包括存储任何不立即使用的能量。可以实施诸如电解电容器、超级电容器或小型充电电池的能量库。由于在启动时存在电流浪涌,还可能需要包括在能量库充足电之前抑制 SoC 上电的方法。图 4 是如何实施这种电压控制电源开关的概念图。应在开关中设计滞后,以防止在启动期间电压电平降至欠压水平时 MCU 掉电。

图 4: 实施电压控制电源开关。
另外值得一提的是,EFM32 系列中的能源模式 4 需要重置,因此应在能量收集设计中谨慎使用。Silicon Labs 建议尽可能使用睡眠模式 EM1 至 EM3。
低功耗 WAN
由于无线通信不仅限于 PAN,因此可以通过无线 WAN 实施 IoT 应用,从而在更远距离范围内提供通信。现在有大量面向电池供电应用的低功耗广域网技术,如 LoRaWAN、Weightless、Sigfox,甚至 LTE。
在覆盖范围方面,Sigfox 的视距长达 1000 km,令人印象特别深刻。它使用一种在专有网络上运行的超窄带无线电技术和一种无需在传输之前建立连接的简单协议来实现这一点。
低功率 WAN 的实施与 PAN 不同,但连接并不难。例如,Microchip的ATA8520D是 Sigfox 网络的单芯片收发器。应用示例如图 5 所示。

图 5: 如何使用 ATA8520D Sigfox 收发器的示例。
虽然运行 Sigfox 协议和驱动集成射频前端所需的所有固件都在器件的 CPU 上嵌入和执行,但对发送和接收功能的控制仍由主机处理器通过 SPI 来启动。
器件将保持关闭状态,直到主机处理器将其“唤醒”,在 25°C 时的电流消耗通常小于 5 nA。在典型应用中,TX/RX 周期将从唤醒开始,然后是一系列指令:获取状态;写入 TX 缓冲区;发送/接收帧;获取状态;读取 RX 缓冲区。在读取指令之后,还可以通过 SPI 发送关闭指令,以将器件置于省电模式。
总结
IoT 将由无线技术提供支持,但不太可能由单一解决方案主导。能够实施多种无线协议的单芯片器件的可用性表明碎片化将不会抑制 IoT 的扩展。
实施无线连接的成本在减少,设计复杂性也在不断降低。全集成 SoC 在低功耗解决方案中嵌入了协议栈和射频前端以及强大 MCU,该 SoC 的开发将在未来促使更多设备接入物联网。
然而,为给定应用选择合适的无线协议变得愈发困难。随着功能之间重叠的不断增加,协议的选择不再那么直观(或许变得不那么重要)。致力于制造多协议器件可以尽快解决这一问题。
有一点是毋庸置疑的。PAN 和 WAN 级别的无线连接正在不断增加,这为每个垂直行业带来了更大的灵活性、可控性和整体功能。
-
pcb
+关注
关注
4391文章
23742浏览量
420710 -
IFA
+关注
关注
0文章
41浏览量
11381 -
da14586
+关注
关注
0文章
2浏览量
4894
发布评论请先 登录

通过射频技术为物联网应用增加连接功能
评论