0
  • 聊天消息
  • 系统消息
  • 评论与回复
登录后你可以
  • 下载海量资料
  • 学习在线课程
  • 观看技术视频
  • 写文章/发帖/加入社区
会员中心
创作中心

完善资料让更多小伙伴认识你,还能领取20积分哦,立即完善>

3天内不再提示

LMH1982 具有同步锁相的多速率视频时钟发生器

数据:

描述

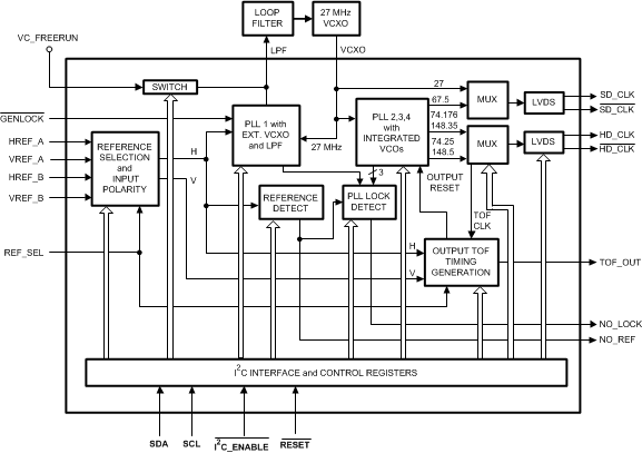
LMH1982器件是一款多速率视频时钟发生器,适用于各种3 Gbps(3G),高清(HD) ,以及标清(SD)视频应用,如视频同步,串行数字接口(SDI)串行器和解串器(SerDes),视频转换,视频编辑以及其他广播和专业视频系统。

LMH1982可以同时生成两个SD和HD时钟以及一个帧顶(TOF)脉冲。在同步锁相模式下,器件的锁相环(PLL)可以将输出信号同步到应用于任一参考端口的H sync和V sync输入信号。输入参考可以具有来自Texas Instrument的LMH1981多格式视频同步分离器的模拟定时或来自SDI解串器的数字定时,并且应符合主要的SD和HD标准。当发生参考丢失时,器件可以默认为自由运行操作,其中输出时序精度将由自由运行控制电压输入的外部偏置决定。

LMH1982可以取代分立式PLL和现场可编程门阵列(FPGA)具有多个压控晶体振荡器(VCXO)的PLL。同步锁相模式只需要一个27.0000 MHz VCXO和环路滤波器。外部环路滤波器以及可编程PLL参数可提供窄环路带宽,以最大限度地减少抖动传输。高达时钟输出抖动低至40 ps峰峰值,可帮助使用FPGA SerDes的设计人员满足严格的SDI输出抖动规范。

LMH1982提供节省空间的5 mm×5 mm 32-引脚采用WQFN封装,总功耗低约250 mW(典型值)。

特性

  • 两个同时LVDS输出时钟具有可选择的频率和Hi-Z功能:
    • SD时钟:27 MHz或67.5 MHz
    • 高清时钟:74.25 MHz,74.25 /1.001 MHz,
      148.5 MHz或148.5 /1.001 MHz
  • 低抖动输出时钟可以直接连接到FPGA串行器以满足SMPTE
    SDI抖动规范
  • 具有可编程输出格式定时和Hi-Z功能的帧顶(TOF)脉冲
  • 具有H和V同步的两个参考端口(A和B)
    输入
  • 支持输入和输出的交叉锁定
    时序
  • 外部环路滤波器允许控制回路
    带宽,抖动传递和锁定时间
    特性
  • 失去参考时的自由运行或保持操作
  • 用户自定义自由运行控制电压输入
  • I 2 C接口和控制寄存器
  • 3.3 V和2.5 V电源

参数 与其它产品相比 SDI 视频定时

 
Function
Power Consumption (mW)
Supply Voltage (V)
Control Interface
Formats Supported
Operating Temperature Range (C)
Package Group
Package Size: mm2:W x L (PKG)
Pin/Package
LMH1982 LMH1980 LMH1981
Clock Generator     Sync Separator     Sync Separator    
250     35     30    
3.3
3.3 to 5    
3.3
3.3 to 5    
3.3
3.3 to 5    
Pin/I2C     Pin     Pin    
NTSC
48-kHZ audio CLK
720p
576i/p
480i/p
1080i/p
PAL    
NTSC
SECAM
SD/PC bi-level and HD tri-level
720p
1080i/p
PC Sync on Green (VESA)
576i/p
480i/p    
SD bi-level and HD tri-level sync
NTSC
720p
1080i/p
576i/p
480i/p
PAL    
0 to 70     -40 to 85     -40 to 85    
WQFN     VSSOP     TSSOP    
32WQFN: 25 mm2: 5 x 5(WQFN)     10VSSOP: 15 mm2: 4.9 x 3(VSSOP)     14TSSOP: 32 mm2: 6.4 x 5(TSSOP)    
32WQFN     10VSSOP     14TSSOP    

方框图 (2)

技术文档

数据手册(1)
元器件购买 LMH1982 相关库存

相关阅读