在涉及到温度测量、压力测量、工业流程控制的便携式医疗设备和工业自动化领域,12 位转换器足以成为我们理想的选择。但是,如果考虑到整个多传感器系统设计,那么 24 位转换器可能是更加经济高效的选择,本文将解释其中的原因。
开始进行系统设计时,设计人员通常着手开发 12 位系统,首先从 12 位转换器开始,然后开发前端模拟链。但是,由于前端电路涉及到多个放大器,因而会增加设计时间、空间和复杂性,最终提高整体成本。
我们可以采用更好的方法。本文简要讨论了如何使用 8 通道 24 位转换器来取代所有 12 位信号链。我们将使用Analog Devices的AD7124-8BCPZ-RL78 通道、低噪声、低功耗模数转换器 (ADC) 作为示例。
典型 12 位多传感器设计
在开发便携式感应系统时,设计人员首先确定他们需要 12 位、14 位还是 16 位系统,然后着手开发该系统。设计工作从前端模拟链和相应的逐次逼近寄存器 (SAR) ADC 开始。
我们可能发现一些系统集成了多个传感器,这是非常合理的现象。患者监护仪就是很好的例子,它用于收集温度、体重、血氧和语言能力状态(图 1)。

图 1: 带有录音器的患者监护仪是多传感器系统的很好例子。(图片来源:Digi-Key Electronics)
常见的 12 位感应系统执行高压侧或低压侧系统电流测量。在此类系统中,我们使用低阻值电阻器 (RSHUNT),通过将电流转换为电压来感应系统电流(图 2)。该图显示了标准高压侧电流感应电路,该电路使用 SAR-ADC,最终将系统的电流转换为可用的数字值。

图 2: 典型 12 位高压侧电流感应电路显示了 SAR-ADC,它将 RSHUNT感应的电流转换为可用的数字值。(图片来源:Digi-Key Electronics)
在图 2 中,低阻值分流电阻器与仪表放大器 (InAmp) 连接,该放大器能够感应接近电源电压值的电压。InAmp 的输出在 0 至 100 毫伏 (mV) 范围内。对于 12 位系统,此处的最低有效位 (LSB) 大小为 24.4 毫伏 (mV)。然后,两个放大器为此信号提供增益,二者均为 -10 V/V。在电路中的这个位置,信号的输出范围为 0 至 10 伏特。随后,信号进入全差分放大器 (FDA)。该放大器适当地为 SAR-ADC 差分输入引脚提供差分输出,LSB 大小为 1.22 mV。
下面的成本分析将使用 1000 件价格估算。回到图 2 中的前端,InAmp 器件是一种专业器件,因为它能够精确地感应电源附近的小输入信号。这部分电路的弊端是 RSHUNT必须尽可能低,试图让负载的电源尽可能保持恒定。对于这种类型的专业器件,成本估算为大约 3 美元。
在 InAmp 后面,还有两个运算放大器 (OpAmp)。两个运算放大器都是双配置的一部分。这些放大器必须具有较低的输入偏置电流、补偿电压和噪声。当信号进入 SAR-ADC 时,输入偏置电流和补偿电压将增加失调误差。高放大器噪声将影响信号链的信噪比 (SNR)。对于这种类型的双放大器,成本估算为大约 2 美元。
FDA 接收运算放大器的输出信号。FDA 的功能是将单端信号变成差分输出,将满量程范围乘以 0.4 V/V,让电平位移达到 2.5 伏特。对于 FDA,成本估算为大约 2 美元。
最后,SAR-ADC 接收 FDA 的差分信号。此应用电路测量流经负载的电流。该高压侧电流传感器电路要求不超过 12 位的转换结果粒度。在图 2 中,12 位 SAR-ADC 的典型成本为大约 5 美元。
图 2 中的前端电路涉及多个芯片,包括四个放大器,因而会增加设计时间、空间和复杂度,最终还会增加成本。在本例中,前端成本为大约 7 美元。
这个过程可在多个感应电路上执行,但本例将使用 Analog Devices 提供的 24 位三角积分 (∑∆) 转换器。
使用 24 位转换器取代 12 位转换器
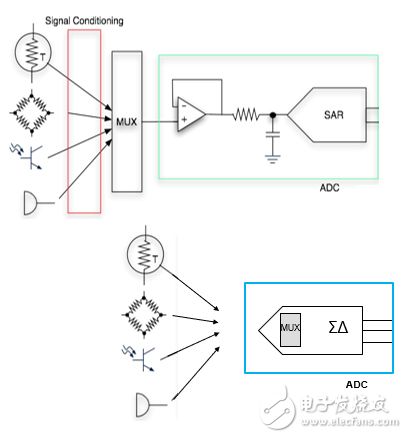
我们可以采用更好的方法来实现图 2 所示的电路。SAR-ADC 功能需要信号调节电路、模拟多路复用器和放大器驱动器。替代方法是将转换器更换为 ∑∆-ADC(图 3)。

图 3: 感应电路方框图:顶部框图使用 SAR-ADC 作为转换器。底部框图使用 ∑-ADC 作为转换器。(图片来源:Digi-Key Electronics)
图 3 显示了 SAR-ADC 和 ∑∆-ADC 信号路径之间的基本差异。SAR-ADC 信号路径需要信号调节,为小传感器信号做好准备,以满足转换器的输入范围。∑∆-ADC 信号路径中的传感器连接是直接连接到转换器的输入。
使用 ∑∆-ADC 信号链,设计人员可以忘记模拟增益级,消除电平位移电路。该电路仍将继续使用 InAmp,因为它提供了针对过压事件的保护功能,但其他所有放大器都是不必要的(图 4)。

图 4: 使用 ∑∆-ADC 的高压侧电流感测,显示已更换的元件。(图片来源:Digi-Key Electronics)
对于以上系统,最令人关注的是 LSB 大小为 24.4 mV。出于精确度的原因,我们可将 LSB 大小除以二,结果为 12.2 mV。5 V 系统所需的位数的计算方式很简单:1.44*ln(满量程范围/LSB)。对于本电路,位数为 18.6,四舍五入为 19 位。
再强调一次,在这个成本分析中,我们使用了 1000 件价格估算。回到图 4 的前端,我们仍将使用 InAmp 器件。对于这种类型的专业器件,典型成本仍为大约 3 美元。
在 InAmp 后面,无需再使用两个放大器。这样可以节省大约 2 美元。由于 ∑∆-ADC 可通过数字方式执行电平位移功能,因此也不再需要 FDA。这样又可以节省大约 2 美元。
最后,SAR-ADC 接收 FDA 的差分信号。此应用电路测量流经负载的电流。该高压侧电流传感器电路要求不超过 12 位的转换结果粒度。再次参考图 2,24 位 ∑∆-ADC 的典型成本为大约 5.30 美元。
在图 4 中,我们不再需要前端电路,这样就降低了电路复杂性和成本。此电路中唯一剩余的模拟器件是 InAmp。在本例中,前端成本为大约 3 美元。
∑∆-ADC 的全面功能
此信号已进入 24 位系统,没有增益。在这个 24 位系统中,LSB 大小相当于 12 位系统具有 4098 的增益(图 5)。

图 5: 在这个 24 位系统中,LSB 大小相当于 12 位系统具有 4098 的增益。(图片来源: Digi-Key Electronics)
虽然特定传感器的 ∑∆-ADC 的输入范围很小,但转换器能够为所有传感器产生 12 位的分辨率,而且没有信号调节阶段。
现在我们通过实例描述这种方法。一旦找到满量程范围为 5 V 的 24 位 ∑∆-ADC,设计人员将有机会不再使用一些信号链元件。如果进一步采用这种方法,他们可以使用带有内部可编程增益放大器 (PGA) 的 ∑∆-ADC,允许在 ∑∆-ADC 内部添加模拟信号链元件(图 6)。

图 6: AD7124-8 24 位 ∑∆-ADC,带有 4/16 个输入引脚。(图片来源:Analog Devices)
八个差分输入的 AD7124-8 24 位 ∑∆-ADC 是一种低噪声解决方案,包含可编程增益(1 至 128)、内部电压基准和内部时钟振荡器。该器件非常适合消除图 2 所示的繁杂模拟信号调节电路。
总结
本文简要论述了为什么使用 24 位转换器来替代多个 12 位器件通常是更好的方案,以及如何降低多传感器器件的模拟前端的成本和复杂性。
我们使用 Analog Devices 的 AD7124-8BCPZ-RL7 8 通道、低噪声、低功耗 ∑∆ ADC 作为示例。有了该器件,我们不再需要 PGA 和电压基准。
-
传感器
+关注
关注
2573文章
54366浏览量
785987 -
ADC器件
+关注
关注
0文章
11浏览量
8497 -
LSB
+关注
关注
0文章
42浏览量
13668
发布评论请先 登录
ADS1243-HT 24位模数转换器技术文档总结
Texas Instruments TPS61094EVM-066转换器评估模块数据手册
GSV2201D 带嵌入式MCU的DisplayPort 1.4到HDMI 2.0转换器规格书
Texas Instruments TPS61299EVM-016转换器评估模块数据手册
Texas Instruments TPS6286AxxEVM-050转换器评估模块数据手册
Texas Instruments TPS6286B10EVM-049转换器评估模块数据手册
Texas Instruments TLV61047EVM-038转换器评估模块数据手册
Analog Devices Inc. AD9217射频模数转换器数据手册
拆解调查一个“邪恶”的RJ45转换器?
USB转485/422转换器拆解

为什么使用24位转换器通常是更好的方案
评论