在现代铁路交通中,不论是时速达350公里/时的“复兴号”高铁,还是时速250公里/时的“和谐号”动车,主要是靠电力来驱动。机车牵引系统是保障列车高效、安全运行的核心动力系统。在复杂的机车牵引系统中,需要实时监测牵引电机的电流,为控制系统提供精确的反馈信号,确保牵引力的稳定输出、过流保护和能效优化等,保障系统的稳定运行。本文将结合几种常见的电流检测方案,并解析其在机车牵引系统中的典型应用实例。
高铁和动车动力简介
绝大多数的高铁和动车,如和谐号、复兴号,都依赖外部电力系统为其提供动力来源:车顶的“受电弓”与接触网导线持续接触,将高压电引入列车,经牵引变压器、变流器等设备转换为驱动电机的三相交流电,最终通过牵引电机驱动车轮。
注:部分动车可能采用电力和内燃机混合驱动,以便适应复杂线路。
机车牵引系统中的电流检测需求
机车牵引系统通常由变流器、逆变器和牵引电机组成。牵引电流具有以下特征:
- 幅值大:牵引电机在加速和爬坡时电流可达数百安培甚至上千安培。
- 变化快:在再生制动、牵引/制动切换过程中,电流方向和大小都可能瞬间变化。
- 安全性要求高:任何电流检测误差都可能导致控制算法失效,影响运行稳定性和安全性。
因此,应用在机车牵引系统中的电流传感器,一般需要具备高精度、宽测量范围和快速响应特性,同时满足电气绝缘和耐环境性的要求。
机车牵引系统常见电流检测方案
机车牵引系统的电流有分流器、罗氏线圈、光纤电流传感器、磁通门、霍尔闭环电流传感器等不同检测方案。它们在性能、适用场景和成本方面各有特点:
检测方案 | 原理 | 优点 | 缺点 | 典型应用场景 |
| 分流器+隔离放大器 | 测量电阻压降 | 成本低,结构简单,高频响应好 | 功率损耗大,绝缘性差 | 低压辅助电路、控制单元 |
| 罗氏线圈 | 电磁感应(交流/暂态) | 带宽高,无饱和,柔性安装 | 不能测直流,需要积分电路 | 谐波监测、短路暂态分析 |
| 光纤电流传感器 | 法拉第磁光效应 | 绝缘性极佳,抗干扰强 | 成本高,维护复杂 | 高压直流供电、变电所 |
| 磁通门传感器 | 铁芯磁饱和检测 | 精度高,漂移小,直流测量好 | 成本高,带宽低 | 轨道牵引大电流、电池系统 |
| 霍尔闭环 | 霍尔效应+反馈补偿 | 可测直流/交流/脉冲,高速响应,精度高,绝缘安全 | 成本中等,对安装有要求 | 牵引变流器电流检测、保护控制 |
在实际机车牵引系统中,往往不是单一方案,而是根据不同应用场景、环节的功能需求组合使用:
- 精度与直流测量需求高→选霍尔闭环/磁通门
- 谐波与暂态分析→选罗氏线圈
- 绝缘等级最高→选光纤传感器
- 低成本与简单应用→选分流器
霍尔闭环电流传感器在机车牵引系统中的应用实例
从应用图可以看到,CM4A被安装在牵引变流器的直流母排或交流输出端,原边母排完全充满传感器的过孔,传感器的输出线束连接到控制系统,为系统提供实时的电流反馈信号。其典型作用包括:
- 牵引逆变器中的电流反馈:CM4A传感器实时监测牵引电机的相电流,为逆变器的控制单元提供精确的电流反馈,实时调整PWM调制,实现电机的精准控制。通过闭环控制,可以优化牵引力输出、实现过流保护和故障诊断。
- 再生制动系统中的能量回馈:在再生制动模式下,CM4A传感器精确测量回馈电流,确保能量回收的效率和稳定性,防止回馈电流过大导致电网或储能装置过载。
- 保护功能:当牵引电流异常过大(如短路或失控情况),传感器信号可触发保护机制,避免功率器件损坏。
- 状态监测与故障诊断:通过对电流波形的实时采集,可辅助故障录波与健康监测系统,实现预测性维护。
- 辅助系统的电流监测:CM4A还可用于机车的辅助系统,如辅助逆变器和电池管理系统,为空调、照明等设备提供稳定的电力监测。
霍尔闭环电流传感器CM4A 1000 H05简介
CM4A系列电流传感器是芯森电子自主研发的采用霍尔闭环(补偿)原理,通过霍尔元件检测原边电流产生的磁场,并通过副边线圈产生补偿电流,实现原边与副边的电气隔离。

核心技术参数
| 参数类别 | 关键指标 | 机车牵引应用价值 |
| 额定电流范围 | ±1000 A(可扩展至±2100 A) | 覆盖机车牵引电机的大电流测量需求 |
| 精度 | ±0.3% @ IpN | 确保牵引力控制的精确性 |
| 线性度 | ±0.1% @ 0~IpN | 提高电流反馈的一致性 |
| 响应时间 | 0.5~1 μs @ 90% IpN | 支持牵引逆变器的高动态控制 |
| 绝缘耐压 | 3.8 kV AC(50 Hz,1 min) | 满足机车高压系统的安全标准 |
| 瞬态耐压 | 16 kV(1.2/50 μs) | 抗雷击和瞬态过电压能力 |
| 工作温度范围 | -40~85°C | 适应机车运行的极端温度环境 |
| 带宽 | 150 kHz | 适应PWM逆变器的高频电流变化 |

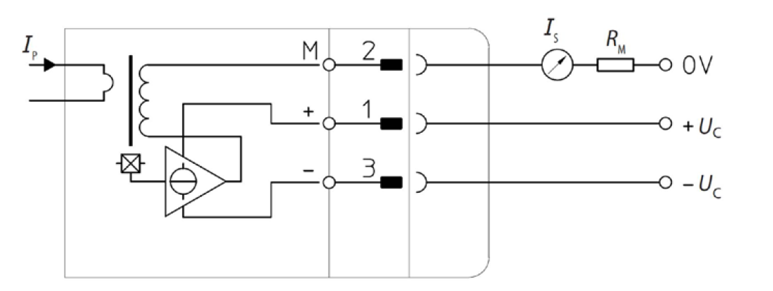
典型应用连接图

总结
在机车牵引系统中,霍尔闭环电流传感器通过高精度、快速响应和良好的绝缘特性,为牵引电机控制与系统保护提供了可靠的电流检测手段。虽然它并非万能解决方案,但在高压、大电流的铁路牵引场景下,确实是一种成熟且值得信赖的技术路径。
-
传感器
+关注
关注
2574文章
54429浏览量
786307 -
霍尔电流传感器
+关注
关注
3文章
391浏览量
15262 -
机车系统
+关注
关注
0文章
2浏览量
5287
发布评论请先 登录

芯森电子CM4A霍尔闭环电流传感器在机车牵引系统中的应用实例解析
评论