|
无源无损缓冲电路及其新拓扑 摘要:在分析无源无损缓冲电路的拓扑分类和硬开关转换过程中开关损耗的基础上,总结了无源无损缓冲电路的结构原理和一般实现方法。重点介绍了其在DC/DC变换器中两种新颖的拓扑结构,并简要地分析了它们的工作原理和优缺点。
1 概述 在硬开关电路中,有源开关器件连接在刚性的电压源或电流源上,开关损耗大、电磁干扰严重、可靠性低,且随着开关频率的提高,这种现象更为严重。为了克服这些缺陷,软开关技术被广泛采用。 有源缓冲电路、RCD缓冲电路、谐振变换器、无源无损缓冲电路是常用的软开关技术。其中,有源缓冲电路通过增添辅助开关以减少开关损耗,但这也增加了主电路和控制电路的复杂程度,从而增大了性价比,也降低了可靠性;RCD缓冲电路虽然结构最简单,价格最便宜,但由于电阻消耗了能量,效率较低,在各种软开关技术中性能最差;而谐振变换器虽然实现了ZVS或ZCS,减少了开关损耗,但谐振能量必须足够大,才能创造ZVS或ZCS条件,而且谐振电路中循环电流较大,还必须在特定的软开关控制器的控制信号下工作,增加了通态损耗、增加了成本、降低了可靠性。与这三种方法不同,无源无损缓冲电路既不使用有源器件,也不使用耗能元件,因而兼具以上三种方法的优点。其结构与RCD缓冲电路一样简单,效率与有源缓冲电路、谐振变换器一样高,电磁干扰小、造价低、性能好、可靠性高,因而获得了广泛的应用。 目前,无源无损缓冲技术虽已比较成熟,但在国内外仍不时有新的拓扑和研究成果发表。本文在参考了最近20多年中无源无损缓冲电路研究成果的基础上,总结了无源无损缓冲电路的结构原理和一般实现方法。此外,重点介绍了其在PWM DC/DC变换器中两种最新的拓扑结构,分析了它们的工作原理,并比较了它们的优缺点。 2 拓扑分类 在过去的几十年里,出现了许多不同的无源无损缓冲电路的拓扑结构,它们可以用一套属性来描述[1]。为此,可划分为两类:一类是最小电压应力单元(MVS),如图1(a),图1(b)所示;另一类是非最小电压应力单元(Non-MVS),如图1(c),图1(d),图1(e),图1(f)所示。最小电压应力单元[2]仅使用一个电感和电容值较小的电容就能使主开关管电压应力最小,但实现软开关的范围不大;非最小电压应力单元[3]增加了一个电感,同时也增加了主开关管的电压应力,但与最小电压应力单元相比,在同样的电感和电容下,其软开关范围较大。而且,在小功率情况下,具有较高的效率。
(a) MVS (b) MVS
(c)Non-MVS (d)Non-MVS
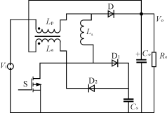
(e)Non-MVS (f)Non-MVS 图 1 无 源 无 损 缓 冲 电 路 拓 扑 结 构 3 结构原理与实现方法 硬开关电路在开关时,存在3种损耗: 1)开通时,由续流二极管的反向恢复电流引起的浪涌电流,会导致较大的导通损耗; 2)开通时,MOSFET的寄生结电容放电会引起损耗; 3)关断时,MOSFET的结电容电压的快速增加,会导致较大的关断损耗。 针对硬开关电路的上述损耗构成,一个基本的无源无损缓冲电路一般都包含3个功能电路: 1)开通缓冲电路; 2)关断缓冲电路; 3)馈能电路。 常用的方法是用电感(L)与功率管串联,开通时电流只能从零增加,因而“零电流”使开通得到软化;用电容(C)与功率管并联,关断时功率管两端电压只能从零增大,因而“零电压”使关断得到软化;用二极管(D)经过一定的拓扑网络,在功率管开关过程中,将L,C中的存储能量反馈到电源或馈送给负载。根据变换器电路的不同,电容可直接并联于功率管,也可跨接于功率管输出与负载之间,或跨接于功率管输入端与电源正端之间。后两种跨接方式都要求功率管关断之前,电容C已充电到电源电压的大小。馈能电路常用的方法有:当要求一个电容的充电终了电压要大于电源电压时,则电源可通过电感给电容充电,如忽略损耗,充电终了电压将达到2倍电源电压;如一个充好电的电容,在工作中需要改变电压极性,则可通过串联一个电感实现振荡放电来完成;电感还可用于将一个电容的储能转移到另一个电容中去,当然这里还必须有二极管组成的电路配合;能量的存储或转移还可采用互感的方法等等。 无源无损缓冲电路的三功能电路结构特点,虽然无法象有源软开关方案那样,在超前或滞后主开关的控制时序下吸收能量或供给能量,以创造出真正的ZVS或ZCS条件,但它通过将开关期间的电压与电流波形错开,使二者的重叠面积最小,可以显著降低前述1)和3)项开关损耗。虽然对2)项的开关器件内寄生结电容的放电损耗,无法被无源无损缓冲电路所消除,但此种损耗较其它开关损耗低得多,对于提高整体效率作用较小。考虑到无源无损缓冲电路没有引入辅助有源器件,和其它软开关方案相比,它没有增加额外的辅助有源器件损耗,因此,在同样的开关损耗功率降低情况下,无源无损缓冲电路可以获得更高的效率提高[4]。所以,无源无损缓冲电路被广泛地应用于PWM变换器中。 4 无源无损缓冲电路在DC/DC变换器中的应用 随着电力电子技术、计算机技术、通信技术的发展,无源无损缓冲电路不仅广泛应用于PWM DC/DC变换器,PWMAC/DC整流器[5]和PWM DC/AC逆变器[6]中,而且与多电平变换器和PFC也有着密切的联系[7]。以下介绍两种无源无损缓冲电路在PWM DC/DC变换器中的最新拓扑结构。 4.1 再生式的无源无损缓冲电路 图2为文献[8]提出的一种无源再生式的软开关Boost变换器,它是传统的L+RCD复合型缓冲电路的改进。其改进点包括:
图 2 再 生 式 无 源 无 损 缓 冲 电 路 1)去掉放电电阻R; 2)去掉专门的功率电感器L,巧妙地用一个同输入电感Lp耦合的小功率绕组La代替。 下面分析图2电路的工作过程。分析中假设: 1)输入电压Vi恒定,主电感Lp远大于缓冲电感Ls,以致输入电流Is恒定; 2)输出电容Co足够大,以致输出电压Vo恒定; 3)只考虑续流二极管D的反向恢复电流和主开关S的开关过渡时间,其它元器件均为理想的; 4)初始状态为S关断,D开通,iD=Is。 则对感性负载CCM工作情况,稳态时每个周期可以分为以下6个模态,相应的等效电路图和主要波形图如图3及图4所示。
(a) 模 态1(t1~t2)等 效 电 路
(b) 模 态2(t2~t3)等 效 电 路
(c) 模 态3(t3~t4)等 效 电 路
(d) 模 态4(t4~t5)等 效 电 路
(e) 模 态5(t5~t6)等 效 电 路
(f) 模 态6(t6~t7)等 效 电 路 图 3 等 效 电 路 图
图 4 主 要 波 形 图
模态1(t1-t2) 在t1时刻,S开通,电感电流iLs线性增大,流经二极管D的电流iD相应减小,直到iD=0,该模态结束; 模态2(t2-t3) 在t2时刻,二极管D关断,Cs开始放电,耦合绕组La的感应电势使Cs上的电势自举提高,直到电容Cs储能完全释放,该模态结束; 模态3(t3-t4) 该模态与普通PWM Boost变换器开通状态基本相似; 模态4(t4-t5) 在t4时刻,S关断,输入电流Is经过电感Ls,D1开始给Cs充电,直到vCs=Vo,该模态结束; 模态5(t5-t6) 在t5时刻,二极管D导通,电流iLs线性减小,流经二极管电流iD相应增大,直到iD=Is,该模态结束; 模态6(t6-t7) 该模态与普通PWM Boost变换器的关断状态基本相似。 可见,该无源无损缓冲型软开关电路的关键在于:当S在ZCS下开通时,因Lp的耦合绕组La的感应反电势而发生电势自举,有利于电容Cs的储能经La向负载释放;放电完毕的Cs又为S的关断提供ZVS条件。
(a)原理图
(b)简化原理图 图5 具有最小电压应力的无源无损缓冲电路 4.2 具有最小电压应力的无源无损缓冲电路 图5(a)为文献[9]提出的另一种新颖的具有最小电压应力的无源无损缓冲电路。从图中可看出,其开通/关断缓冲网络包含3个二极管Da,Dc,Ds,一个耦合电感L2和一个缓冲电容Cs。在开通期间,原边电感L1充当普通Boost变换器的升压电感。3个二极管和原来的输出二极管组成全桥,二次侧电感L2联接在两对串联二极管之间。缓冲电容Cs与二极管Ds并联。 为了便于分析,将耦合电感看作励磁电感Lm,漏感Lk和变比为1:n(n>1)的理想变压器的联合体,如图5(b)所示。假设条件基本与3.1相同,且励磁电流ILm为常数,初始状态为:S开通,Do关断,vCs=Vo,则稳态时,一周期有以下6个模态,相应的等效电路图和主要波形图如图6及图7所示。
(a) 模态1(t1~t2)等效电路
(b) 模态2(t2~t3)等效电路
(c) 模态3(t3~t4)等效电路
(d) 模态4(t4~t5)等效电路
(e) 模态5(t5~t6)等效电路
(f) 模态6(t6~t7)等效电路 图6 等效电路图
图7 主要波形图 模 态1(t1-t2) 在t1时 刻 , 主 开 关S关 断 ,Do导 通 , 输 入 电 流Ii由S线 性 地 切 换 到Do, 同 时Cs 开始向负载放电,直到完全释放,该模态结束; 模态2(t2-t3) 在t2时刻,Ds自然导通,由于耦合电感的匝数比n>1,感应二次侧电压大于主侧电压,正的电势差使得Da导通,流经电感Lk的电流iLk线性增大,io相应减小,直到iDo=0,转到模态3; 模态3(t3-t4) 在t3时刻,Do自然关断,输入电流Ii的1/n经Da,Lk和Ds向输出负载供电; 模态4(t4-t5) 在t4时刻,主开关管S零电压开通,流经Lk的电流iLk减小,直到零,该模态结束; 模态5(t5-t6) 在t5时刻,耦合电感Lk开始释放能量,给Cs充电,直到vCs=Vo,同时向输出负载反馈多余的能量; 模态6(t6-t7) 当耦合电感Lk完全释放能量,该模态类似于普通PWM Boost开通状态。 可见,该新颖的具有最小电压应力的无源无损缓冲电路的所有元器件的电压应力不超过输出直流电压Vo,而且能有效地提高变换器效率,明显地扩展输入电压的范围,从而在应用于PFC中,它将是一种低价、有效的拓扑。 5 结语 本文在解决硬开关存在的3种换流缺陷的基础上,简要地比较了有源缓冲电路、RCD缓冲电路、谐振变换器和无源无损缓冲电路等4种软开关技术的优缺点,并提出了无源无损缓冲电路的结构原理和一般实现方法,以及最近在PWM变换器、三电平逆变器、三电平整流器和三电平PFC中的最新应用,重点介绍了无源再生式的软开关变换器和具有最小电压应力的无源无损缓冲电路等两种新颖的DC/DC变换器拓扑,简要地分析了它们的工作原理和优缺点,并总结了无源无损缓冲电路发挥的重要作用,从而说明无源无损缓冲电路已成为实现软开关的重要技术之一,并被引起广泛重视。 |
无源无损缓冲电路及其新拓扑
- 缓冲电路(19925)
相关推荐
无源无损软开关电路与缓冲吸收方式的效率比较
无源软开关的条件与无损吸收大致相同。并不是所有拓扑都能够搭建出一个无源软开关电路。因此除了经典的电路外,很多无源软开关电路都是被专利的热门。无源无损软开关电路效率明显高于其他缓冲吸收方式,与有源软
2020-07-08 07:00:00
无源喇叭有什么特点?
无源音箱(Passive Speaker)又称为“被动式音箱”。无源音箱即是我们通常采用的,内部不带功放电路的普通音箱。无源音箱虽不带放大器,但常常带有分频网络和阻抗补偿电路等。
2019-09-19 09:01:20
无源标签系统分析
CMOS标签的成本降低,库存和其他应用迅速增加。一些评估表明,随着无源标签的价格持续下降,几乎每一个售出产品的内部都将有一个RFID标签。由于无源RFID标签的重要性及其独特的工程实现的挑战性,本文将
2019-07-10 07:30:13
无源标签系统研究
源CMOS标签的成本降低,库存和其他应用迅速增加。一些评估表明,随着无源标签的价格持续下降,几乎每一个售出产品的内部都将有一个RFID标签。由于无源RFID标签的重要性及其独特的工程实现的挑战性,本文
2019-05-30 07:14:04
无源蜂鸣器控制
如下图 ,无源蜂鸣器控制 ,每一时刻只让一个蜂鸣器响 现在给4khz 信号,并控制其中一个三极管导通, 其他的蜂鸣器也会有声音,请问如何修改电路使其他蜂鸣器不响
2023-11-24 11:09:38
无源蜂鸣器驱动电路
先上图这是无源蜂鸣器驱动电路,按理说只要一个IO口输出PWM控制即可,它这里的另一个IO那一路电路起的是啥作用啊?D3也没和蜂鸣器并联接起来?请教一下各位大佬,谢谢啦。
2022-11-12 14:53:38
无缓冲三端双向可控硅开关需要外部缓冲电路吗
我有关于无缓冲三端双向可控硅的简单问题。当说三端双向可控硅是无缓冲的时候还需要一个外部缓冲电路吗?以上来自于谷歌翻译以下为原文 I have simple question about
2019-01-28 12:29:36
LC无源滤波
最近在学习LC无源滤波,实际制作与仿真的差距好大啊,问下1.用贴片电感和贴片电容,那个LC谐振回路作用是什么?2.还有贴片电感上的寄生电容如何求得,这对滤波特性有影响没?各位帮帮忙啊,这个困惑小弟好久了。谢谢!(电路形式如下)
2012-10-03 15:55:16
RC无源滤波电路及其原理
本帖最后由 gk320830 于 2015-3-5 14:10 编辑
RC无源滤波器电路及其原理在测试系统中,常用RC滤波器。因为在这一领域中,信号频率相对来说不高。而RC滤波器电路简单
2011-11-10 16:17:03
matlab触发igbt电路设计,IGBT单相桥式无源逆变电路设计(纯电阻负载).doc 精选资料分享
IGBT单相桥式无源逆变电路设计(纯电阻负载)湖北民族学院科技学院信息工程系课程设计报告书题目:IGBT单相全桥无源逆变电路设计课 程:电力电子技术课程设计专 业:电气工程及其自动化班 级
2021-07-09 06:26:44
【每日电路赏析】使用缓冲电路的晶闸管
部分。第一部分是555定时器组成的频率生成电路,它的输出用到晶闸管的门极。电路的第二部分用于检查晶闸管有无缓冲电路下的开关特性。情况1:无缓冲电路当无缓冲电路时,晶闸管的输出见上图,波形中会出现比较
2019-11-08 09:04:14
一新型无损箝位电路在单端正激电源中的应用
过压尖峰,实现了无源无损箝位。这种新型电路,拓扑简单可靠,可移植于如单端正激、单端反激、SEPIC、CUK以及ZETA等拓扑电路中,应用前景广阔。
2012-12-31 11:27:21
什么是有源 什么是无源呢
呢?这里的有源不是指电源的“源”,而是指有没有自带震荡电路,有源蜂鸣器自带了震荡电路,一通电就会发声;无源蜂鸣器则没有自带震荡电路,必须外部提供 2~5Khz 左右的方波驱动才能发声。 2.硬件介绍这里...
2021-08-09 08:53:18
什么是有源滤波电路?什么是无源滤波电路?
本帖最后由 gk320830 于 2015-3-7 13:42 编辑
常用的滤波电路有无源滤波和有源滤波两大类。若滤波电路元件仅由无源元件(电阻、电容、电感)组成,则称为无源滤波电路。无源滤波
2011-11-11 09:18:50
内部衰减是无源或有源电路吗?
2013年3月13日*信号分析仪基础知识和新应用网络广播*的问题与解答*问题:*内部衰减是无源或有源电路吗? 以上来自于谷歌翻译 以下为原文Questions and Answers
2019-06-24 15:07:32
吸收与缓冲电路的功效
基本拓扑电路上一般没有吸收缓冲电路,实际电路上一般有吸收缓冲电路,吸收与缓冲是工程需要,不是拓扑需要。吸收与缓冲的功效:● 防止器件损坏,吸收防止电压击穿,缓冲防止电流击穿● 使功率器件远离危险
2021-10-29 07:15:57
四脚无源贴片晶振的脚位如何分别及其作用
1,2,3,4了,通常四脚无源晶振我们知道,只有两个脚是功能脚,其余两个脚起不到任何作用,电路中,脚1和脚3是通电的,电流从脚1流入,脚3流出. 对于晶振还有更多技术问题,方可咨询我公司工程师,或者是加好友,大家一起探讨更多,学习更多`
2012-11-16 15:22:24
多图解析开关电源中一切缓冲吸收电路
开关的条件与无损吸收大致相同。并不是所有拓扑都能够搭建出一个无源软开关电路。因此除了经典的电路外,很多无源软开关电路都是被专利的热门。 无源无损软开关电路效率明显高于其他缓冲吸收方式,与有源软
2019-05-16 08:30:00
多图解析开关电源中一切缓冲吸收电路
电感本身是无损的(非饱和电感),而其电感储能又是经过无损吸收的方式处理的,即构成无源无损缓冲吸收电路,实际上这也是无源软开关电路。 缓冲电感的存在延迟和削弱的开通冲击电流,实现了一定程度的软开通
2023-04-21 16:37:31
多图解析,开关电源中的缓冲吸收电路
所有拓扑都能够搭建出一个无源软开关电路。因此除了经典的电路外,很多无源软开关电路都是被专利的热门。无源无损软开关电路效率明显高于其他缓冲吸收方式,与有源软开关电路效率相差无几。因此只要能够实现无源软
2019-11-02 07:00:00
多图详解开关电源中的一切缓冲吸收电路
开关的条件与无损吸收大致相同。并不是所有拓扑都能够搭建出一个无源软开关电路。因此除了经典的电路外,很多无源软开关电路都是被专利的热门。 无源无损软开关电路效率明显高于其他缓冲吸收方式,与有源软
2019-05-22 08:30:00
如何区分有源和无源蜂鸣器?
从驱动/电路来分析有源和无源这里的“源”不是指电源,而是指震荡源。也就是说,有源蜂鸣器内部带震荡源,所以只要一通电就会叫。而无源内部不带震荡源,所以如果用直流信号无法令其鸣叫。必须用2K~5K的方波
2015-05-15 16:31:19
如何用无源传感器PIR搭建属于自己的手势识别模块?
主流的手势识别方法及其原理是什么?各种手势识别方法的优缺点是什么?都是手势识别有什么区别吗?如何用无源传感器PIR搭建属于自己的手势识别模块?
2021-07-04 07:45:57
如何用示波器测量无源晶振的输出频率?
晶振,是电路中重要的电子元件,控制着系统运行的节拍。晶振有多种类型,无源晶振是其中价格便宜而又应用广泛的一种。在使用示波器测量无源晶振输出频率时,常常会发现晶振有输出无信号、晶振不起振等异常情况,那么如何用示波器测量无源晶振的输出频率?
2021-01-15 07:14:40
如何铺求GPS无源天线PCB设计?
GPS无源天线设计如何进行无源天线的选型,原子哥的板子上的max2659与25*25*4的无源陶瓷天线配合,我能使用8*8*4的无源陶瓷天线来进行配合吗,另外这个无源天线貌似需要铺地,但是不知道如何去铺求大家帮助,决定采用原子哥的无源电路设计方案。各位大神积极发言啊。小弟在此万分感谢。。
2019-08-21 04:21:35
射频电缆的无源互调测试实现
一、无源互调介绍在无线通信系统中,日益增加的语音和数据信息必须在一个固定带宽中传输,无源互调失真已经成为限制系统容量的重要因素。就好像在有源器件中,当两个频率以上的信号以一个非线性形式混合
2019-07-19 06:31:48
干货 开关电源中的全部缓冲吸收电路解析
一定程度的软关断。实现无源软开关的条件与无损吸收大致相同。并不是所有拓扑都能够搭建出一个无源软开关电路。因此除了经典的电路外,很多无源软开关电路都是被专利的热门。无源无损软开关电路效率明显高于其他缓冲
2018-12-26 10:16:39
开关电源中吸收缓冲电路的设计与仿真
文章介绍:“基本拓扑电路上一般没有吸收缓冲电路,实际电路上一般有吸收缓冲电路,吸收与缓冲是工程需要,不是拓扑需要”。本文由双11有大活动的张飞实战电子ヾ(*´∇`)ノ友情提供
2015-11-04 15:06:55
开关电源中的所有缓冲吸收电路详解
开关的条件与无损吸收大致相同。并不是所有拓扑都能够搭建出一个无源软开关电路。因此除了经典的电路外,很多无源软开关电路都是被专利的热门。无源无损软开关电路效率明显高于其他缓冲吸收方式,与有源软开关电路效率
2018-12-28 11:09:57
开关电源之MOSFET管的关断缓冲电路的设计详解
针对MOSFET管的关断缓冲电路来进行讨论。1 RC缓冲电路设计在设计RC缓冲电路时,必须熟悉主电路所采用的拓扑结构情况。图l所示是由RC组成的正激变换器的缓冲电路。图中,当Q关断时,集电极电压开始
2018-11-21 16:22:57
教你区分有源蜂鸣器和无源蜂鸣器
两者的高度略有区别,有源蜂鸣器a,高度为9mm,而无源蜂鸣器b的高度为8mm。如将两种蜂鸣器的引脚都朝上放置时,可以看出有绿色电路板的一种是无源蜂鸣器,没有电路板而用黑胶封闭的一种是有源蜂鸣器。 迸
2013-12-10 17:17:38
有源电路和无源电路的区别是什么
有源电路和无源电路的区别一、是否包含有电子器件。凡包含有电子器件(如电子管、晶体管、集成电路等)的电路就是有源电路,而不包含这些器件只是由RCL等基础元件组成的电路就属于无源电路。例如只是由RC组成
2021-12-31 06:15:43
有源功率因数校正电路和无源功率因数校正电路介绍
。根据是否采用有源器件可将拓扑分为有源功率因数校正电路和无源功率因数校正电路。 (1) 无源功率因数校正电路 无源功率因数校正电路是在二极管整流电路中增加电感、电容等无源器件来抑制电路工作中的电流脉动
2023-04-03 14:37:48
有源晶振与无源晶振相关资料下载
在电子学上通常将含有晶体管元件的电路称作“有源电路”(如有源音箱、有源滤波器等),而仅由阻容元件组成的电路称作“无源电路”。 晶体振荡器也分为无源晶振和有源晶振两种类型。无源晶振与有源晶振
2021-05-25 06:20:01
有源晶振和无源晶振在电路板中的成本计算
众所皆知,无源晶振的价格通常比有源晶振的成本低得多,追其所在只因有源晶振无需外部电路借助起振,其内部集成石英晶体、晶体管、电阻电容等元件,只需要外加适当电源就能正常工作。而无源晶振自身无法震荡,需要
2015-01-30 11:06:01
有源滤波器和无源滤波器的区别
模拟电路1.有源滤波器和无源滤波器的区别无源滤波器:这种电路主要有无源元件R、L和C组成有源滤波器:集成运放和R、C组成。具有不用电感、体积小、重量轻等优点。集成运放的开环电压增益和输入阻抗均很高
2021-07-22 08:19:19
此“源”非彼“源”——有源和无源器件的“源”
有源器件、无源器件的“源”指“驱动源”或者说是“策动源”,只是这个“源”对电子器件而言往往来自“电源”所以才有误用,说“误用”是因为技术语言必须是严谨的,源不等于电源,正如电压源、电流源不能简单
2012-03-09 09:18:19
求教! 无缘蜂鸣器与有源蜂鸣器区别?为什么 驱动无源的电路+程序
驱动无源的电路+程序 也可以驱动有源蜂鸣器?
补充内容 (2017-3-14 21:48):
本来设计的是用 无源蜂鸣器,后来用错凤鸣器,焊接成了有源的了,但是结果发音正常,好像和无源凤鸣器一样
2017-03-14 16:40:44
电动车锂电池充电器拓扑结构
的输出波形。2.单相三电平无源无损软开关PFC电路尽管采用三电平PFC拓扑结构,在相同输出电压条件下,开关管的电压应力减小一半,从而使相应的通态损耗和开关损耗有所减小,但当开关频率较高时,这些损耗依然
2013-05-17 11:36:19
电压源、电流源及其等效变换
电压源、电流源及其等效变换电压源? 铅蓄电池及一般直流发电机等都是电源,它们
2009-09-24 12:01:52
盘点开关电源中的缓冲吸收电路,真的太详细了!
基本拓扑电路上一般没有吸收缓冲电路,实际电路上一般有吸收缓冲电路,吸收与缓冲是工程需要,不是拓扑需要。缓冲电路是控制开关器件快速上升和下降引起的瞬态尖峰的重要办法。它们通常主要是由一些无源器件组成
2021-06-02 16:18:47
请问无源缓冲电路是能提高效率还是把损耗转移到缓冲电路的电阻上去了
有个问题一直困扰我,到底无源有损缓冲电路到底是能提高效率,还是把损耗转移到缓冲电路的电阻上去了!!请高手解答一下!!!
2019-03-08 14:07:55
请问怎样用HVArc Guard去设计缓冲电路?
在设计缓冲电路时,有哪几种不同的无源器件可供选择?HVArc Guard的优点有哪些?怎样用HVArc Guard设计缓冲电路?
2021-04-14 06:24:46
转:有源滤波器和无源滤波器
无源滤波器:这种电路主要有无源元件R、L和C组成。有源滤波器:集成运放和R、C组成,具有不用电感、体积小、重量轻等优点。集成运放的开环电压增益和输入阻抗均很高,输出电阻小,构成有源滤波电路后还具
2011-07-28 10:01:48
集成无源器件有什么优势?
寄生效应、器件兼容性和电路板组装等考虑因素进行仔细的设计管理。虽然集成无源器件继续在业界占据重要地位,但只有当它们被集成到系统级封装应用中时才能实现其最重要的价值。
2019-08-02 08:06:56
集成无源器件的作用是什么?
寄生效应、器件兼容性和电路板组装等考虑因素进行仔细的设计管理。虽然集成无源器件继续在业界占据重要地位,但只有当它们被集成到系统级封装应用中时才能实现其最重要的价值。
2019-07-31 06:38:11
高频串联逆变器谐振极电容缓冲电路的研究
高频串联逆变器谐振极电容缓冲电路的研究
摘要:探讨了一种适合MHz级高频逆变器的无损谐振极电容缓冲器。详细分析了逆
2009-07-06 13:42:39
1320
1320
Undeland缓冲电路在IGBT逆变桥中的应用
将Undeland缓冲电路用于IGBT逆变桥中,通过合理的归并元器件,提出了一种简单、实用的多桥臂逆变电路缓冲拓扑结构。并通过一个400 Hz逆变电路的仿真和实验波形得到验证。
2011-09-23 16:12:10
52
52新型逆变桥臂无源无损耗吸收电路实现方案
提出一种适用于逆变桥臂的无源无损耗吸收电路。该电路采用了附加最少元件数的优化结构,把吸收能量集中传输至一个储能电容,再通过谐振过程将能量回馈至直流母线。该拓扑结构
2011-09-23 16:13:07
48
48双管正激无源无损缓冲电路的设计
为了解决现代开关电源发展申高频化和开关器件硬开关功耗之问的矛盾,对一种双管正激变换器通过谐振电路实现了无源无损软开关,着重分析了谐振电路中的谐振电感和谐振电容的参
2011-10-21 18:47:02
74
74高频逆变器的无损谐振极电容缓冲器的设计
谐振极电容缓冲器的逆变器换流过程分析 图1为简化的含有谐振极电容缓冲器的串联谐振逆变器主拓扑电路。在四个桥臂上的开关器件MOSFET漏源两端分别并联了一个无损电容器,其中C1=C2=C3=C4=C。在感性负载条件下,开关频率f应略高于谐振
2017-12-08 14:46:16
13
13什么是电路拓扑结构_多种pfc电路的拓扑结构介绍
本文介绍了什么是电路拓扑结构,对PFC电路进行了详细介绍,最后介绍了多种无源功率因数拓扑结构与有源功率因数拓扑结构。
2018-01-23 15:26:10
49141
49141
缓冲电路的基本结构_缓冲电路工作原理
本文开始介绍了缓冲电路的概念,其次阐述了缓冲电路的基本结构与缓冲电路的工作原理,最后介绍了缓冲电路的工作波形以及缓冲电路的作用与基本类型。
2018-03-26 13:40:58
71295
71295
无损耗软缓冲电路的开关双管正激式变换器的介绍和工作原理详细概述
介绍了一种具有无损耗缓冲电路的软开关双管正激式变换器。它采用无损耗缓冲技术,使开关管工作在软开关状态,抑制了dv/dl,使开关管的开关损耗下降一半左右。同时缓冲电路本身并不消耗能量,而是将能量返回到系统中,提高了整机效率。文中对其工作原理,缓冲电路的能量转换过程进行了分析,并给出了实验结果及波形。
2018-09-03 08:00:00
26
26解析:开关电源实际电路上的吸收缓冲电路
基本拓扑电路上一般没有吸收缓冲电路,实际电路上一般有吸收缓冲电路,吸收与缓冲是工程需要,不是拓扑需要。 吸收与缓冲的功效:防止器件损坏,吸收防止电压击穿,缓冲防止电流击穿 使功率器件远离危险
2020-10-29 20:14:29
537
537
开关电源中的吸收缓冲电路
本文主要介绍开关电源中的吸收缓冲电路。
电源的基本拓扑电路上一般没有吸收缓冲电路,实际电路上一般有吸收缓冲电路,吸收与缓冲是工程需要,不是拓扑需要。吸收与缓冲的作用如下:
防止器件损坏,吸收
2022-02-10 14:14:36
3304
3304
开关电源之“吸收和缓冲”,你都了解多少?
本文主要介绍开关电源中的吸收缓冲电路。
电源的基本拓扑电路上一般没有吸收缓冲电路,实际电路上一般有吸收缓冲电路,吸收与缓冲是工程需要,不是拓扑需要。吸收与缓冲的作用如下:
防止器件损坏,吸收防止
2021-01-23 07:38:54
26
26[转载]开关电源中的全部缓冲吸收电路解析,收藏了!
基本拓扑电路上一般没有吸收缓冲电路,实际电路上一般有吸收缓冲电路,吸收与缓冲是工程需要,不是拓扑需要。吸收与缓冲的功效:● 防止器件损坏,吸收防止电压击穿,缓冲防止电流击穿● 使功率器件远离危险
2021-10-22 11:51:14
21
21开关电源之“吸收和缓冲”
本文主要介绍开关电源中的吸收缓冲电路。电源的基本拓扑电路上一般没有吸收缓冲电路,实际电路上一般有吸收缓冲电路,吸收与缓冲是工程需要,不是拓扑需要。
2022-02-09 10:37:10
22
22单相并网光伏逆变器主电路拓扑及其优缺点
本文首先对集中型和组串型并网逆变器进行介绍,然后对组串型逆变器的拓扑进行分类,最后主要讲述市场上常用单相并网光伏逆变器主电路拓扑及其优缺点。
2024-03-08 15:16:20
46
46
电子发烧友App










评论