,由于没有用于分析PPG信号的可靠检测算法,医疗市场一直无法使用PRV提供临床诊断,也无法测量健康方面的生物信息,如睡眠阶段、压力状态和疲劳状况等。 本文提供一种可靠的峰值和起始点检测算法,可以
2021-01-28 06:02:27
基于FFT算法的电力系统谐波检测装置,大多采用DSP芯片设计。DSP芯片是采用哈佛结构设计的一种CPU,运算能力很强,速度很快;但是其顺序 执行的模式限制了其进行FFT运算的速度。而现场可编程
2019-06-21 06:25:23
。通常异步电机的故障是由于长时间运行损耗增加、效率降低,所以电机检测比较重要的一项是检测效率。一般情况会有专用测试仪器来检测电机效率,但是都需要拆下电机,安装到专用仪器上进行测试。本文提出了一种基于模型的效率估计算法,用于在正常工况不停机的情况下检测电机效率。
2021-09-01 08:09:47
包含分布式电源的配电网无功优化matlab源代码,代码按照高水平文章复现,保证正确,可先发您文章看是否满足您的要求利用分布式电源的无功补偿能力,提出了一种基于聚类和竞争克隆机制的多智能体免疫算法来
2021-12-29 06:50:23
【摘要】:Xen由于其很低的性能损失,而逐渐成为最受欢迎的虚拟化管理工具之一.但是,它的SEDF调度算法存在在SMP下不能支持全局负载平衡的问题.本文针对此问题提出一种名为IEDF的改进算法.该算法
2010-04-24 10:03:16
国CA8335电能质量分析仪中的谐波专家模式可以直接看到负序谐波、零序谐波和正序谐波的次数和大小,方便用户进行现场分析。 谐波失真分析器谐波及无功电流检测方法对比分析
2009-10-22 16:27:53
Filter)是“用户电力技术”中一种非常重要的装置,它能抑制电流谐波及闪变等,用以补偿负荷电流中的谐波和无功,使电源侧电流保持为正弦波,从而防止谐波对电网的污染和提高功率因数。这种补偿器主要
2019-06-17 05:00:07
,从而影响供电系统的稳定与安全运行。影响电网的质量:高次谐波能使电网的电压与电流波形发生畸变,另外相同频率的谐波电压与谐波电流要产生同次谐波的有功功率和无功功率,从而降低电网电压,增加电路损耗,浪费
2018-07-27 10:37:21
,谐波源分析、谐波检测、畸变波形分析、谐波抑制等都是基本内容,其中很重要的一个方面就是谐波的检测,它是解决其他谐波问题的基础,千万要引起重视。但考虑到电力系统的谐波容易受到随机性、非平稳性、分布性等
2017-09-29 16:01:04
畸变,另外相同频率的谐波电压与谐波电流要产生同次谐波的有功功率和无功功率,从而降低电网电压,增加电路损耗,浪费电网容量。影响供电系统的无功补偿设备:由于传统的无功补偿设备没有抗谐波干扰能力,大量的谐波
2017-08-09 11:34:56
,另外相同频率的谐波电压与谐波电流要产生同次谐波的有功功率和无功功率,从而降低电网电压,增加电路损耗,浪费电网容量。影响供电系统的无功补偿设备:由于传统的无功补偿设备没有抗谐波干扰能力,大量的谐波
2017-11-10 10:27:08
为什么要提出一种数据隐藏新算法?DDE双重差值扩展算法包括哪些?
2021-04-20 07:05:20
什么是谐波电流?谐波电流的影响是什么谐波电流的测试标准和方法电压波动和闪烁解析
2021-03-16 11:27:40
电流和谐波电压的出现,对公用电网是一种污染,它使用电设备所处的环境恶化,也对周围的能耐电力电子设备广泛应用以前,人们对谐波及其危害就进行过一些研究,并有一定认识,但那时谐波污染还没有引起足够的重视。近
2020-06-30 16:02:14
本文设计了一种基于Winpcap的网络视频流识别算法,实现了对网络流媒体的发现。
2021-06-03 06:34:27
介绍一种按键检测电路
2022-01-18 07:41:48
什么是S参数测量?S参数插补算法是什么?介绍一种防止级联的S参数出现相位假信号的具体算法
2021-04-30 07:00:01
应用抗变压器饱和需求的电路。我们使用的模型为功率因数校正 (PFC) 拓扑。分析中将使用一种商用电流检测变压器,用于确定需要的参数,了解如何利用这种信息设计一种可抗饱和的电路。
2019-07-18 07:36:08
基于改进的ADALINE神经网络的DTMF检测算法基于改进的ADALINE神经网络的DTMF解码仿真结果分享一种DTMF信号检测器工程的应用方案
2021-06-03 07:03:11
; 闭环控制方法; 直流电压控制 有源电力滤波器(active pow er filter, APF ) 是目前谐波补偿的一种重要的电力电子装置。大多数传统APF 的谐波电流检测方法基于时域瞬时无功
2008-08-23 17:01:31
怎样去搭建一种电机离散域模型?怎样去分析离散域中的解耦算法?在离散域中怎样去设计一种电流调节器?
2021-09-23 06:54:37
电路设计 指令电流运算电路的核心是DSP,运用扩展dq算法检测负载电流中的谐波和无功分量,并根据无功补偿和谐波抑制装置的补偿目的得出补偿电流的指令信号。补偿电流发生电路则产生跟踪指令电流的补偿电流以达到
2017-05-07 00:13:31
,提高电力系统的供电质量,基于瞬时无功功率理论的ip-iq算法作为谐波和无功电流的检测方法,成为电力系统有源谐波补偿的重要研究课题,使用以DSP-TMS320C5416为核心的数字控制系统对电网信号
2010-04-22 11:31:20
如何利用电流检测放大器去设计一种TWS无线耳塞?如何利用霍尔效应传感器去设计一种TWS无线耳塞?
2021-06-29 06:52:15
治理谐波污染的有效手段。目前有源电力滤波器(APF)是治理电网谐波污染的一种有效手段,APF的补偿原理是实时产生一个与系统中的无功和谐波电流大小相等、方向相反的补偿电流,用以抵消非线性负载产生的无功和谐波
2019-08-06 08:32:31
无刷直流电机可分为哪几种?什么是方波控制?如何去实现一种方波控制算法?有哪些步骤?
2021-08-10 07:14:49
什么是错误控制编码?如何去实现一种错误控制编码的算法?什么是解码算法?
2021-06-21 08:13:28
基于FFT算法的电力系统谐波检测装置,大多采用DSP芯片设计。DSP芯片是采用哈佛结构设计的一种CPU,运算能力很强,速度很快;但是其顺序 执行的模式限制了其进行FFT运算的速度。
2019-11-11 07:47:00
本文基于发送方接收方双向同步算法的原理,提出一种基于时钟漂移与偏移的同步补偿机制(CDCO算法)。
2021-05-17 06:18:14
霍尔检测模块技术有何优势?怎样去设计一种霍尔电流模块?
2021-09-18 08:03:08
公共性充电站具备较好的应用市场前景。现详细介绍一种使用谐波检测方法的有源电力滤波器,对于电动汽车充电站建设规划运营具备较好的意义。APF有源电力滤波器的基本原理APF有源电力滤波器可以对谐波和无功行补偿
2019-12-28 18:08:32
是至关重要的。针对煤矿企业的用电系统,清除谐波的方式一般是使用有源滤波器和无功补偿器这一种方案。这一种方案能有效消除谐波,特别是在煤矿开采和挖掘作业中,对电力的消耗巨大,谐波同样也很大,在这样的电力环境中
2018-12-04 10:12:40
想问一下在运用瞬时无功功率理论检测出谐波电流后怎么做反极性处理啊,看到很多文献是将检测出的谐波电流直接作为指令信号了,不是应该反极性吗?很困惑啊。
2013-05-28 15:43:49
请问怎么设计一种高效低谐波失真的功率放大器?E类功率放大器的工作原理是什么?
2021-04-12 06:31:25
研究对象,对其拓扑结构、补偿分量的检测算法、控制策略等问题作了较系统的研究。在该基础上,介绍一种基于DSP的并联型电力有源滤波器的设计。仿真实验表明所设计的有源滤波器具有良好的谐波补偿特性、自适应补偿能力。
2009-10-23 10:07:53
一、产生背景及原因电力系统中非线性符合大量增加,比如非线性的逆变器、整流器、开关电源等等,由此带来的谐波和无功问题愈来愈严重,俗称谐波污染,这对于电力系统的稳定性、通信安全性以及用电器安全是个必须
2021-12-31 07:26:51
一、 无功及谐波治理现状及未来 3二、 无功及谐波对生产的影响 3三、 无功补偿及谐波治理的解决方案 41供电系统概述 42测试数据(仅供参考
2009-06-30 17:27:37
72 本文介绍了一种不使用滤波器的谐波电流检测方法——电流平均值法,给出了在Simulink 环境下相应仿真模型的建立方法,并对其进行了仿真研究。结果不仅表明电流平均值检测法比
2009-08-05 10:21:09
26 电网中的主要设备都是感性负载,这就要求电源必须提供无功功率。本文论述了一种DSP 控制的新型固态无功功率补偿器,它基于离散傅立叶变换(DFT)的谐波检测方法。该系统采用自
2009-08-15 14:22:50
34 为了准确的检测谐波和无功电流,现阶段的方法很多。本文阐述了传统的ipiq检测方法原理,并对这种方法进行分析,针对它产生误差的原因,得出了一种改进的 检测方法,并进行了
2010-08-04 14:51:57
17 在本文中讨论了瞬时无功功率理论对电网的三相对称电流的变换,当电网电压为正弦波时,有功电流iP (无功电流iq)只含有6n次谐波( n为正整数) ,并由此设计出积分算法低通数字滤波
2010-08-06 17:20:16
28 为拓展单相光伏并网无功补偿功能,实现单相并网系统无功和谐波电流的精确检测和补偿,提出一种改进的新型瞬时无功与谐波电流检测及补偿方法。该方法以瞬时无功理论为基础,
2010-10-21 15:54:13
65 摘要:提出了电力系统无功电流的ip-iq检测方案,给出了用87C196单片机实现无功电流实时检测的具体方法,该检测系统不但可以快速准确地进行无功检测,同时还可
2006-03-11 11:46:30
927 
无功补偿
人们对有功功率的理解非常容易,而要深刻认识无功功率却并不是轻而易举的。在正弦电路中,无功功率的概念是清楚的,而在含有谐波时,至
2008-11-22 20:44:25
2603 无功电流检测方法对比分析
摘要:基于瞬时无功功率理论,建立了谐波及无功电流检测系统闭环、开环的统一模型,揭
2008-11-23 11:22:19
1635 基于瞬时无功电流理论三相谐波提取的DSP实现
首先回顾和总结了目前谐波提取的方法并比较了各种方法的特点;详细地讨论了一种基于瞬时无功电流理论三相谐波提取
2009-06-30 20:35:28
1151 
谐波及无功电流检测方法对比分析
0 引言
APF补偿电流的检测不同于电力系统中的谐波测量。它不须分解出各次谐波分量,而只须检测
2009-07-06 08:16:18
809 
方波有源滤波器谐波电流检测的一种新方法
1引言
随着电力电子技术的发展,电力电子装置的应用日益广泛,引起的电
2009-07-10 09:34:06
943 
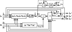
广义瞬时无功理论谐波检测原理图
广义瞬时无功理论谐波检测原理图
三相补偿式稳压电源
2009-07-17 08:14:36
795 
补偿电铁谐波及无功电流的有源滤波器的研究
0 引 言
电铁牵引负荷对电力系统的影响主要反映在功率因数、负序及高次谐波电流等方面。负序电流
2009-11-12 17:30:37
687 
瞬时无功功率理论谐波检测中低通滤波器的应用
引言 随着电力电子技术的发展,电力电子装置带来的谐波问题对电网安全、稳定、经济运行带来了极
2009-11-30 09:38:24
1364 
摘要:本文基于广义dqk旋转坐标变换的谐波电流检测理论,以单相电路间谐波检测为对象,通过对谐波频率倍频,提出了单相电路间谐波检测技术;并基于DSP微处理器研究了该技术工程化方法,包括采样倍频算法、旋转变换算法、Q格式等DSP算法,并仿真验证。最后,
2011-03-01 14:26:20
56 摘要! 对于三相四线制低压供电系统中谐波电流检测# 给出了一种新的检测方法# 并推导了瞬 时功率理论该方法电路结构简单$计算量小$可靠性高#便于实现和应用% 仿真实验表明# 该方法
2011-04-06 15:50:45
47 针对电气化铁道供电系统对谐波及 无功电流检测 的要求,本文介绍了两种检测方法,并分别给出了检测原理图。前者是基于鉴相原理的瞬时谐波电流检测法;后者是基于瞬时无功功率
2011-06-30 17:34:04
36 针对已有高电压 无功补偿 装置存在的不能对补偿电容进行有效保护、运行可靠性差、易造成谐波污染等不足,设计了一种集谐波检测、记忆、治理和过电压、超温度保护于一体,功能
2011-08-22 15:30:43
69 提出基于补偿电流最小原理的谐波与无功电流检测方法。给出一种用所推荐方法实现的有源电力滤波器结构图。用人工神经网络实现了谐波与无功电流检测网络。理论分析和仿真结果证
2011-09-07 17:39:05
44 介绍一种基于坐标变换的谐波和无功电流检测法.并对该方法进行了理论分析和仿真研究仿真结果表明这种检测方法无论电源畸变与否都可以准确检测出谐波和无功电流.
2011-09-23 16:06:17
32 由瞬时无功功率理论可知三相三线制电网的三相对称电流变换到- 坐标中所得到的有功电流i P (无功电流iQ)只含有3 n 次谐波( n 为整数) ,据此设计出一种新型的低通数字滤波器。该滤波器
2011-09-26 14:36:50
31 有源电力滤波器是当前对电网中谐波污染的有效手段, 基于瞬时无功功率理论提出了一种能同时检测瞬时无功电流和高次谐波电流的检测方法, 研制了采用这一检测方法的80C196KC 有源电力
2011-09-26 14:40:58
25 采用滤波器对畸变电流进行滤波和补偿是解决电网谐波和无功干扰的重要手段,也是消除谐波电流对电网影响的最终措施。有源电力滤波器原理图如图1.1所示,有源滤波器向电网注入与负
2012-04-19 09:32:49
1278 
结合基于瞬时无功功率理论的ip-iq检测方法和基于传统功率理论的闭环自适应检测方法两者的优点,设计一种新的检测方法,该方法具有较好的鲁棒性和动态响应速度。同时由于逆变器采
2013-09-26 16:14:30
125 基于瞬时无功功率的谐波电流检测方法的ip-iq检测法,能够更准确的检测电网中谐波,对电能质量水平的提高有着重要意义。
2016-05-19 09:38:44
12 一种改进的无锁相环FBD谐波电流检测方法_王清亮
2017-01-05 15:24:15
2 一种改进的无功及谐波电流检测方法_毛宇阳
2017-01-08 11:20:20
2 三相四线制变频电网的谐波及无功电流检测_高峰
2017-01-08 13:49:17
2 谐波抑制和无功功率补偿电能质量
2017-02-07 17:08:34
20 一种用于高精度电能表的谐波算法研究_王振坤
2017-03-19 11:45:57
1 基于LPC1114的加窗差值FFT算法的谐波检测设计
2017-09-25 09:00:36
13 摘要:针对电网净化过程中的谐波检测问题,本文阐述了基于瞬时无功功率理论的ip-iq谐波检测法的原理,建立了该方法的仿真模型,设计了电流信号调理电路和锁相环及倍频电路等硬件电路,搭建了相应的实验系统
2017-10-27 17:38:29
7 为了能够有效地治理谐波,提高电力系统中谐波信息的检测精度,提出了自适应锁相环的分次谐波检测优化算法。首先,研究了改进自适应锁相环的设计方法,并且构造了相应的数学模型;其次,设计了分次谐波检测优化算法
2017-10-30 16:16:15
11 利用新型的电力电子、计算机和控制技术研制开发各种改善电能质量的电能质量控制装置是二十一世纪用户电力技术的发展方向,也是柔性交流配电系统重要的研究方向之一。 实时检测电网中非线性负载电流中的谐波
2017-11-02 15:38:25
8 缺点,文中提出一种基于BP神经网络的谐波检测算法,只需将检测到的三相负载电流以及程序生成的A相模拟旋转角作为系统的输入,通过神经网络的计算便可以得到三相基波电流,再用负载电流减去基波电流便可以得到需补偿的谐波成分,通过Ma
2017-11-10 14:26:50
20 ,对其直流侧电压的稳定和上下电容的均压控制作了分析,与无功和谐波电流检测结合起来形成了双闭环结构,进一步增强补偿效果,然后对指令电流D 戈和其跟踪控制作了简要阐述。最后利用Matlab/Simulink对系统进行了仿真,验证了该方法的正确
2017-12-06 16:55:21
11 电网波形过零点偏移和闪变等新的问题,其高精度的检测越来越受到学者们的关注。目前对间谐波的检测方法主要有:快速傅里叶变换法、Prony方法、改进型支持向量机(SVM)算法和小波变换法等[。傅里叶要求分析窗宽度为各个频率信
2017-12-12 16:08:05
2 孤岛检测技术是并网逆变器运行所必须具备的关键技术。传统有源孤岛检测方法注入的扰动影响电能质量。为了解决该问题,提出一种基于无功电流控制的孤岛检测方法,通过控制无功电流使其产生的频率偏移方向与有功电流
2018-01-16 11:05:38
3 准确、实时地检测出电网中的谐波电流和无功电流是抑制谐波和无功补偿的关键。依据瞬时无功功率理论,对三相谐波电流进行了检测。证明了基于瞬时无功功率理论的谐波检测方法的可行性及有效性,为抑制谐波和无功补偿提供准确、实时的谐波及无功分量。
2018-01-23 11:04:16
13047 
( Fast Fourier Transform.FFT)因易于嵌入微机实现而成为谐波分析的主要工具。 为满足谐波分析的高准确度需求,本文在现有插值算法的基础上,提出了一种多谱线插值的频谱校正算法。阐述了多谱线插值的算法原理和多项式曲线拟合的修正过
2018-04-23 09:34:48
2 目前,谐波抑制的一个重要趋势是采用有源电力滤波器(Active Power Filter—APF)。而该滤波器性能的好坏与它所采用的谐波电流检测方法有很大关系。因此,如何实时准确地检测出非线性负载电流中的谐波及无功电流是有源电力滤波器(APF)的关键技术。
2018-12-31 11:27:00
3840 
的频率以及规定的电压幅值。谐波电流和谐波电压的出现,对公用电网是一种污染,它使用电设备所处的环境恶化,也对周围的能耐电力电子设备广泛应用以前,人们对谐波危害就进行过研究,并有认识,但那时谐波污染还严惩
2018-09-20 18:26:22
885 在对电网谐波治理和无功补偿时,需要实时检测分析电网中的谐波和无功电流,以便对电网中的谐波电流进行抑制和补偿无功功率。本文对小波变换算法在电网谐波电流检测中的应用做了研究,该算法利用mallat分解
2019-03-01 09:17:40
7 基于有源电力滤波器对谐波及无功电流检测的实时性和准确性的要求,本文对单相电路谐波及无功电流检测提出了两种方法,即基于瞬时无功功率理论检测法和基于有功电流分离法的检测方法,给出了两种方法的检测原理,并分别对其进行了仿真研究。仿真结果表明,前者的检测结果时延大,动态响应速度慢,但其检测结果更准确。
2019-07-24 08:00:00
12 根据瞬时无功功率的基本理论, 论述单相电路的谐波检测方法。 利用瞬时无功功率法把待测瞬时电压电流经线性变换后相乘, 从而分离与基波电流对应的瞬时功率或瞬时电流中直流量的本质思想, 构造出实现单相电
2019-07-24 08:00:00
14 本文提出一种新型单相电路谐波与无功电流的实时检测方法。该方法通过构造不对称的三相电流系统,并运用d90同步坐标变换,即可实时获得该单相电流包含谐波、无功分量在内的相关信息。理论分析和实验结论表明
2019-07-24 08:00:00
11 为了解决单相电路瞬时谐波及无功电流检测方法存在的不足, 本文利用三角函数的有关特性, 提出了一种新的单相电路谐波和无功电流实时检测方法, 它通过计算得到基波有功和无功电流, 进而得到谐波电流。其优点
2019-07-24 08:00:00
4 在基于 ip-iq 和 d-q 法的单相、三相电路检测方法中,检测性能受锁相环的输出信号误差制约。不带锁相环的检测方法难以分离出基波有功、基波无功电流。文中提出预设一个任意频率、任意相位的正弦
2019-07-24 08:00:00
8 混合动态滤波补偿装置以并联方式接入配电系统,实时监测系统的电流分量,通过控制计算及逻辑变化,计算出系统所需的无功分量及谐波分量,然后通过三相全桥换流电路实时产生系统所需要的无功与谐波电流注入到配电系统中,实现智能补偿,兼谐波治理。
2021-11-23 14:33:47
1487 
Sinexcel增强型静止无功发生器(ASVG)通过外部电流互感器(CT)实时检测负载电流,通过内部DSP计算后提取出负载电
流的无功成分和谐波,然后将PWM信号发送给内部IGBT根据设置来控制逆变器产生满足要求的无功电流和低次谐波电流,
达到无功补偿兼治谐波的目的。
2022-06-01 13:58:31
979 
有源电力滤波器以并联方式接入电网,实时检测补偿对象的电压和电流,经指令电流运算单元计算,采用脉宽调制信号(PWM)变换技术驱动IGBT模块。向电网输入与电网谐波电流相位相反、大小相等的电流,两种谐波电流正好相互抵消,从而达到滤除谐波、动态补偿无功的功能,得到期望的电源电流。
2022-06-20 09:17:29
1204 ,影响电网正常运行并减少电容器使用寿命。 谐波对企业的危害 无功补偿电容器和谐波有很大的关系,因为电容器可能会放大谐波电流,甚至在企业电网中形成并联谐振。谐波电流会使用电设备长期处于过电流状态下工作,减少其使用
2023-04-17 15:40:22
837 
经过控制器进行控制的,但无功输出时电流谐波增大却是一种很常见的情况。那么无功输出时电流谐波增大究竟是怎么回事呢?
2023-08-18 14:36:26
580 
评论