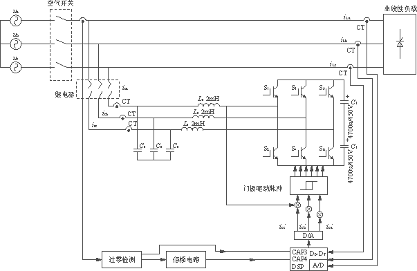
器件,通过IGBT逆变器和内部电抗器向外输出补偿电流提供能量。ANANSPC通过外部CT实时采集电流信号送至信号调理电路,然后再送至控制器。控制器将基波成分分离,提取出所有的谐波电流、无功电流、三相
2019-02-18 13:06:47
` XL-803三相交流标准源可以产生频率可调、相角可调、功率稳定的三相大功率工频电压、电流信号。主要用于电流、电压、相位、频率、功率表的试验和检定;也可配合标准功率电能表,对电能表(电度表
2017-08-03 10:29:52
长直载流导线周围的磁场与导线有何关系?反时限过电流保护其动作时间随电流的大小怎样去变化呢?三相交流电路的功率也分有功功率和无功功率吗?
2021-09-14 06:04:23
校验 ( 标准源 ),或实负荷校验 ( 钳形夹测电流 )。●变送器检测:检测电量变送器的基本误差,兼具直流纹波及响应时间的测量功能。●谐波功能:三相电量可加载 2 ~ 21 次,幅度 / 相位均可
2018-07-04 10:23:19
因素,选择电源频率是应留有适当余量。混合负载:频率漂移、波形失真、杂讯干扰、谐波干扰、建波脉冲、电压浪涌、电压不足、电压下陷。4、三相变频电源超载能力强。瞬间电流可承受3倍的额定电流。5、三相变频电源
2018-10-12 10:22:56
三相导轨式电流互感器有何特点?三相导轨式电流互感器的规格参数有哪些?
2021-08-12 07:28:53
三相异步电机的空载电流是额载电流的多少
2023-12-26 06:50:02
三相桥式半控整流电路理论及MATLAB仿真实现
2012-08-20 13:27:21
三相桥式整流电路后加滤波电容,之后进行逆变,在输出相同电流但逆变频率不同的情况下,对电容的纹波电流有何影响?有没有理论推导之类的?完整电流形式为:三相输入-整流-电容滤波-逆变-输出(类似变频器
2020-07-23 00:48:49
三相电力调整器是通过对电压、电流和功率的精确控制,从而实现精密控温。并且凭借先进的数字控制算法,优化了电能使用效率。对节约电能起了重要作用。
2019-11-06 09:02:20
解决了这个难题,该装置具有在补偿系统无功的同时调整不平衡有功电流的作用。其理论结果可使三相功率因数均补偿至1,三相电流调整至平衡。 实际应用表明,可使三相功率因数补偿到0.95以上,使不平衡电流调整
2018-10-15 16:25:57
瞬时功率理论计算瞬时有功、无功功率,该方法在三相输入电压不对称等非理想的情况下获得了较好的控制效果。 3.5 基于功率预测的直接功率控制(P-DPC) 基于功率预测的DPC系统[17-19]可以分为定
2011-07-18 08:35:06
三相电机控制理论
2014-08-26 13:59:18
三相电路-相序、电流、电压及功率的测量实验测量任务 实验测量任务1. 1. 三相相序的测定 三相相序的测定2. 2. 三相四线制星型 三相四线制星型: a) : a) 对称负载 对称负载 b) b
2008-12-17 13:39:38
交流电路电流、电压的测量",电路如图1所示。要求学生先连好电路,再根据三相电路理论知,测量各相、线的电压电流。其中,电路各线均可开、短路,最后根据测量结果对电路特性做一总结。在这里,问题就出来了,学生
2012-10-29 21:18:04
这是三相相序保护产品的原理图,想请教下,这个三相是通过什么原理识别出来的?还有这个三相识别的功能要是去掉,要如何去改电路呢?请大神告知下,谢谢。
2017-08-28 16:36:35
三相相位伏安表功能特点简介 1. 同时测量三相电压或四路电流(包含零线电流); 2. 同时测量三相交流电压相角、电流相角、功角; 3. 测量电网频率和相序; 4. 自动判别
2021-10-09 08:31:24
三相短路电流怎么计算?
2021-10-21 07:05:31
三相交流电流变送器是一种将电网中的三相交流电流隔离变送成线性的直流模拟信号的装置。
2019-09-12 09:10:29
由于三相不平衡电流可以分解为正序、负序、零序三个分量,负序分量产生的旋转磁场与正序分量产生的旋转磁场相反,起到制动作用。但由于正序磁场比负序磁场要强得多,电动机仍按正序磁场方向转动。而由于负序磁场
2015-05-18 16:37:58
三相电流互感器AKH-0.66Z的特点是什么?三相电流互感器AKH-0.66Z有哪些参数?
2021-08-06 06:14:24
正向旋转。负序谐波为逆向旋转,产生的磁场抵消基波产生的磁场。零序谐波不旋转,但会叠加到三相四线制系统中的中性线上。在三相四线制系统中,一些谐波能够相互抵消,另一些却会相互叠加,致使谐波被放大。 应用法
2009-10-22 16:27:53
最近在用Labview做三相电流不平衡度以及谐波的相关问题,其中用到了FFT模块,用以输出各次谐波的幅值和相位,然后用For循环编写各次谐波正负零序分量的计算,我用负序分量来说明问题,程序如下1.
2013-10-14 17:30:46
调的谐波,完成谐波影响量试验。●压接接线 ( 选件 ):装有半自动压接接线装置,无须手动连线,方便用户快速检表。三相电压 / 电流输出输出特性:●电压输出范围:0 ~576 V,负载能力:15 VA
2018-07-09 17:17:42
,为接下来的项目描述:本项目所生产仪器主要用于对电网中三相电流电压幅值、频率以及2-51次谐波各相参数测量,以及三相不平衡度、有功功率、无功功率、骤升骤降、闪边等信息的测量。仪器首先通过采样
2015-09-10 11:17:56
申请理由:做过三相逆变器,有源电力滤波器,变频器,都是采用DSP完成采样及控制算法的实现。实验室现有TMS320F28335的DSP开发板,早就知道有更快速、内存更大的6系列的DSP,但一直没有一睹
2015-09-10 11:21:35
为什么三相对称绕组中经过三相对称电流会产生圆形磁场呢?
2023-03-06 18:01:33
为什么三相系统中三次谐波电动势大小相等相位相同?我想知道理论分析
2023-04-13 10:59:17
功率因数也能实现高精度测量*支持樶大AC 5000A输入,带外部电流传感器输入端口* 樶多可同时控制8台仪器基本精度测量线路单相2线、单相3线、三相3线、三相4线(每个接线均可设置电压/电流量程) 测量
2019-11-18 10:26:51
什么是SVPWM的三相正弦波电流采样?如何对SVPWM的三相正弦波电流采样进行仿真?
2021-10-09 07:38:50
信号。此设计使用基于 TPS76333 的电容液滴电源来提供一种低成本的电源解决方案。其中提供了硬件和软件设计文件,以便计算三相电能计量的各种参数,例如 RMS 电流和电压、有功和无功功率及电量
2018-12-12 14:14:36
传感器的电流消耗降至 2µA 以下三相电能计量超出 ANSI 和 IEC 的 0.2 类精度要求TI 能源库固件可计算所有电能计量参数,包括有功和无功功率、有功和无功电能、均方根 (RMS) 电流和电压、功率因数以及线路频率
2022-09-16 07:04:17
电力滤波器混和使用,根据供电系统的要求,设计合理的混合方案,做到性价比最优。使用者不但提高功率因数而且有效降低供电电网的谐波,是大功率供电系统的优选方案。2、供电电压三相平衡和无功问题:现在的楼宇供电
2018-01-20 14:38:38
Matlab/Simulink电力系统——无穷大功率电源供电系统三相短路的短路电流提取仿真本次利用simulink建模仿真无穷大功率电源供电系统三相短路的短路电流提取,其等效电路如图所示:使用软件版
2021-12-27 06:14:53
MCP3909RD-3PH3,MCP3909和dsPIC33F三相电表参考设计是一款功能齐全的电能表,具有许多先进功能,如谐波分析,每相失真信息,垂度检测,四象限电能测量以及有功和无功功率计算。它
2020-03-17 09:59:52
α\alphaα比β\betaβ超前90度,和我们单相时构造两相延迟90度是完全一致的。但是单相和三相dq变换还是有差异的,主要是在高次谐波上,三相dq变换的结果是正序降频,负序升频,其三相电流的每一次...
2021-07-09 07:46:24
描述此设计实现了高度集成的单芯片电量计量解决方案,支持 Rogowski 线圈电流传感器。其中提供了硬件和软件设计文件,以便计算多相电能计量的各种参数,例如 RMS 电流和电压、有功和无功功率及电量
2018-12-13 11:46:32
浏览器显示在任何 Wi-Fi 连接的设备上。主要特色采用三相电表实现方式,可计算 RMS 电流、RMS 电压、有功和无功功率及电量、功率因数和频率等计量参数基于 IEEE-802.11 b/g/n 网络
2018-12-14 15:33:00
全数字控制的并联有源电力滤波器。采用了基于能量守恒原理的直流侧电压控制方法,该方法能对谐波实现全补偿。并且该控制策略对于不平衡的三相系统仍然有效。对不对称谐波源进行补偿后可使三相电流保持对称。仿真与实际测试结果表明了该控制策略的正确性。可使系统具有良好的谐波抑制特性和响应速度。来源:21ic
2011-07-15 08:45:34
DSP技术芯片的出现极大的改善了开关电源的研发和设计思路,也为工程师的研发工作提供了诸多便利。在今明两天的方案分享中,我们将会为大家分享一种基于DSP技术的三相逆变电源设计方案。在今天的分享中
2018-11-20 17:01:35
如图3所示。 4实验结果与分析 为了验证上述谐波检测和控制方案的有效性以及由此构成的基于DSP的并联型有源电力滤波器是否能很好地补偿谐波和无功电流,本文进行了实验。采用阻性负载作为三相不控桥式整流器
2017-05-07 00:13:31
,具有动态响应快、开关频率稳定、鲁棒性强、易于实现等优点。因而成为三相PFC 整流器的主流控制算法。但是在三相输入电压对称的情况下进行研究而在三相电压不对称的情况下,输入电流虽然仍能保持低的电流畸变,但
2018-10-10 15:22:08
可编程逻辑器件,具有高效的并行执行能力,处理一些逻辑判断,移位操作等具有天然的优势。 传统的基于FPGA实现三相SVPWM,通常避免不了进行一些乘除运算,特别是三角函数运算,这些是由sv...
2021-09-13 09:23:22
信号。此设计使用基于 TPS76333 的电容液滴电源来提供一种低成本的电源解决方案。其中提供了硬件和软件设计文件,以便计算三相电能计量的各种参数,例如 RMS 电流和电压、有功和无功功率及电量
2022-09-26 08:01:39
对三相四线制并联型有源电力滤波器的主电路拓扑结构进行了总结分析,提出一种适用于四桥臂有源电力滤波器的无差拍电流控制策略。通过Matlab/Sim-ulink对该控制策略进行了仿真,并给出了仿真波形
2010-05-06 08:51:40
,提高电力系统的供电质量,基于瞬时无功功率理论的ip-iq算法作为谐波和无功电流的检测方法,成为电力系统有源谐波补偿的重要研究课题,使用以DSP-TMS320C5416为核心的数字控制系统对电网信号
2010-04-22 11:31:20
【作者】:辛占强;席自强;黄文聪;齐磊;【来源】:《湖北工业大学学报》2010年01期【摘要】:分析了基于三相瞬时无功功率理论的两种检测谐波和无功电流的方法:p-q运算方式和ip-iq运算方式.并在
2010-04-24 09:03:00
如何实现三相五电平CSI拓扑的设计?三相多电平CSI在选取控制策略时需要考虑哪些因素?三相直接式五电平CSI的调制方式有哪些?
2021-04-14 06:10:34
如何实现三相感应电动机的设计?
2021-11-01 06:22:56
AKH-0.66 Z-10三相导轨式电流互感器的特点是什么?AKH-0.66 Z-10三相导轨式电流互感器有哪些规格尺寸?
2021-08-10 07:51:24
如何对无穷大功率电源供电系统三相短路的短路电流提取进行simulink仿真?
2021-10-15 07:45:44
做一个有源滤波器的控制如何用labview建立电力系统三相谐波源模型求大神指导
2013-11-03 16:55:44
各位大神,三相电路已知相电压与相电流的复数形式,怎样求解电路的有功与无功。。。拜托了,急用,麻烦给出公式,谢谢各位大神啦
2017-10-13 11:41:51
,综述多相感应电动机的功率测量系统研究现状;(2)参照三相感应电动机的电工学理论,推导在对称五相正弦电压供电的五相感应电动机的电压、电流、有功功率、无功功率、功率因数的测量数学理论模型(测量方法
2020-06-18 20:07:56
怎样通过电流去判断三相电机的开关机工作状态?通过电流去判断三相电机开关机工作状态的方法有何优点?
2021-08-11 06:04:57
,以达到动态消除电网谐波及无功电流的目的。如图所示:APF系统主要包含谐波电流提取和指令电流跟踪两个部分。其基础工作方式为:通过谐波计算算法提取由非线性负载造成的谐波及无功电流,再将该电流的瞬时值取反
2019-12-28 18:08:32
等传统的谐波抑制和无功补偿方法的缺点(传统的只能固定补偿),实现了动态跟踪补偿,而且可以既补谐波又补无功;三相电路瞬时无功功率理论是APF发展的主要基础理论;APF有并联型和串联型两种,前者用...
2021-12-31 08:24:02
想问一下在运用瞬时无功功率理论检测出谐波电流后怎么做反极性处理啊,看到很多文献是将检测出的谐波电流直接作为指令信号了,不是应该反极性吗?很困惑啊。
2013-05-28 15:43:49
本帖最后由 hoho201009 于 2013-4-27 12:19 编辑
测产生的三相电流有效值时遇到的问题,通过幅值和电平测量后,在均方根中出来的就一个数。怎么才能得到三相的呢?{:4_105:}
2013-04-27 12:17:46
及综合性效率,实现节能效果。三相异步电机无功就地补偿一次投资较少,操作简便,而且行之有效。无功功率就地补偿原理及电力电容器容量的选取因为在电力电容器负载中产生的超前无功电流与电感负载中产生的滞后无功电流
2020-01-04 17:34:26
用单片机测三相电的电流电压有功功率和无功功率能用proteus仿真出来吗
2022-04-17 12:08:42
`BL6522B是一颗高精度三相多功能电子电能计量芯片,适用于三相三线四线多功能电表电能表应用,具有超高的性价比。1它集成了高精度Sigma-Delta ADC,参考电压电路。能够测量三相各相及合相
2016-05-20 09:14:07
永磁同步机逆变器,三相输入侧采用二极管桥式整流,在加10mh电感后仅剩下五次谐波和七次谐波超过5%,加电容滤波只能把7次控制在5%以内,求大神指导怎么滤除五次谐波???输入电流10A左右
2019-02-26 22:16:24
接入不同数量电容器来使各相达到相应的补偿,具有在补偿系统无功的同时调整不平衡有功电流的作用,其理论结果可使三相功率因数均补偿至1,实际应用表明,可使三相功率因数补偿到0.95以上,减少电流不平衡度。4.3
2017-08-22 16:38:17
)的主要功能是从补偿对象的电流中提取所需的谐波和无功等电流分量。补偿电流发生电路由电流跟踪控制电路、驱动电路和主电路三部分构成,它的作用是根据指令电流运算电路得出补偿电流的指令信号,构造实际的补偿电流。主电路
2009-10-23 10:07:53
为满足三相四线制电力用户在滤除谐波的同时进行无功功率补偿的需要,采用基于三相瞬时无功功率理论的ip-iq检测法,结合无差拍PWM控制方法,通过双DSP芯片控制的主功率电路实现谐波抑制和无功补偿的功能
2010-05-13 09:09:37
、有效值、功率因数及频率测量的数字信号处理等电路,能够测量各相以及合相的有功功率、无功功率、视在功率、有功能量及无功能量,同时还能测量各相电流、电压有效值、功率因数、相角、频率等参数,充分满足三相复费率
2022-03-09 10:19:14
三相并网逆变simulink模型实现三相并网逆变包含了3/2变换,dq左边变换及其逆变换,SVPWM,锁相环,三相并网是电气类专业常见到的基础知识,本文主要阐述了三相并网的仿真实现,其中涉及到
2021-11-15 09:15:31
1.XL-3213三相动态畸变标准功率源产品介绍XL-3213三相动态畸变标准功率源(以下简称XL-3213)可以输出三相交直流电压和三相交直流电流,电压和电流均可输出直流、方波、三角波、正弦波
2023-10-13 14:42:18
在本文中讨论了瞬时无功功率理论对电网的三相对称电流的变换,当电网电压为正弦波时,有功电流iP (无功电流iq)只含有6n次谐波( n为正整数) ,并由此设计出积分算法低通数字滤波
2010-08-06 17:20:16
28 为拓展单相光伏并网无功补偿功能,实现单相并网系统无功和谐波电流的精确检测和补偿,提出一种改进的新型瞬时无功与谐波电流检测及补偿方法。该方法以瞬时无功理论为基础,
2010-10-21 15:54:13
65 无功电流检测方法对比分析
摘要:基于瞬时无功功率理论,建立了谐波及无功电流检测系统闭环、开环的统一模型,揭
2008-11-23 11:22:19
1635 广义瞬时无功理论谐波检测原理图
广义瞬时无功理论谐波检测原理图
三相补偿式稳压电源
2009-07-17 08:14:36
795 
瞬时无功功率理论谐波检测中低通滤波器的应用
引言 随着电力电子技术的发展,电力电子装置带来的谐波问题对电网安全、稳定、经济运行带来了极
2009-11-30 09:38:24
1364 
针对电气化铁道供电系统对谐波及 无功电流检测 的要求,本文介绍了两种检测方法,并分别给出了检测原理图。前者是基于鉴相原理的瞬时谐波电流检测法;后者是基于瞬时无功功率
2011-06-30 17:34:04
36 提出基于补偿电流最小原理的谐波与无功电流检测方法。给出一种用所推荐方法实现的有源电力滤波器结构图。用人工神经网络实现了谐波与无功电流检测网络。理论分析和仿真结果证
2011-09-07 17:39:05
44 介绍一种基于坐标变换的谐波和无功电流检测法.并对该方法进行了理论分析和仿真研究仿真结果表明这种检测方法无论电源畸变与否都可以准确检测出谐波和无功电流.
2011-09-23 16:06:17
32 由瞬时无功功率理论可知三相三线制电网的三相对称电流变换到- 坐标中所得到的有功电流i P (无功电流iQ)只含有3 n 次谐波( n 为整数) ,据此设计出一种新型的低通数字滤波器。该滤波器
2011-09-26 14:36:50
31 有源电力滤波器是当前对电网中谐波污染的有效手段, 基于瞬时无功功率理论提出了一种能同时检测瞬时无功电流和高次谐波电流的检测方法, 研制了采用这一检测方法的80C196KC 有源电力
2011-09-26 14:40:58
25 基于瞬时无功理论与三相全桥Delta逆变器的交流净化稳压电源的设计:用caj浏览器打开
本网原文:http://www.elecfans.com/article/83/147/2010/20100625219664.html。
2016-04-05 15:17:25
13 一种改进的无功及谐波电流检测方法_毛宇阳
2017-01-08 11:20:20
2 三相四线制变频电网的谐波及无功电流检测_高峰
2017-01-08 13:49:17
2 结合基于瞬时无功功率理论的ip-iq检测方法和皋J二传统功率理论的闭环自适应检测方法两者的优点,设计一种新的检测方法,该方法具有较好的鲁棒性和动态响应速度.同时由于逆变器采用三桥臂电容中点式结构
2017-12-06 16:55:21
11 准确、实时地检测出电网中的谐波电流和无功电流是抑制谐波和无功补偿的关键。依据瞬时无功功率理论,对三相谐波电流进行了检测。证明了基于瞬时无功功率理论的谐波检测方法的可行性及有效性,为抑制谐波和无功补偿提供准确、实时的谐波及无功分量。
2018-01-23 11:04:16
13047 
基于有源电力滤波器对谐波及无功电流检测的实时性和准确性的要求,本文对单相电路谐波及无功电流检测提出了两种方法,即基于瞬时无功功率理论检测法和基于有功电流分离法的检测方法,给出了两种方法的检测原理,并分别对其进行了仿真研究。仿真结果表明,前者的检测结果时延大,动态响应速度慢,但其检测结果更准确。
2019-07-24 08:00:00
12 根据瞬时无功功率的基本理论, 论述单相电路的谐波检测方法。 利用瞬时无功功率法把待测瞬时电压电流经线性变换后相乘, 从而分离与基波电流对应的瞬时功率或瞬时电流中直流量的本质思想, 构造出实现单相电
2019-07-24 08:00:00
14 本文提出一种新型单相电路谐波与无功电流的实时检测方法。该方法通过构造不对称的三相电流系统,并运用d90同步坐标变换,即可实时获得该单相电流包含谐波、无功分量在内的相关信息。理论分析和实验结论表明
2019-07-24 08:00:00
11 为了解决单相电路瞬时谐波及无功电流检测方法存在的不足, 本文利用三角函数的有关特性, 提出了一种新的单相电路谐波和无功电流实时检测方法, 它通过计算得到基波有功和无功电流, 进而得到谐波电流。其优点
2019-07-24 08:00:00
4 在基于 ip-iq 和 d-q 法的单相、三相电路检测方法中,检测性能受锁相环的输出信号误差制约。不带锁相环的检测方法难以分离出基波有功、基波无功电流。文中提出预设一个任意频率、任意相位的正弦
2019-07-24 08:00:00
8 本文介绍了有源电力滤波器的发展及其应用、分类及工作原理。分析了基于瞬时无功功率理论的pq法、基于瞬时无功功率理论下的改进型谐波电流检测方法(2法)、基于同步坐标变换的无功与谐波电流的检测方法。对并联
2021-05-13 09:58:19
36 混合动态滤波补偿装置以并联方式接入配电系统,实时监测系统的电流分量,通过控制计算及逻辑变化,计算出系统所需的无功分量及谐波分量,然后通过三相全桥换流电路实时产生系统所需要的无功与谐波电流注入到配电系统中,实现智能补偿,兼谐波治理。
2021-11-23 14:33:47
1487 
经过控制器进行控制的,但无功输出时电流谐波增大却是一种很常见的情况。那么无功输出时电流谐波增大究竟是怎么回事呢?
2023-08-18 14:36:26
580 
评论