完善资料让更多小伙伴认识你,还能领取20积分哦,立即完善>
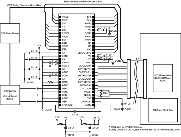
LM98722是一款完全集成的高性能16位,45 MSPS信号处理解决方案,适用于数码彩色复印机,扫描仪和其他图像处理应用。采用相关双采样(CDS)的创新架构实现了高速信号吞吐量,CDS通常用于CCD阵列,或采样和保持(S /H)输入(用于高速CCD或CMOS图像传感器)。信号路径采用8位可编程增益放大器(PGA),+ /?? 9位偏移校正DAC和每个输入独立控制的数字黑电平校正环路。 PGA和偏移DAC独立编程,为三个模拟输入中的每一个提供唯一的增益和偏移值。然后将信号路由至45 MHz高性能模数转换器(ADC)。全差分处理通道具有出色的抗噪能力,噪声基底极低,为74dB。 16位ADC具有出色的动态性能,使LM98722在图像复制链中透明。
包含一个非常灵活的集成扩频时钟生成(SSCG)调制器,有助于EM兼容性并降低系统成本。
| Resolution (Bits) |
| Number of Channels (#) |
| Samples/Sec (MSPS) |
| Output Data Format |
| Supply Voltage(s) (V) |
| Operating Temperature Range (C) |
| Pin/Package |
| LM98722 |
|---|
| 16 |
| 3 |
| 45 |
|
LVDS CMOS |
| 3.3 |
| 0 to 70 |
| 56TSSOP |


