我们在学习电容时,为了让大家更形象,更通俗的去理解这个元器件,都是拿水缸去打比方的。但是对于电感,我们很难拿生活中的例子去类比,所以,在后面的学习中,我们都是用它和电容进行对比记忆。当然,我也会尽量用通俗的方式,让大家理解电感。
在讲解电感之前,需要了解一下同学们对电感有哪些认识。大家可以说说,都用过,或见过哪些电感。大家都跟着我的思路,一步一步往下看。
电感的种类有很多种,比如说共模电感、差模电感、功率电感、滤波电感、贴片电感、磁珠、BUCK电感等等、甚至变压器,也是电感、更甚至,电机也是一种电感。一圈一圈的线圈,绕制在一个磁芯上。
问:BUCK电感是专门用于BUCK电路的电感的意思吗
答:叫法不一样,BUCK 电感也是功率电感
问:一根直的导线呢
答:一根导线,会存在寄生电感,这个感量极小极小。但是对于高频的场合就不能忽略了,我们在后面讲解电感特性后就会有更深的认识。
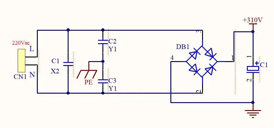
先让大家有一个感官上的认识吧

我们看上面这幅图,这是什么电感啊?是共模电感。
那是通过什么判断出来的啊?其实,常用的电感也就那么几种,所以,对电感完全不知道的同学也不用担心。
对于上面的图片来说,中间是一个圆环形的磁性,外面绕了一匝一匝的线圈,再引出来 4 个脚,先不管怎么去绕制的,后面会和大家分析。以后见到这样的,基本都是共模电感。

大家知道这是什么电路吧。
一个整流桥+ 电容,就可以把一个220V 交流电,整流成 310V直流电。后面等我们学到了二极管,再来深入分析这个电路,目前只需要知道,它是整流用的,AC-DC。
我们在讲解安规电容时,知道了需要在AC-DC电路里面加X Y电容对吧,这是为了抑制差模干扰和共模干扰的。

L PE之间,或N PE 之间的是 Y电容,也叫共模电容,抑制共模干扰的;L N 之间的是 X电容,也叫差模电容,抑制差模干扰的。
但是,要想滤除干扰,只有安规电容,还是不够的,还需要配合电感。

还需要在这里加一个这样的电感,很明显,它是有4个引脚的。这样 4 个引脚的电感,这样的连接方式,叫做:共模电感。是抑制共模干扰的。
至于如何抑制的,原理是什么,我们后面逐步去分析,先建立一个这样的概念即可。
问:共模电感的位置一定是在y电容后面吗?
答:不一定,这个取决于EMC测试结果。
问:LN之间不是差摸吗?
答:后面去分析之后,你会发现这样来连接,对L N 之间的信号是没有任何抑制作用的,只对L PE ,或N PE干扰有抑制。先别急,后面会分析。

那么还有一种共模电感是这个样子的,底下也是 4 个引脚,制作工艺不同,它不光有磁芯,还有塑料骨架,明显好固定一些,引线也不容易断。
第一个共模电感,如果直接焊接在PCB板子上的话,会容易断,有的会做一个固定底座,打胶来固定,但是人工成本高。
问:磁芯是个什么样的东西呢?
答:可以被磁化的一种导磁金属材料。比如说含铁、钴、镍这样的金属元素。
问:也叫铁氧体吧
答:是的,铁氧体是磁芯材料的一种。
问:有的磁性会消失?
答:磁性会消失的叫做硬磁材料,它的磁滞回线是瘦长型的。永磁体可以被磁化是软磁材料 ,它的磁滞回线是很胖很胖的。这里的软硬不是指触摸上的感觉,需要注意。关于磁芯方面的知识,我们硬件班不会深入讲解,因为在反激班会详细讲解。
问:PCB这样的材质能做磁芯吗?
答:PCB 中的铜箔去做磁芯是有这样的工艺,但是硬件班不会去讲解。
我们带大家感官上认识了 2 种样子的共模电感

那么,这样的电感是用来干嘛的啊,叫做什么电感啊?这种电感,叫做差模电感。

我们看上面这幅图,很明显,差模电感只有 2 个引脚。还是那句话,常用的电感就那么几种,大家学完之后,一看便知。
所以,大家以后看到类似于这样的电感,就是差模电感。
问:差模电感不需要一条线一个吗?
答:一般情况下,AC-DC电路可以不用加差模电感,除非EMC测试不通过,或者功率因素太低。
-
元器件
+关注
关注
113文章
5048浏览量
100315 -
电感
+关注
关注
54文章
6291浏览量
106639 -
硬件电路
+关注
关注
39文章
268浏览量
30368
发布评论请先 登录
分析和讲解BUCK降压电源芯片方案
【视频】差模电感讲解
电感式传感器讲解PPT
电感技术讲解
评论