Amphenol All Sensors BFTM系列基础压力传感器:高精度与紧凑设计的完美结合
在电子工程师的日常工作中,压力传感器的选择至关重要,它直接影响到整个系统的性能和稳定性。今天,我们就来深入了解一下Amphenol All Sensors公司的BFTM系列基础压力传感器,看看它有哪些独特的优势和特点。
文件下载:Amphenol All Sensors BFTM系列压力传感器.pdf
一、产品概述
BFTM系列压力传感器采用了该公司的专有技术,在保证卓越性能的同时,最大程度地减小了尺寸。与传统的硅传感器相比,它能显著减少因位置敏感性、封装应力和长期漂移等因素导致的输出偏移误差。其硅微机械应力集中增强结构,为测量压力提供了高度线性的输出。
该系列传感器适用于非腐蚀性、非离子型的工作流体,如空气和干燥气体。它提供与电源电压成比例的比率输出,确保了在苛刻应用中的高精度和可靠性。凭借紧凑的设计和更高的精度,BFTM基础压力传感器非常适合工业和环境监测等需要可靠压力测量的行业。
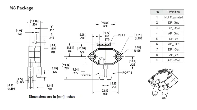
封装图纸

二、产品特点
2.1 超稳定且紧凑的设计
这种设计使得传感器在有限的空间内也能稳定工作,为工程师在设计系统时提供了更多的灵活性。
2.2 增强的精度
高精度的测量能力能够满足各种对压力测量要求严格的应用场景。
2.3 优化的封装
适用于高共模和低差压监测,确保在不同压力环境下都能准确测量。
2.4 单封装集成绝对和差压测量
一个传感器就能实现两种压力的测量,减少了系统的复杂性和成本。
2.5 符合RoHS标准
环保的设计符合现代电子设备的发展趋势。
三、应用领域
3.1 HVAC(暖通空调)
在暖通空调系统中,精确的压力测量对于调节空气流量和温度至关重要,BFTM系列传感器能够提供可靠的压力数据。
3.2 工业控制
在工业生产过程中,对压力的精确控制是保证产品质量和生产安全的关键,该传感器可以满足工业控制中的各种压力测量需求。
3.3 环境控制
在环境监测中,准确测量压力有助于了解大气环境的变化,BFTM系列传感器能够为环境控制提供准确的压力信息。
3.4 质量流量控制器
质量流量控制器需要精确的压力测量来控制流体的流量,该传感器的高精度特性能够满足其要求。
3.5 气体混合器
在气体混合过程中,压力的稳定和准确测量对于混合比例的控制至关重要,BFTM系列传感器可以确保气体混合的准确性。
四、性能参数
4.1 最大额定值
- 电源电压(VS):最大6Vdc。
- 引脚温度(焊接2 - 4秒):270℃。
4.2 环境规格
- 温度范围:工作温度为 -25℃至85℃,存储温度为 -40℃至125℃。
- 湿度限制:0至95%RH(非冷凝)。
4.3 标准压力范围
不同型号的传感器在压力范围、工作压力、单端口耐压、单端口爆破压力和共模压力等方面有不同的参数,例如L02D - 060A型号,工作压力为0 - 60 PSIA(绝对压力)和0 - 2 inH₂O(差压),单端口耐压为100 inH₂O,单端口爆破压力为200 inH₂O,共模压力为250 PSI。
4.4 性能特性
对于绝对元件和差压元件,在偏移电压、灵敏度、温度对偏移的影响、温度对电阻的影响、温度对量程的影响、线性误差、滞后误差、输入电阻、输出电阻和长期稳定性等方面都有详细的参数规定。例如,绝对元件在60 PSIA时的灵敏度为1.92 - 3.42 mV/PSI 。
五、封装与连接
5.1 封装图纸
N8封装的传感器有详细的引脚定义,如引脚2为DP Gnd,引脚3为DP + Out等。这为工程师在进行电路设计时提供了明确的指导。
5.2 Parylene涂层
Parylene涂层为传感器提供了防潮屏障,并能保护其免受一些恶劣介质的影响。与其他提供Parylene涂层的压力传感器供应商不同,All Sensors公司在内部完成这一过程,并使用先进的生产系统来实现最高的精度和可靠性。不过,这种涂层选项不适用于压力范围为±2 inH₂O的传感器。
六、产品推荐配件
6.1 推荐的 female mating connector
Harwin Inc.的Part #M50 - 3030842或等效产品。
6.2 推荐的 tubing
Parker的Part #NB - 4 - 062或等效产品。
6.3 推荐的 manifold seal design
有特定的设计规格,确保传感器与其他部件的连接和密封性能。
七、总结
Amphenol All Sensors的BFTM系列基础压力传感器以其超稳定的性能、紧凑的设计和高精度的测量能力,为电子工程师在压力测量应用中提供了一个优秀的选择。无论是在工业控制、环境监测还是其他领域,它都能满足各种苛刻的应用需求。在选择压力传感器时,工程师们不妨考虑一下BFTM系列,相信它会给你的设计带来意想不到的效果。你在实际应用中有没有遇到过类似的压力传感器呢?它们的表现如何?欢迎在评论区分享你的经验和看法。
-
传感器
+关注
关注
2574文章
54389浏览量
786177 -
高精度
+关注
关注
1文章
736浏览量
26927 -
压力传感器
+关注
关注
35文章
2452浏览量
181634
发布评论请先 登录
基于MPX2100型压力传感器的高精度压力数据采集系统
Polaron P10000系列高精度压力传感器
图尔克智能压力传感器
使用先进的压力传感器提升紧凑型物联网设计的精度和分辨率
NPP-301传感器在压力开关中的应用
高精度TE压力传感器/位置传感器/湿度传感器
井下压力传感器、测井压力传感器
华美澳通的All Sensors压力传感器
华美澳通All Sensors压力传感器系列介绍
从深海到苍穹:高精度压力传感器的跨领域探索之旅

Amphenol All Sensors BFTM系列基础压力传感器:高精度与紧凑设计的完美结合
评论