【博主简介】本人“爱在七夕时”,系一名半导体行业质量管理从业者,旨在业余时间不定期的分享半导体行业中的:产品质量、失效分析、可靠性分析和产品基础应用等相关知识。常言:真知不问出处,所分享的内容如有雷同或是不当之处,还请大家海涵。当前在各网络平台上均以此昵称为ID跟大家一起交流学习!

随着太阳能发电市场的不断壮大,光伏逆变器技术也在不断创新演进。新一代逆变器采用先进的半导体材料和拓扑结构,提高了能量转换效率。智能控制系统和高效散热设计使得逆变器性能更加稳定可靠。
在封装和连接技术方面,模块化设计使得逆变器更易于安装和维护,同时降低了故障率。而数字化和通信技术的应用则实现了远程监控和智能管理,进一步提升了光伏系统的整体效能。
近年来,新型材料如碳化硅和氮化镓逐渐应用于逆变器制造,提升了耐高温性能和电气特性,为逆变器的长期稳定运行提供了有力支持。
当然,其实光伏逆变器技术也是经历了很多次的演进与创新的。从最初的模拟逆变器到现代高效的数字逆变器,不断提升了能源转换效率与可靠性。近年来,随着功率半导体器件的发展,SiC和GaN等材料的应用使得逆变器的开关损耗降低,进一步提高了系统效率。
在智能化方面,光伏逆变器借助先进的控制算法,实现了最大功率点跟踪和电网稳定控制,适应了不同的气候和电网条件,为电力系统的稳定运行贡献巨大。
此外,模块化设计和多电平逆变技术也在不断发展,有效提高了逆变器的可维护性和可扩展性,为未来光伏发电系统的规模化应用提供了支持。

一、光伏逆变器的介绍
光伏逆变器又称电源调整器,可以将光伏太阳能板产生的可变直流电压转换为市电频率交流电的逆变器,可以反馈回商用输电系统,或是供离网的电网使用。
通常,把将交流电能变换成直流电能的过程称为整流,把完成整流功能的电路称为整流电路,把实现整流过程的装置称为整流设备或整流器。与之相对应,把将直流电能变换成交流电能的过程称为逆变,把完成逆变功能的电路称为逆变电路,把实现逆变过程的装置称为逆变设备或逆变器。
如上所述,逆变器有多种类型,因此在选择机种和容量时需特别注意。尤其在太阳能发电系统中,逆变器效率的高低是决定太阳电池容量和蓄电池容量大小的重要因素。

二、光伏逆变器的工作原理
简单来讲,逆变器主要由晶体管等开关元件构成,通过有规则地让开关元件重复开-关,使直流输入变成交流输出。当然,这样单纯地由开和关回路产生的逆变器输出波形并不实用。一般需要采用高频脉宽调制,使靠近正弦波两端的电压宽度变狭,正弦波中央的电压宽度变宽,并在半周期内始终让开关元件按一定频率朝一方向动作,这样形成一个脉冲波列。然后让脉冲波通过简单的滤波器形成正弦波。
其实,逆变技术是将直流电转换为交流电的过程,其中交流电的极性周期性地改变。在独立光伏发电系统中,逆变器通常采用电压源型逆变器。随着全控型电力电子器件和脉宽调制(PWM)技术的发展,桥式主电路和正弦脉宽调制(SPWM)技术已经成为电压源逆变器控制技术的主流。这种技术通过将标准正弦波作为PWM调制波,旨在使逆变器输出电压在滤波后尽可能接近正弦波。为了优化输出,选择性消谐波等高级PWM技术应运而生。
此外,还发展了电流瞬时值滞环跟踪PWM控制技术和针对三相桥式电压型逆变器的电压空间矢量PWM(SVPWM)技术。SVPWM技术以其高直流电压利用率、快速动态响应、低开关损耗和低总谐波畸变率等优点,在三相电压型逆变器控制中的应用越来越广泛。
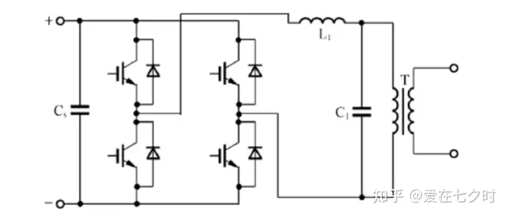
离网型光伏发电逆变电路通常采用电压源型逆变器。例如,单相全桥电压源型逆变器的结构包括直流侧滤波电路Cs、交流输出滤波器L1和C1以及变压器T。

三、光伏逆变器的功能
逆变器不仅具有直交流变换功能,还具有最大限度地发挥太阳电池性能的功能和系统故障保护功能。归纳起来有自动运行和停机功能、最大功率跟踪控制功能、防单独运行功能(并网系统用)、自动电压调整功能(并网系统用)、直流检测功能(并网系统用)、直流接地检测功能(并网系统用)。这里简单介绍自动运行和停机功能及最大功率跟踪控制功能。
1、自动运行和停机功能
早晨日出后,太阳辐射强度逐渐增强,太阳电池的输出也随之增大,当达到逆变器工作所需的输出功率后,逆变器即自动开始运行。进入运行后,逆变器便时时刻刻监视太阳电池组件的输出,只要太阳电池组件的输出功率大于逆变器工作所需的输出功率,逆变器就持续运行;直到日落停机,即使阴雨天逆变器也能运行。当太阳电池组件输出变小,逆变器输出接近0时,逆变器便形成待机状态。
2、最大功率跟踪控制功能
太阳电池组件的输出是随太阳辐射强度和太阳电池组件自身温度(芯片温度)而变化的。另外由于太阳电池组件具有电压随电流增大而下降的特性,因此存在能获取最大功率的最佳工作点。太阳辐射强度是变化着的,显然最佳工作点也是在变化的。相对于这些变化,始终让太阳电池组件的工作点处于最大功率点,系统始终从太阳电池组件获取最大功率输出,这种控制就是最大功率跟踪控制。太阳能发电系统用的逆变器的最大特点就是包括了最大功率点跟踪(MPPT)这一功能。

四、光伏逆变器的工作环境
1、光伏逆变器要求具有较高的效率
由于2011年太阳电池的价格偏高,为了最大限度地利用太阳电池,提高系统效率,必须设法提高逆变器的效率。
2、光伏逆变器要求具有较高的可靠性
2012年光伏发电系统主要用于边远地区,许多电站无人值守和维护,这就要求逆变器具有合理的电路结构,严格的元器件筛选,并要求逆变器具备各种保护功能,如输入直流极性接反保护,交流输出短路保护,过热、过载保护等。
3、光伏逆变器要求直流输入电压有较宽的适应范围
由于太阳电池的端电压随负载和日照强度而变化,蓄电池虽然对太阳电池的电压具有重要作用,但由于蓄电池的电压随蓄电池剩余容量和内阻的变化而波动,特别是当蓄电池老化时其端电压的变化范围很大,如12V蓄电池,其端电压可在10V~16V之间变化,这就要求逆变器必须在较大的直流输入电压范围内保证正常工作,并保证交流输出电压的稳定。
4、光伏逆变器在中、大容量的光伏发电系统中,逆变电源的输出应为失真度较小的正弦波
这是由于在中、大容量系统中,若采用方波供电,则输出将含有较多的谐波分量,高次谐波将产生附加损耗,许多光伏发电系统的负载为通信或仪表设备,这些设备对电网品质有较高的要求,当中、大容量的光伏发电系统并网运行时,为避免与公共电网的电力污染,也要求逆变器输出正弦波电流。

五、光伏逆变器应用技术—实操设备培训
以下是本章节要跟大家分享的关于光伏逆变器应用技术—实操设备培训的内容了,如有不当或是遗漏之处,还请大家指正:











因为本PPT章节太多,剩下部分如有朋友有需要,可私信我邀请您加入我“知识星球”免费下载PDF版本。注意:此资料只可供自己学习,不可传阅,平台有下载记录,切记!欢迎加入后一起交流学习。

六、光伏逆变器的作用
光伏逆变器不只具有直交流变换功用,还具有最大限制地发扬太阳电池功能的功用和系统毛病维护功用。归结起来有主动运转和停机功用、最大功率跟踪节制功用、防独自运转功用、主动电压调整功用、直流检测功用、直流接地检测功用
1、主动运转和停机功能
早晨日出后,太阳辐射强度逐步加强,太阳能电池的输出也随之增大,当达到逆变器任务所需的输出功率后,逆变器即主动开始运转,进入运转后,逆变器便每时每刻看管太阳能电池组件的输出,只需太阳能电池组件的输出功率大于逆变器任务所需的输出功率,逆变器就继续运转;直到日落停机,即便阴雨天逆变器也能运转。当太阳能电池组件输出变小,逆变器输出接近0时,逆变器便构成待机状苍
2、最大功率追踪MPPT功能
当日照强度和环境温度变化时,光伏组件输入功率呈现非线性变化,光伏组件既不是恒压源,也不是恒流源,它的功率随着输出电压改变而改变,和负载没有关系。它的输出电流随着电压升高一开始是一条水平线,到达一定功率时,随着电压升高而降低,当到达组件开路电压时,电流下降到零。
3、孤岛效应的检测及控制功能
在正常发电时,光伏并网发电系统连接在电网上,向电网输送有效功率,但是,当电网失电时,光伏并网发电系统可能还在持续工作,并和本地负载处于独立运行状态,这种现象被称为孤岛效应。逆变器出现孤岛效应时,会对人身安全,电网运行,逆变器本身造成极大的安全隐患,因此逆变器入网标准规定,光伏并网逆变器必须有孤岛效应的检测及控制功能。
4、电网检测及并网功能
并网逆变器在并网发电之前,需要从电网上取电,检测电网送电的电压、频率、相序等等参数,然后调整自身发电的参数,与电网参数同步一致,完成之后才会并网发电。
5、低电压穿越功能
当电力系统事故或扰动,引起光伏发电站并网点电压出现电压暂降,在一定的电压跌落范围内和时间间隔内,光伏发电站能够保证不脱网连续运行。

七、光伏逆变器的应用领域
在离网型三相光伏发电系统中,逆变器有两种方式:
一种是由三个单相全控桥逆变器组合而成的三相电压源逆变器,但这种方式元件多、成本高、体积大;
另一种是采用三相桥式电压源型逆变器,它通过三个桥臂构成的变换器替代三组单相全控桥逆变器,具有结构简单、成本低、体积小的优点,应用更广泛。
并网型光伏发电逆变器控制的主要目标是确保逆变器输出电压的幅值、频率和相位与电网一致,同时保持输出电流波形的谐波最小,实现向电网无扰动平滑供电。
根据功率级数的不同,并网型光伏发电系统中的功率变换器分为单级式和两级式两种结构。单级式结构较简单,无需DC-DC环节,光伏阵列直接通过逆变器并网,但这种结构在电网与光伏发电系统直流母线间缺乏能量解耦环节,使得实现MPPT、逆变和并网控制的算法变得更加复杂。
根据逆变器输出与电网之间是否接有隔离变压器,可分为隔离型和非隔离型。隔离型不仅安全性更高,还可以通过选择隔离变压器的变比来调节电压变换范围,从而增大直流母线电压的输入范围,因此可以根据场地要求进行光伏阵列的优化设计。
总体来讲,光伏逆变器广泛应用于家庭、工业、商业和农村等各个领域。在家庭光伏发电中,逆变器将太阳能电池板产生的直流电转换为家庭用电所需的交流电,为用户节约能源成本,同时也实现了对电网的能量注入。
工业和商业领域则通过光伏逆变器将太阳能转化为电能,满足企业日常生产和办公的用电需求,同时减少了对传统能源的依赖,降低了环境污染。
在农村地区,光伏逆变器为偏远地区提供了稳定可靠的电力供应,改善了居民的生活条件。逆变器的应用正日益深入到各个领域,为可持续发展做出了重要贡献。

八、光伏逆变器的效率与可靠性
光伏逆变器的能量转换效率一直是技术研究的重点。近年来,随着新材料、新拓扑和智能控制的引入,逆变器的效率得到了持续提升。高效的电力转换使得太阳能的利用更加经济高效。
大家都知道:逆变器的MPPT(最大功率点跟踪)技术也在不断完善,确保太阳能电池板始终在最佳工作状态,最大程度地释放能量。这种持续的效率提升有助于降低能源成本,促进可再生能源的普及。
同时,光伏逆变器技术的高效率和可靠性是其在能源领域中的重要优势。高效的能源转换使得光伏发电系统能够最大限度地利用太阳能资源,降低能源浪费。同时,稳定的逆变器工作保证了电网供电的可靠性,减少了电力系统的故障风险。
近年来,逆变器技术在抵御恶劣环境和电力波动方面也取得了显著进展,如抗台风、抗盐雾等性能的提升,进一步保障了系统的长期稳定运行。

九、光伏逆变器的未来展望与挑战
光伏逆变器技术在可再生能源领域的前景仍然广阔,随着电力市场的改革和智能电网的发展,逆变器将在电力调度、能量储存等方面发挥更大作用。
同时,随着技术的不断创新,光伏逆变器在未来将继续发展壮大。预计逆变器将更加智能化,具备更强大的远程监控和故障诊断能力,进一步提升系统的稳定性和可靠性。
此外,逆变器还将更加注重与储能技术的结合,实现对电能的储存和灵活运用,进一步降低能源浪费。新型材料的应用将进一步提高逆变器的耐用性和适应各种环境的能力。总之,光伏逆变器技术与应用将持续推动太阳能发电行业的发展,为清洁能源的广泛应用提供坚实支持。
然而,光伏逆变器技术面临着功率密度提升、可靠性增强以及成本降低等挑战。在不断追求高效能源转换的同时,还需要关注材料可持续性和环保性,确保技术发展与环境保护相协调。

十、总结一下
光伏逆变器作为太阳能发电系统的核心组成部分,经过不断的技术创新,已经在各个领域得到广泛应用。高效的能量转换和持续提升的效率为可再生能源的利用带来了更多可能性。未来,逆变器技术将在智能电网和能源存储等领域持续发挥作用,同时需要克服技术和环境等方面的挑战,实现可持续能源的可靠供应。

免责声明
【我们尊重原创,也注重分享。文中的文字、图片版权归原作者所有,转载目的在于分享更多信息,不代表本号立场,如有侵犯您的权益请及时私信联系,我们将第一时间跟踪核实并作处理,谢谢!】
审核编辑 黄宇
-
太阳能发电
+关注
关注
2文章
166浏览量
17984 -
光伏逆变器
+关注
关注
10文章
556浏览量
32664
发布评论请先 登录

关于太阳能源市场中“光伏逆变器”技术的详解;
评论