0
  • 聊天消息
  • 系统消息
  • 评论与回复
登录后你可以
  • 下载海量资料
  • 学习在线课程
  • 观看技术视频
  • 写文章/发帖/加入社区
会员中心
创作中心

完善资料让更多小伙伴认识你,还能领取20积分哦,立即完善>

3天内不再提示

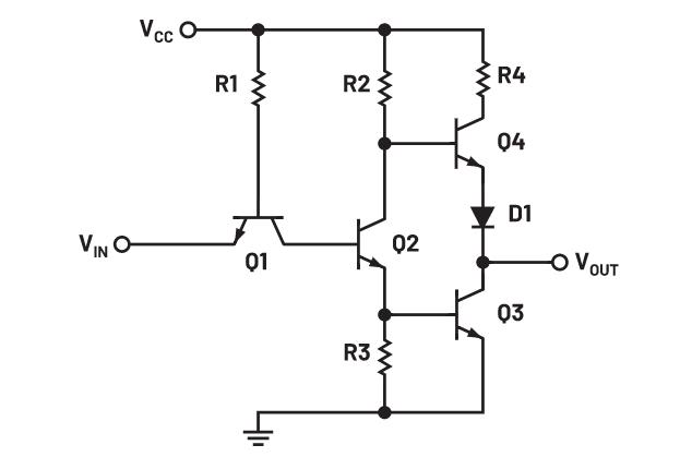
TTL逻辑门的种类及应用

TTL逻辑门的种类主要包括非门(NOT)、与门(AND)、或门(OR)、异或门(XOR)、同或门(XNOR)、与非门(NAND)、或非门(NOR)等。它们广泛应用于计算机硬件、通信系统、工业控制、消费电子产品、汽车电子、航空航天及军事等领域。

分享:

TTL(晶体管-晶体管逻辑)是一种基于双极型晶体管的数字电路技术,广泛应用于中高速数字系统中。以下是其常见种类及典型应用:


一、TTL逻辑门的种类

  1. 基本逻辑门

    • 与门(AND):所有输入为高电平时,输出高电平。
    • 或门(OR):任意输入为高电平时,输出高电平。
    • 非门(NOT):输出与输入反相。
    • 与非门(NAND):先执行“与”操作后取反,通用性极强。
    • 或非门(NOR):先执行“或”操作后取反,同样可构造其他逻辑功能。
    • 异或门(XOR):输入不同时输出高电平,用于比较或加法器。
    • 同或门(XNOR):输入相同时输出高电平,用于比较或校验。
  2. 特殊类型

    • 三态门(Tri-State):支持高电平、低电平和高阻态,用于总线共享。
    • 缓冲器(Buffer):增强信号驱动能力,隔离前后级电路。
    • 开集电极输出门:支持“线与”逻辑,可驱动高电流负载(如LED、继电器)。
  3. 常见TTL系列

    • 标准TTL(如7400系列)、低功耗TTL(74L系列)、高速TTL(74H系列)、肖特基TTL(74S系列)等。

二、TTL逻辑门的应用

  1. 数字系统构建

    • 组合逻辑电路:如编码器、译码器、多路选择器。
    • 时序逻辑电路:如触发器、计数器、寄存器,用于状态存储与切换。
    • 算术单元:异或门用于加法器的半加器,与非门构造全加器。
  2. 计算机与控制领域

    • 微处理器接口:早期CPU中用于ALU(算术逻辑单元)设计。
    • 总线驱动:三态门实现多设备共享总线(如内存、外设接口)。
    • 时钟与定时:用于生成和分配时钟信号,或设计定时器/分频器。
  3. 信号处理与驱动

    • 电平转换:作为TTL与CMOS间的接口电路(需注意电平兼容)。
    • 功率驱动:开集电极门直接驱动LED、继电器或小型电机。
  4. 工业与实验场景

    • 教学实验:数字电路基础实验(如用与非门搭建触发器)。
    • 工业控制:PLC、传感器信号处理及逻辑控制模块。

三、TTL的特点与适用场景

  • 优点:速度快(传播延迟约10ns)、驱动能力强、抗干扰性较好。
  • 缺点:功耗较高(相比CMOS),集成度较低。
  • 适用场景:中高速数字系统、传统设备(如老式计算机)、需要强驱动能力的场合。

TTL逻辑门虽逐渐被低功耗的CMOS技术取代,但在特定领域(如工业控制、高速接口)仍具实用价值。理解其种类与应用有助于优化数字系统设计。

TTL逻辑种类及应用

在数字电子领域,TTL(晶体管-晶体管逻辑逻辑是构建复杂数字系统的基石。TTL技术以其可靠性、成本效益和广泛的应用而闻名。 TTL逻辑种类 TTL逻辑可以分为基本的逻辑和复合逻辑两大类

2024-11-18 10:36:44

TTL逻辑与普通逻辑的区别是什么?

TTL逻辑与普通逻辑的区别在哪里为什么引入OC?

都等着发 2021-03-29 07:23:21

TTL逻辑的三种特性

在数字电路中,所谓“”就是只能实现基本逻辑关系的电路。最基本的逻辑关系是与、或、非,最基本的逻辑是与门、或和非门。逻辑可以用电阻、电容、二极管、三极管等分立原件构成,成为分立元件。也可以将门电路的所有器件及连接导线制作在同一块半导体基片上,构成集成逻辑门电路。

2019-11-05 11:28:23

TTL逆变器和NAND

自20世纪60年代首次生产出集成逻辑以来,各种数字逻辑电路技术层出不穷。本次实验将研究晶体管-晶体管逻辑(TTL)电路逆变器(非门)和2输入NAND配置。

2023-05-29 14:19:23

TTL逆变器和NAND实验研究

自20世纪60年代首次生产出集成逻辑以来,各种数字逻辑电路技术层出不穷。本次实验将研究晶体管-晶体管逻辑(TTL)电路逆变器(非门)和2输入NAND配置。

2023-08-28 16:36:23

ttl多余的输入端如何处理 ttl多余的输入端可以悬空吗

ttl多余的输入端如何处理 ttl多余的输入端可以悬空吗  TTL是一种常见的数字逻辑TTL通常具有多个输入端,其中有些输入端在特定的使用情况下可能是多余的。这些多余的输入端可以通过

2024-02-18 16:26:24

ADALM2000实验:TTL逆变器和NAND

自20世纪60年代首次生产出集成逻辑以来,各种数字逻辑电路技术层出不穷。本次实验将研究晶体管-晶体管逻辑(TTL)电路逆变器(非门)和2输入NAND配置。

2022-11-05 09:34:24

TTL三态输出端可以并联吗?

TTL三态是一种特殊的逻辑,它具有三个状态:高电平、低电平和高阻抗状态(也称为“三态”或“浮动”状态)。

2024-05-28 17:18:14

TTL三态的特点及应用都有哪些呢

TTL(晶体管-晶体管逻辑)三态是一种特殊类型的逻辑,它具有三个状态:高电平、低电平和高阻抗状态(也称为“三态”或“浮动”状态)。

2024-05-28 15:58:53

【数字电路】关于逻辑的教程分析

OR D OR E OR F给出Q如果所需的输入数量是奇数个输入,则可以通过使用合适的“上拉”电阻将它们直接接地将任何“未使用”的输入保持为低电平。常用的数字逻辑IC包括:TTL逻辑74LS32

o_dream 2021-01-20 09:00:00

【数字电路】关于逻辑的电路设计教程

OR D OR E OR F给出Q如果所需的输入数量是奇数个输入,则可以通过使用合适的“上拉”电阻将它们直接接地将任何“未使用”的输入保持为低电平。常用的数字逻辑IC包括:TTL逻辑74LS32

o_dream 2021-01-21 08:00:00

逻辑NOR等效教程及使用

逻辑或门控栅极是数字逻辑“或”与串联连接在一起的反相器或非门的组合,包含NOR(非或)的输出为当输入的ANY处于逻辑电平“1”时,它通常处于逻辑电平“1”并且仅“低”到逻辑电平“0”。逻辑NOR是我们之前看到的包含OR的反向或“互补”形式。

2019-06-26 14:13:52

仅使用与非门的基本逻辑

  逻辑是数字世界中的基本元素,之前已经介绍过基本的逻辑。这些基本的逻辑可以由通用构成。数字逻辑中有两个通用,即与非门(NAND Gate)和或非门(NOR Gate)。

2022-09-12 14:50:00

TTL电路是什么意思?TTL逻辑电平 TTL电路如何工作?

TTL电路是一种晶体管-晶体管逻辑电路,它是Transistor-Transistor Logic的缩写。TTL电路是一种数字电路,主要用于处理数字信号。它是由晶体管、电阻、电容等元件组成的,可以实现各种逻辑功能,如与、或、非、异或等。

2024-02-17 14:11:00

TTL电平的工作原理详解

。这种电平标准使得TTL电路能够清晰地区分数字信号的高低状态。 2. TTL电路的基本结构 TTL电路的基本单元是逻辑,包括与门(AND)、或(OR)、非门(NOT)、与非门(NAND)、或非门(NOR)等。每个逻辑由多个晶体管组成,这些晶体管通过特定的连接方式实现逻辑功能

2025-01-16 09:57:59

什么是TTL逻辑电路 TTL与CMOS的区别和优缺点

在数字电子学中,TTL和CMOS是两种基本的逻辑电路技术。它们各自有着独特的特点和应用场景。 TTL逻辑电路 TTL(晶体管-晶体管逻辑)是一种基于双极型晶体管(BJT)的数字逻辑电路技术。它在20

2024-11-18 10:26:33

基本逻辑的类型及其用途

  引言:在板极的逻辑控制中,基本逻辑的使用特别广泛,包括与门,或和外置信号驱动器,缓冲器等等,基本逻辑相比于分立元件搭建的逻辑,抗干扰能力和驱动能力更强,信号质量更好。运用最基本的逻辑门电路,使用逻辑代数可以构建出更复杂的控制逻辑以此满足设计需求。

2023-07-04 15:06:21

TTL在电子工程中的应用实例

晶体管-晶体管逻辑TTL)是一种广泛使用的数字逻辑技术,它基于双极型晶体管。TTL电路以其高速、低功耗和低成本而闻名,这使得它们在电子工程的许多领域中都非常受欢迎。 1. 基本逻辑 TTL逻辑

2024-11-18 10:25:10

如何检查AND逻辑

你好。我是在FPGA上设计系统的初学者。我的fpga是XC7K325T -2 FFG900(knitex - 7系列)我想计算基本15位2输入加法器的逻辑延迟。如果我能检查AND或OR的延迟等

qian801228 2020-05-25 07:28:24

常用逻辑芯片有哪些

逻辑是数字电路中的基本构建块,它们执行基本的逻辑运算,如与(AND)、或(OR)、非(NOT)、异或(XOR)等。逻辑芯片是集成了多个逻辑的集成电路,广泛应用于计算机、通信、自动化控制等领域

2024-09-24 10:48:10

数字逻辑之上拉电阻设计教程,赶快收藏起来吧

一定范围的电压,这些电压定义了这两个二进制状态的上,下电压。因此,例如,对于TTL 74LSxxx系列数字逻辑,显示了代表逻辑电平“ 1”和逻辑电平“ 0”的电压范围。其中:V IH(min

o_dream 2021-01-28 08:00:00

深入讲解TTL门电路

什么是TTL门电路?TTL是一种集成电路,通过使用双极性晶体管组合来做到具有驱动能力的逻辑输出。TTL最重要的特性是的输入在未连接时将为逻辑高电平。在硬件电路中,会用到逻辑这样的数字器件,对于

2023-12-15 08:21:02

TTL逻辑门电路参数测试

了解TTL逻辑门电路的主要参数及测试方法。

2023-10-10 16:33:10

关于逻辑的基本知识

逻辑(LogicGates)是集成电路设计的基本组件,通过晶体管或MOS管组成的简单逻辑,可以对输入的电平(高或低)进行一些简单的逻辑运算处理,而简单的逻辑可以组合成为更复杂的逻辑运算,是超大规模电路集成设计的基础。

2023-04-30 09:14:00

浅析数字逻辑电路之逻辑逻辑

我们继续来聊基础逻辑—或。 或在数字电路中乃至计算机运算中的逻辑关系为加逻辑,也叫作或逻辑。 而或(or gate)也可以称为OR,其是具有两个以上输入端与一个输出端的逻辑。 其符号如图所示: 形状特征型符号(ANSI

2021-10-29 11:09:43

什么是数字逻辑_数字逻辑基础知识

数字逻辑是一种电子电路,它根据输入上存在的数字信号的组合做出逻辑决策.

2019-06-22 08:51:00

FPGA和逻辑的关系

FPGA小白一枚,个人理解的FPGA本质上或者核心就是查找表(LUT),即将所有的函数/方法 转换为固定的查找表(使用DSP除外)。但是为什么所有的文章提到FPGA全部都注重逻辑呢?其实FPGA本身内部也没有多少物理的逻辑吧?

linux91 2019-05-30 10:53:46

TTL芯片的工作原理解析 TTL信号的传输距离限制

和信号传输距离限制的介绍: TTL芯片的工作原理 基本结构 :TTL芯片通常由输入级、中间级和输出级组成。输入级负责接收输入信号,中间级进行逻辑运算,输出级则提供输出信号。 逻辑门类型 :TTL芯片可以包含多种逻辑,如与门(AND)、或

2024-11-18 10:27:57

什么是TTL电平

TTL与COMS、OC与OD1、TTL电平(什么是TTL电平):TTL电平信号被利用的最多是因为通常数据表示采用二进制规定,+5V等价于逻辑“1”,0V等价于逻辑“0”,这被称做TTL(晶体管

世态薄凉 2021-07-26 08:28:29

加载更多