79AL1565高压板图纸相关资料分享
2021-05-20 06:19:55
AIC1084GMTR
2023-03-29 21:54:06
EVALUATION MODULE FOR AIC111
2023-03-30 11:44:36
描述该AIC1722A是一个3针的低压差线性调节器。的优越特性AIC1722A包括零基极电流损耗,非常低的压差电压,精度2%输出电压。典型的接地电流保持约55μA ,从空载到最大负载条件。压差电压
2018-11-02 11:36:47
AIC1896GGTR
2023-03-29 17:55:50
高度集成电源管理、AC/DC电源转换、充电和蓝牙低功耗技术供应商Dialog半导体公司(德国证券交易所交易代码:DLG)今天宣布,推出最新电源转换器IC系列–AIC1896GG,完善其新近发布的高效
2021-12-29 06:06:20
AIC23主要的外围接口有哪些组成部分?与AIC23的连接主要使用哪些串口?
2021-06-08 06:36:22
nFIQ,在有效时,可以当ARM处理器在空闲模式时唤醒ARM处理器。通用中断屏蔽特性可使能AIC来唤醒处理器而不用激活处理器的中断口线,由此可使得处理器和特定事件同步。1.6.3 中断源 中断源0总是被
2012-11-15 16:13:15
B82144B1565J000 - Inductors - EPCOS
2022-11-04 17:22:44
B82442A1565A000 - SMT inductors - EPCOS
2022-11-04 17:22:44
ECQE1565MFF - Plastic Film Capacitors - Panasonic Semiconductor
2022-11-04 17:22:44
HI-1565 - 5V Monolithic Dual Transceivers - Holt Integrated Circuits
2022-11-04 17:22:44
LTC1565-31IS8
2023-03-28 13:13:44
EVAL BOARD NCP1565TELECG
2023-03-30 11:56:21
COVER ABS FOR PB-1565
2023-03-23 01:02:31
SY8029AIC
2023-03-29 21:43:37
我设计的电路里TLV320AIC3101和DM3730协同工作,将TLV320AIC3101采集的信号传递给DM3730,在设计TLV320AIC3101的主时钟MCLK时有点问题,我的理解
2019-08-16 09:21:34
本文从应用角度出发,介绍AIC3204 模拟输出端直流耦合的应用配置,便于用户在使用AIC3204 处理音频信号的同时,也可以很好输出直流以及其它低频控制信号,用于直流系统控制。
2021-06-02 06:38:43
同步PWM功率调节器AIC1567资料下载内容主要介绍了:AIC1567功能和特性AIC1567引脚功能AIC1567内部方框图AIC1567典型应用电路
2021-03-31 07:39:39
最近调试板子,发现几块板子关于音频部分都无法正常工作。(MSP430F5526+TLV320AIC3100),其他板子正常(430是同样的程序)!对音频无法工作板子做了如下测试:示波器测试
2019-08-16 10:48:32
开关电源芯片KA5Q1565RF资料下载内容包括:KA5Q1565RF引脚功能KA5Q1565RF内部方框图KA5Q1565RF典型应用电路
2021-03-25 07:04:58
TLV320AIC23是什么?TLV320AIC23的驱动设计基础是什么?TLV320AIC23的驱动配置方法有哪几种?
2021-06-02 06:19:57
与TLV320AIC23B接口基本上相同,比如与AIC23同系列性能更强的芯片,但接口不变,或其它系列的,麻烦推荐下,谢谢!
2019-08-14 09:18:37
有哪位高手,用过TLV320AIC23的语音芯片,做过这个芯片的配置程序。我写了,程序的仿真结果没问题,但是,下载到芯片中,没有反应。我是用示波器看配置后,在CLKOUT或是BCLK有没有输出来判断的。AIC23工作在主模式。先在此谢过。
2012-05-30 18:44:27
电源管理芯片ICE3A1565资料下载内容包括:ICE3A1565引脚功能ICE3A1565内部方框图ICE3A1565典型应用电路
2021-03-23 07:08:45
电源管理芯片ICE3B1565资料下载内容包括:ICE3B1565引脚功能ICE3B1565内部方框图ICE3B1565典型应用电路
2021-03-23 07:45:16
AIC23在使用两线接口进行配置时,需要子地址,看了一下资料,貌似是CS引脚低的话,地址是0x0a,CS高的话,地址是0x0b,如果有三个AIC23接到5509A上,在初始化AIC23时,怎么配置这几个AIC23?谢谢
2018-07-30 08:50:21
调试环境: 我使用TMS320C5515 eZdsp USB Stick dsp单板,这个单板带有一个tlv320aic3204音频芯片;目标: 我希望可以播放位速128kbps 音频采样大小 16
2019-08-14 09:57:19
The TLV320AIC23B is a high-performance stereo audio codec with highly integrated analog
2008-07-29 08:50:39
75 LTC®1565-31 是一款 7 阶、连续时间、线性相位低通滤波器。LTC1565-31 的选择性再加上其线性相位和动态范围,使之适合于数据通信或数据采集系统中的滤波处理。滤波器衰减为 36dB
2023-07-03 09:17:34
AIC1187,pdf,datasheet
The AIC1187 is an ultra low dropout and highperformance linear regulator
2010-03-22 17:28:25
9 AIC1190 datasheet,pdf(Ultra LDO 1A Linear Regulator With Adjustable & Bypass Pin)
A low noise
2010-03-22 17:48:42
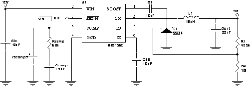
21 AIC1565 datasheet,pdf(High-Efficiency, 2A Step-Down DC-DC Converter)
The AIC1565 is a high
2010-03-22 17:50:00
41 AIC1748 datasheet,pdf(High PSRR, 600mA Linear Regulator With Bypass Pin)
A low noise, high PSRR
2010-03-22 17:51:37
41 AIC3643 datasheet,pdf(Built-in OVP White LED Step-Up Converter)
AIC3643 is a current-mode
2010-03-22 17:52:42
17 AIC2351 datasheet,pdf(Low-Noise Synchronous PWM/PFM Step-Down DC/DC Converter)
The AIC
2010-03-22 17:55:05
46 AIC1952 datasheet,pdf(Dual Output Low ESR Cap.Low-Dropout 300mA Linear Regulator)
The AIC
2010-03-22 17:56:40
36 AIC1790 datasheet,pdf(1 Cell Linear Lithium-Ion Battery Charger)
The AIC1790 is highly integrated
2010-03-22 17:57:55
27 Features• Full-featured evaluation board for the TLV320AIC11xx audio codec•
2010-06-23 11:19:37
0 The TLV320AIC23B is a high-performance stereo audio codec with highly integrated analog
2010-06-24 16:30:46
33 TLV320AIC2
2010-06-24 16:43:23
5 TLV320AIC3
2010-06-24 16:49:57
4 TLV320AIC3
2010-06-24 17:25:24
12 ABSTRACTThe TLV320AIC3104 (AIC3104) is a versatile audio codec with multiple features. Whenfirst
2010-06-24 17:32:12
35 TLV320AIC3
2010-06-24 17:34:37
7 TLV320AIC3
2010-06-25 21:21:13
5 TLV320AIC3
2010-06-25 21:52:50
17 The TLV320AIC33, TLV320AIC3106and TLV320AIC34 high-performance, low-power stereoaudio codecs
2010-06-25 21:55:04
12 TLV320AIC3
2010-06-25 22:45:20
6 The TLV320AIC3110 is a low-power, highly integrated, high-performance codec which supports stereo
2010-06-25 22:49:02
29 and theAIC3110/AIC3100/AIC3120 EVM. Codec Control provides a graphical user interface for supported TIaudio codecs. The software is compati
2010-06-25 23:14:27
16 The TLV320AIC3111 is a low-power, highly integrated, high-performance codec which provides a stereo
2010-06-25 23:18:09
8 The TLV320AIC3204 (sometimes referred to as the AIC3204) is a flexible low-power, low-voltage
2010-06-26 09:29:07
33 TLV320AIC3
2010-06-26 09:33:13
5 TLV320AIC3
2010-06-26 09:39:19
6 TLV320AIC3
2010-06-26 09:50:04
9 The TLV320AIC36 (sometimes referred to as the AIC36) is a flexible, low-power, low-voltage stereo
2010-06-26 09:51:25
27 AIC1896电路图
2008-01-05 09:03:19
2245 
它激式开关驱动电路AIC44603及开关变换电路
2010-03-07 15:27:51
1359 
AIC1187的特性及应用电路
1A Ultra Low Dropout Linear Regulator
FEATURES Guaranteed 1A Output Current. Low Ground Current Wide Operating Voltage Ranges: 2.3V to
2010-03-22 17:31:08
578 
AIC1190的特性及应用Ultra LDO 1A Linear Regulator With Adjustable & Bypass Pin
FEATURES Guaranteed 1A Output Current. Fast Response in Line
2010-03-22 17:34:13
1068 
AIC1748的特性及应用Ultra Low Noise, High PSRR, 600mA Linear Regulator With Bypass Pin
FEATURES Guarantee 600mA Output Current. Fast Response in Line/
2010-03-22 17:37:47
1088 AIC3643的特性及应用
Built-in OVP White LED Step-Up Converter Download Complete Datasheet PDF
FEATURES Built-In Open
2010-03-22 17:39:18
829 AIC3414的特性及应用
1.2MHz, Synchronous Step-Up Converter in SOT23-6
FEATURES Output Voltage Range: 2.5V to 4.0V
2010-03-22 17:41:02
1044 
AIC2351的特性及应用
Low-Noise Synchronous PWM/PFM Step-Down DC/DC Converter
FEATURES 2.5V to 5.5V Input Voltage Rang
2010-03-22 17:42:36
934 AIC1952的特性及应用
Dual Output Low ESR Cap. Low-Dropout 300mA Linear Regulator
FEATURES Up to 300mA Output Current
2010-03-22 17:44:48
998 
AIC1790的特性及应用1 Cell Linear Lithium-Ion Battery Charger
FEATURES Complete Linear Charger for 1 Cell Lithium-Ion Battery. Ideal for Low-Dr
2010-03-22 17:46:38
1205 
OM8370PS/N3/2/1565的检测
2011-05-06 09:18:27
16482 TLV320AIC3204[1](简称AIC3204)是一款超低功耗立体声音频codec,由于其出色的音频量化、处理性能以及超低的功耗设计,广泛地应用在便携式娱乐以及工业安防等语音设备中。本文
2017-05-19 11:22:15
19 本应用报告确定EMI滤波的D类输出级合适的组件 aic321x和aic326x音频编解码器。的aic321x和aic326x是高度集成,高性能从德克萨斯文书包括D类输出级,可在filterfree
2017-05-26 14:51:12
10 本用户指南描述的特点,操作和使用tlv320aic32evm,通过本身和对tlv320aic32evm-pdk部分。这评估模块(EVM)是一个完整的立体声音频编解码器与多输入输出,广泛的音频路由
2017-05-27 16:34:56
24 摘要 TLV320AIC3204[1](简称AIC3204)是一款超低功耗立体声音频codec,由于其出色的音频量化、处理性能以及超低的功耗设计,广泛地应用在便携式娱乐以及工业安防等语音设备中。本文
2017-11-16 11:11:41
44 TLV3AIC3104(AIC3104)是一种多功能音频编解码器,具有多个特点。
2018-05-22 11:46:02
35 TLV320AIC3254 社区视频
2018-06-12 14:24:00
8828 电子发烧友网为你提供ADI(ti)LTC1565-31相关产品参数、数据手册,更有LTC1565-31的引脚图、接线图、封装手册、中文资料、英文资料,LTC1565-31真值表,LTC1565-31管脚等资料,希望可以帮助到广大的电子工程师们。
2019-02-22 12:42:39

电子发烧友网为你提供()NCP1565相关产品参数、数据手册,更有NCP1565的引脚图、接线图、封装手册、中文资料、英文资料,NCP1565真值表,NCP1565管脚等资料,希望可以帮助到广大的电子工程师们。
2019-04-18 21:21:10
DC1565A-演示手册
2021-05-12 10:15:01
2 DC1565A-模式
2021-05-12 15:41:08
4 LTC1565-31:650 kHz连续时间,线性相位低通过滤数据表
2021-05-26 15:48:00
0 DC1565A-设计文件
2021-06-08 18:22:54
3 View the reference design for LTC1565-31_Typical Application. http://www.elecfans.com/soft/ has
2021-07-06 10:47:00
0 View the reference design for DC1565A-E. http://www.elecfans.com/soft/ has thousands of reference designs to help bring your project to life.
2021-07-08 16:06:32
1 电子发烧友网为你提供ADI(ti)DC1565A-C相关产品参数、数据手册,更有DC1565A-C的引脚图、接线图、封装手册、中文资料、英文资料,DC1565A-C真值表,DC1565A-C管脚等资料,希望可以帮助到广大的电子工程师们。
2021-08-11 11:00:03
电子发烧友网为你提供ADI(ti)DC1565A-B相关产品参数、数据手册,更有DC1565A-B的引脚图、接线图、封装手册、中文资料、英文资料,DC1565A-B真值表,DC1565A-B管脚等资料,希望可以帮助到广大的电子工程师们。
2021-08-11 10:00:02
电子发烧友网为你提供ADI(ti)DC1565A-D相关产品参数、数据手册,更有DC1565A-D的引脚图、接线图、封装手册、中文资料、英文资料,DC1565A-D真值表,DC1565A-D管脚等资料,希望可以帮助到广大的电子工程师们。
2021-08-10 08:00:03
电子发烧友网为你提供ADI(ti)DC1565A-A相关产品参数、数据手册,更有DC1565A-A的引脚图、接线图、封装手册、中文资料、英文资料,DC1565A-A真值表,DC1565A-A管脚等资料,希望可以帮助到广大的电子工程师们。
2021-08-10 08:00:03
电子发烧友网为你提供ADI(ti)DC1565A-E相关产品参数、数据手册,更有DC1565A-E的引脚图、接线图、封装手册、中文资料、英文资料,DC1565A-E真值表,DC1565A-E管脚等资料,希望可以帮助到广大的电子工程师们。
2021-08-09 15:00:03
电子发烧友网为你提供ADI(ti)DC1565A-H相关产品参数、数据手册,更有DC1565A-H的引脚图、接线图、封装手册、中文资料、英文资料,DC1565A-H真值表,DC1565A-H管脚等资料,希望可以帮助到广大的电子工程师们。
2021-08-10 02:00:02
电子发烧友网为你提供ADI(ti)DC1565A-F相关产品参数、数据手册,更有DC1565A-F的引脚图、接线图、封装手册、中文资料、英文资料,DC1565A-F真值表,DC1565A-F管脚等资料,希望可以帮助到广大的电子工程师们。
2021-08-09 17:00:04
View the reference design for SC1565_Typical Application. http://www.elecfans.com/soft/ has
2021-08-20 09:54:47
1 View the reference design for NCP1565TELECGEVB. http://www.elecfans.com/soft/ has thousands of reference designs to help bring your project to life.
2021-09-06 10:15:56
1 SPTECH硅NPN功率晶体管2SD1565规格书
2021-12-18 09:25:55
12 SPTECH硅NPN功率晶体管2SB1565产品手册免费下载。
2022-03-09 14:09:31
1 UM1565_STM32F37xx/38xx标准外设库的描述
2022-11-22 08:21:50
0 UM1565_STM32F37xx_38xx标准外设库介绍
2022-11-22 08:22:12
1 杰华特推出JW1565氮化镓合封芯片,满足65W快充应用伴随着65W氮化镓快充的发展,电源技术在不断迭代。从传统控制器+驱动器+氮化镓开关管,多颗芯片的原边方案,再到控制器直驱氮化镓两颗芯片的电源
2022-04-18 16:51:57
824 
电子发烧友网为你提供Maxim(Maxim)MAX1565ETJ+T相关产品参数、数据手册,更有MAX1565ETJ+T的引脚图、接线图、封装手册、中文资料、英文资料,MAX1565ETJ+T真值表,MAX1565ETJ+T管脚等资料,希望可以帮助到广大的电子工程师们。
2023-07-14 09:43:21

电子发烧友网为你提供Maxim(Maxim)MAX1565ETJ+相关产品参数、数据手册,更有MAX1565ETJ+的引脚图、接线图、封装手册、中文资料、英文资料,MAX1565ETJ+真值表,MAX1565ETJ+管脚等资料,希望可以帮助到广大的电子工程师们。
2023-07-14 09:47:13

杰华特推出JW1565氮化镓合封芯片,满足65W快充应用
2022-04-18 11:13:28
26
评论