|
驱动白色LED的升压式变换器MAX1848 摘要:MAX1848以恒流驱动白色LED,在峰窝电话、PDA及其它便携式电子产品中作背光源。
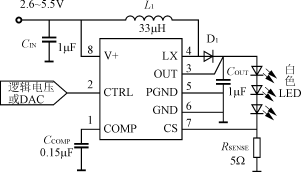
1 引言 MAX1848是一种由升压式DC/DC变换器加上恒流电路等组成的白色LED驱动器,在便携式电子产品中作彩色LED的背光源。该器件的主要特点是,对串联的白色LED恒流供电,LED的亮度一致性好;转换率高,典型值为87%;可用模拟电压来调节LED的亮度,并可用电平来控制LED的亮、灭;内部有高压MOSFET作开关管,输出功率可达0.8W;振荡器频率1.2MHz,其电感器及电容器可采用小容量、小尺寸元件,减小印制板的面积;工作电压2.6V到5.5V;静态电流1mA;输出电压可达13V,并有过压保护;有可编程的软启动功能,可防止启动时大的冲击电流;有关闭控制,在关闭状态时空耗小于0.3μA;小尺寸SOT-23封装;工作温度-40℃~+85℃。该器件组成的背光源主要应用于手机及智能电话,PDA、无线手持设备,GPS及便携式计算机等。 2 基本应用电路 MAX1848的管脚排列如图1所示,基本应用电路如图2所示。在图2中,L1、D1、COUT等组成升压式DC/DC变换器电路,其负载为串联的三个白色LED。RSENSE为检测流过LED的电流,RSENSE上的电压反馈到CS端(脚7),即反馈的电压信号与流过LED的电流成正比,进而达到电流稳定的目的。
图1 MAX1848管脚排列
图2 MAX1848基本应用电路 COMP端(脚1)为误差放大器的补偿端,外接一个电容器到地,这电容的容量对软启动有作用,每0.01μF启动时间大约为0.833ms。 CTRL端(脚2)为LED亮度调节端,也可控制LED的亮、灭(双模式制)。当此端加250mV到5.5V或(V+加2V)时,将随电压变化起调节LED亮度作用;当此端加100mV以下电压或接地时,器件被关闭,LED灭。 2.1 LED电流的设定 流过LED的电流ILED与CTRL端的电压、连接在CS端的RSENSE有关,其关系式为 ILED=VCTRL/(13.33×RSENSE) 式中:VCTRL为在CTRL端的电压(250mV到5.5V)或V+加2V。则在VCTRL最大时,LED电流最大,LED最亮。 在实际计算时,先设定最大的VCTRL值,根据要求的ILED来确定RSENSE。一般LED的最大电流ILED(max)为15~20mA,则可用下式求出 RSENSE= 例如,ILED(max)=20mA,VCTRL(max)=2V,则RSENSE=7.5Ω。 为减小在RSENSE的损耗,可减小RSENSE。则也可以先设定RSENSE,及根据最大的ILED(max)来确定所需的VCTRL(max)值。 例如,ILED(max)=20mA,RSENSE=5Ω,则按上式可求得VCTRL(max)=1.33V。 2.2 元器件的选择 1)CIN及COUT的选择 CIN与COUT的选择并不严格,其典型值是CIN=3.3μF,COUT=1μF。适当增加CIN及COUT的容量可减小纹波电压,但会增加尺寸及成本。CIN、COUT可选择贴片式多层陶瓷电容器(X5R介质材料),它们有极低的串联等效电阻(ESR)及很好的温度稳定性。 2)CCOMP的选择 CCOMP的容量与软启动时间(tss)有关,它们的关系为 tss(max)=CCOMP× 一般可按表1的情况选取。 3)电感器L1的选择 电感器L1的大小与ILED有关,可按表1的ILED大小来选取。 4)D1的选择 由于D1工作在1.2MHz的高频,需要采用恢复时间小及正向压降小的肖特基二极管。其工作电流ID(rms)与电感器的峰值电流IPEAK及LED的电流ILED有关,其关系为 ID(rms)= 可以按表1中的ILED及电感器的IPEAK来求出ID(rms),并且要求D1的击穿电压大于VOUT。 表1 元器件选择
3 驱动更多LED的电路 MAX1814可采用2~3个分支来驱动更多的LED。图3是用3个分支来驱动6个LED的电路。采用3个分支(每个分支2个LED)比用2个分支(每个分支3个LED)的效率高。每一个分支的LED数必须相等。
图3 驱动三路LED电路 为保证每个LED的亮度都差不多,则要求采用的LED必须是同一种型号的,不能采用不同型号的白色LED混用。它会由于管压降不同、发光强度有差别而造成LCD屏幕亮度不均。 4 结语 MAX1848是高效率的升压型DC/DC转换器。它以调整电流而非调整电压的方式为白色LED供电。以用于移动电话和PDA中的背光照明。该产品能激励两个或三个串联形式的白色LED,消除由于不同的电压阈值而产生的亮度差。 MAX1848转换器工作输入电压在2.6~5.5V之间,可由锂离子电池直接供电。该器件采用8脚SOT23封装,内部包含一个N沟道MOSFET开关,其效率高达87%。输出电压高达13V,其输出电流为60mA,能激励高达三个串联的LED。其5Ω芯片电阻可用作电阻传感器,无须校准就能提供5%的电流公差。其它特性包括一个来自DAC的用于亮度数字控制的输入接口。其指定工作温度范围在-40℃~85℃之间。 | |||||||||||||||||||||||||||||||||||
驱动白色LED的升压式变换器MAX1848
- 变换器(108177)
- MAX184(5095)
相关推荐
LED电源驱动电路基本设计解析
驱动电路 1.当输入电压高于 LED电压时 当输入电压高于 LED或 LED串的电压降时,通常采用线性稳压器或开关型降压稳压器。 (1)线性稳压器 线性稳压器是一种 DC-DC 降压式变换器
2018-10-16 19:55:11
升压式DC_DC变换器LM2623(资料下载)
LM2623是国家半导体公司生产的一款单片升压式DC-DC变换器。该器件包括LM2623和LM2623A两种型号,它们的不同之处在LM2623 是标准型号产品,输出电流为1.2A,LM2623A是高端型号产品,输出电流为2.2A。需要资料的朋友回复可以下载~[hide][/hide]
2016-01-06 11:40:30
升压型DCDC变换器QX2301相关资料分享
DC-DC变换器。QX2301系列产品仅需要3个元器件,就可完成将低输入的电池电压变换升压到所需的工作电压。在需要输出电流大的情况下,可使用EXT外扩端,驱动外接晶体管或MOS管,使输入电流达到所需要的值。EN使能端,可用来将本变换器电源处于关断省电状态。
2021-05-18 07:41:21
白色LED驱动器的发展概况
白色LED驱动器的发展概况 白色LED是小型彩色LCD背光照明的最佳选择,这是因为它能使LCD色彩更逼真、色度更饱和,并且电路简单、占印制板体积小、耗电省、价格较便宜的缘故
2009-12-11 14:54:56
BOOST升压变换器的基本原理是什么
将二个电压叠加就实现的电压的提升,这就是升压变换器的基本原理。使用储能元件从输入电源获取能量得到一个电压,然后将它和输入电压顺向串联,就可以实现升压功能。电容和电感是二种常用的储能元件,如果使用电
2021-12-29 06:01:10
Buck-Boost变换器的两种工作方式解析
Buck变换器也称降压式变换器,是一种输出电压小于输入电压的单管不隔离直流变换器。图中,Q为开关管,其驱动电压一般为PWM(Pulse、width、modulation脉宽调制)信号,信号周期为Ts
2021-03-18 09:28:25
DC-DC变换器的基本电路
DC-DC是英语直流变直流的缩写,所以DC-DC电路是某直流电源转变为不同电压值的电路。DC-DC变换器的基本电路有升压变换器、降压变换器、升降压变换器三种。在同一电路中会有升压反向、降压升压等功能
2021-11-17 06:37:14
DC-DC变换器的应用
前言DC-DC变换器的应用场景为:移动电子设备供电。其中包括,DC/DC开关电源与LDO线性电源。高兴LED电源。功率优化器。如功率跟踪器。与高频变压器结合。分类主要分为隔离性与非隔离型,其中从
2021-11-17 06:54:16
DSP或者FPGA输出的PWM信号驱动推挽变换器的MOSFET用什么芯片
`如题,用FPGA输出的PWM信号驱动推挽变换器的2个MOS管,用什么驱动芯片比较合适。`
2021-01-20 15:47:42
G1506是一种专为以恒定电流来驱动白光LED而设计的升压型DC/DC变换器IC
G1506 小电流升压型LED驱动芯片
概述 :
G1506是一种专为以恒定电流来驱动白光LED而设计的升压型DC/DC变换器。该器件能利用一节锂离子电池来驱动两个、三个或四个串联的LED采用LED
2023-12-19 17:15:46
LM2751稳压输出型升压式电荷泵式白色LED驱动电路相关资料分享
概述:LM2751是NATIONAL公司研制的1.5X 2X稳压输出型升压式电荷泵式白色LED驱动集成电路。小尺寸10管脚LLP封装;输入电压范围2.8~5.5V;输出稳压的4.5或5.OV;输出
2021-05-20 06:49:05
SL8203 PFM 升压 DC-DC 变换器
深圳市森利威尔电子有限公司郑生*** QQ2355368874概述: SL8203系列产品是一种高效率、低纹波、工作频率高的PFM升压DC-DC变换器。 SL8203系列产品仅需要四个外围元器件
2021-04-12 11:17:35
U/F变换器和F/U变换器
波、锯齿波、矩形波等。如果U/F变换电路输出波形是对称的,如正弦波、三角波、方波等,这种电路称为压控振荡器(VCO),如果输出波形是不对称的,则为U/F变换器。 U/F变换器和F/U变换器有模块式
2011-11-10 11:28:24
f分享G1214D DCDC同步升压变换器
G1214DDCDC同步升压变换器
简介:
G1214D系列产品是一款低功耗高效率、低纹波、工作频率高的PFM控制升压DC-DC变换器。G1214D系列产品仅需要3个外部元器件,即可完成低输入的电池
2023-11-30 10:35:09
低EMI噪声升压变换器概述!
直接拿手机内置电池给NFC模块供电,那么NFC模块的性能会随着电池电量的减少而越来越差, 大大影响了用户体验。如果将电池电压通过一个DC-DC升压变换器转换到一个固定的电压(5V或 5.2V)给NFC
2019-08-23 04:45:09
初学者需要学习的升压式DC-DC变换器电路,你会吗?
电压、输出电压都是直流电压,而且输入电压比输出电压低,基本拓扑结构如图对于刚刚开始接触和学习电路设计的新人来说,扎实的了解和掌握DC-DC变换器的运行情况,是非常有必要的。在平时的工作中,升压式
2020-11-22 01:00:00
初学者需要学习的升压式DC-DC变换器电路,你会吗?
电压、输出电压都是直流电压,而且输入电压比输出电压低,基本拓扑结构如图对于刚刚开始接触和学习电路设计的新人来说,扎实的了解和掌握DC-DC变换器的运行情况,是非常有必要的。在平时的工作中,升压式
2021-01-02 09:00:00
双向变换器
本人在做双半桥双向变换器,当变换器工作与BOOST状态时,输出电压值总是打不到稳态值。低压侧输入电压为24V,高压侧输出电压为100V,现在高压侧输出电压只有96V。不知道什么原因。跪求大侠解答,不胜感激。
2016-04-14 21:18:38
双管正激变换器有什么优点?
由于正激变换器的输出功率不像反激变换器那样受变压器储能的限制,因此输出功率较反激变换器大,但是正激变换器的开关电压应力高,为两倍输入电压,有时甚至超过两倍输入电压,过高的开关电压应力成为限制正激变换器容量继续增加的一个关键因素。
2019-09-17 09:02:28
四种LED开关电源驱动方式简析
升高到足以使LED导通且稳定的电压。便携式设备照明应用比如手机背光源、LED手电筒等。由于电池容量的限制一般不需要很大功率,但要求低成本、体积小和高转换效率。这些应用中电荷泵升压变换器是最佳拓扑选择
2018-11-30 17:04:50
大电流白色LED驱动电路LTC3215相关资料推荐
概述:LTC3215是LINEAR公司生产的一款小尺寸10管脚DFN封装;输入电压vin范围为2.9—4.4V;是一种低噪声、大电流电荷泵式DC/DC变换器,用于驱动大电流白色LED。该器件主要特点
2021-05-18 07:43:50
如何利用MC34152和CMOS逻辑器件设计一种可满足以上要求的软开关变换器驱动电?
本文以升压ZVT-PWM变换器为例,用集成芯片MC34152和CMOS逻辑器件设计了一种可满足以上要求的软开关变换器驱动电路。
2021-04-22 06:45:34
如何定义睡眠模式下的PSOC5LP升压变换器的周期性?
使用睡眠模式唤醒刷新Boost变换器需要设置升压模式向主动恢复系统时钟。假设我只想刷新最唤醒的Boost变换器的我真的需要恢复系统高速时钟了吗?我不能简单地把Boost变换器回到睡眠模式和直接
2019-11-06 11:00:43
如何用MC34152实现软开关变换器高速驱动电路的设计?
本文以升压ZVT-PWM变换器为例,用集成芯片MC34152和CMOS逻辑器件设计了一种可满足以上要求的软开关变换器驱动电路。
2021-04-22 06:09:47
小型逆变器120W dc-dc升压变换器
描述小型逆变器120W dc-dc升压变换器迷你逆变器120W或dc-dc变换器这可用于紧急情况,此网络可用于打开大批量灯、lhe灯、led灯、电视led、接收器进行焊接,模拟视频生产模式。PCB
2022-08-01 07:06:31
工作频率高的 PFM 同步升压 DC-DC 变换器
`AP8106 高效低功耗 PFM DC-DC 同步升压芯片概述AP8106 系列产品是一种低功耗、效率高、低纹波、工作频率高的 PFM 同步升压 DC-DC 变换器。AP8106 系列产品仅需要
2021-07-08 11:22:03
新手须知:四种LED开关电源驱动方式简析
稳定的电压。便携式设备照明应用比如手机背光源、LED手电筒等。由于电池容量的限制一般不需要很大功率,但要求低成本、体积小和高转换效率。这些应用中电荷泵升压变换器是最佳拓扑选择。 过渡电压驱动 过渡
2016-01-18 11:34:25
最佳的开关式DC/DC变换器
,从而得到所需要的输出电压。对某一工作来讲,最佳的开关式DC/DC变换器是可以用最小的安装成本满足系统总体需要的。这可以通过一组描述开关式DC/DC变换器性能的参数来衡量,它们包括:高效率、小的...
2021-11-16 07:54:48
求一种基于升压ZVT-PWM的软开关变换器驱动电路设计
本文以升压ZVT-PWM变换器为例,用集成芯片MC34152和CMOS逻辑器件设计了一种可满足以上要求的软开关变换器驱动电路。
2021-04-21 06:03:59
电池驱动系统的DC-DC变换器选择
电池驱动系统的设计方面,DC-DC变换器的选择至关重要。最合适的DC-DC变换器才能满足电池分布式并网发电系统的需求。 隔离电压型DC-DC变换器 隔离电压型的DC-DC变换器是目前比较常见
2023-03-03 11:32:05
直流到直流变换器ACDC
BUCK:降压变换器BOOST:升压变换器BUCK-BOOST:升降压开关电源FLYBACK:就是反激式隔离电源CCM:continuous conduct mode 电感电流联系DCM:discrete conduct mode电感电流断续VMC:voltage mode
2021-10-29 08:15:07
隔离式DC/DC变换器的电磁兼容设计
摘要:文章详细分析了隔离式DC/DC 变换器产生电磁噪声干扰的机理,提出了在DC/DC 变换器主电路及控制电路设计时所采取的电磁兼容措施。关键词:隔离式DC/DC 变换器、电磁兼容性、电磁干扰、电磁敏感度
2009-10-12 16:57:41
LED恒流驱动升压变换器MH266
MH266 是一款专为白光LED 恒流驱动而设计的DC/DC 升压变换器,最多可驱动14 颗白光LED。MH266 采用1.2MHz 的开关频率,可以使用极小体积的外部元件,输出电容仅需1uF 就足够,节约空
2009-11-17 11:50:48
56
56直流直流变换器
3.1概述3.2直流-直流降压变换器(BUCK变换器)3.3直流-直流升压变换器(BOOST变换器)3.4直流降压-升压变换器(BUCK-BOOST变换器)3.5直流升压-降压变换器(CUK变换器)3.6
2010-03-03 22:31:21
7
7白光LED升压型变换器,HYM1937,中文资料
白光 LED 升压型变换器HYM1937一、概述和特点HYM1937 是一种专为以恒定电流来驱动白光LED 而设计的升压型DC/DC 变换器。该器件能利用一节锂电池来驱动两个、三个或四个串联的LED
2010-03-24 09:12:59
46
46升压变换器,升压变换器输入输出电压关系及Boost电路拓补结
升压变换器,升压变换器输入输出电压关系及公式
Boost电路:升压斩波器,入出极性相同。利用同样的方法,根
2009-05-12 20:53:17
9960
9960
基于MAX668/MAX669的升压型DC/DC变换器的设计
基于MAX668/MAX669的升压型DC/DC变换器的设计
摘要:对μMAX封装的升压型PWM
2009-07-15 09:41:32
4032
4032
升压式DC/DC变换器
升压式DC/DC变换器
升压式DC/DC 变换器主要用于输出电流较小的场合,只要采用1 - 2 节电池便可获得3 - 12V 工作电压,工作电流可达几十毫安至几百毫安,其转换效率可达70% -
2009-09-19 15:45:07
2199
2199升压式DC/DC变换器应用参考电路
升压式DC/DC变换器应用参考电路
1. MAX752 应用电路MAX752 的应用电路如图18-32 所示。图中的C2 必须靠近芯片,这样可以抑制由于负载瞬变而引起的高压。
2009-09-19 15:46:21
1570
1570采用Buck变换器的LED驱动器反馈环路设计及测试
采用Buck变换器的LED驱动器反馈环路设计及测试
目前,基于降压型Buck变换器的LED驱动器广泛应用于通用的照明系统,如一些楼宇和草地的照明,通常使
2009-12-30 15:07:51
1719
1719
LED驱动能力的级联变换器
LED驱动能力的级联变换器
用3节碱性电池给20个~30个白色发光二极管(LED)供电,呈现了一个和传统的升压变换器有关的十分有趣的问题。所需的升压比率和占空因子
2010-03-03 16:11:23
745
745级联升压变换器在LED供电电路中的应用
用3节碱性电池给20个"30个白色发光二极管(LED)供电,呈现了一个和传统的升压变换器有关的十分有趣的问题。
所需的
2010-11-08 10:50:34
702
702
双输出单级PFC变换器驱动高亮LED的方法
本文提出了一种工作于断续模式( DCM) 双输出单级反激功率因数校正( PFC) 变换器驱动高亮LED 的方法。为了避免变换器两路输出的交叉影响,应用时分复用方法实现了每一条输出支路
2012-08-03 14:43:25
2895
2895
基于电感升压变换器LED驱动电路设计
基于电感升压变换器的 LED 驱动电路大多被用于驱动若干个相串联的LED(有的也可以驱动先串后并的LED阵列),有很多优点,但是多电感升压变换器也存在一些不是。
2012-12-27 10:34:00
1392
1392基于全桥LLC谐振变换器的光伏逆变器升压DC%2fDC变换器设计
为了提高光伏并网逆变器中DC/DC升压变换器的效率,并减小变换器的体积,提出了一种基于全桥LLC谐振变换器拓扑的DC/DC升压变换器设计方案,并完成了基于L6599谐振控制器的变换器的主电路
2015-12-21 10:16:24
96
96基于开关电容的电源升压变换器设计
针对现有升压变换电路升压能力有限、纹波大和效率低等问题,设计并实现了一种基于开关电容单级网络的电源升压变换器,通过实验测取开关电容单级网络升压变换器在不同占空比条件下输出电压随输入电压变化的数据绘制
2017-11-14 17:48:52
9
9用于直流微电网的高增益升压型DCDC变换器
本文提出了一种高增益升压型DC-DC变换器。传统升压变换器(如开关电感变换器、开关电容变换器、级联升压变换器等)的最大电压增益受到极限占空比(即接近统一的占空比)的限制,在极限占空比下运行会导致严重
2019-07-24 08:00:00
1
1LT1937: 采用 SC70 和 ThinSOT 封装的白光 LED 升压型变换器 数据手册
LT1937: 采用 SC70 和 ThinSOT 封装的白光 LED 升压型变换器 数据手册
2021-03-22 09:12:39
6
6升压式变换器的工作原理是什么?
升压式DC/DC变换器,简称升压式变换器,英文为BoostConverter,也称Boost变换器,也是常用的DC/DC变换器之一。
2021-06-13 09:08:23
6474
6474
升压直流/直流变换器HX3248C规格书
HX3248C是一种升压直流/直流变换器,具有恒定电流驱动白色LED或类似。该设备最多可以串联驱动八个LED来自锂离子电池。LED电流由外部电阻器(RSET),直接调节通过反馈(FB)电压(典型值:200mV)通过外部电阻器RSET。
2022-07-29 16:36:10
2
2使用MAX1848为4个白光LED高效供电
MAX1848升压转换器集成14V N沟道MOSFET,为三个串联的白光LED供电。由于 R 低德森MAX1848具有14V开关的低栅极电容,比采用30V开关的竞争升压转换器效率更高。但是,MAX1848不能支持三个以上的串联白光LED。
2023-01-11 15:28:32
477
477
使用MAX1848为白光LED高效供电
MAX1848升压转换器集成14V N沟道MOSFET,为三个串联的白光LED供电。由于14V开关具有低Rdson和低栅极电容,MAX1848比采用30V开关的竞争升压转换器效率更高。但是
2023-03-13 09:30:52
344
344
MAX1848ETA+ - (Maxim Integrated) - PMIC - LED 驱动器
电子发烧友网为你提供Maxim(Maxim)MAX1848ETA+相关产品参数、数据手册,更有MAX1848ETA+的引脚图、接线图、封装手册、中文资料、英文资料,MAX1848ETA+真值表,MAX1848ETA+管脚等资料,希望可以帮助到广大的电子工程师们。
2023-07-14 18:39:50

DC-DC_升压稳压变换器设计
DC-DC功率变换器的种类很多。按照输入/输出电路是否隔离来分,可分为非隔离型和隔离型两大类。非隔离型的DC-DC变换器又可分为降压式、升压式、极性反转式等几种;隔离型的DC-DC变换器又可分为单端正激式、单端反激式、双端半桥、双端全桥等几种。下面主要讨论非隔离型升压式DC-DC变换器的工作原理。
2024-01-30 11:45:50
1
1
电子发烧友App





















评论