0 引言
电磁兼容性(Electromagnetic Compatibility)是指电气设备(系统、子系统)在共同的电磁环境中,能一起正常执行各自功能而不降低自身性能,它包括了电磁干扰(EMI)和电磁敏感(EMS)两方面的内容。EMI是指电气设备成为电磁环境中电磁污染源,EMS则是指电气产品能在预期的电磁环境中正常工作的能力。
开关电源中的功率半导体器件的开关频率较高(从几十kHz到数MHz),功率开关管的高速开关动作,不可避免地导致严重的EMI。与此同时,现代开关电源的功率密度急剧提高,电源内部的电磁环境越来越复杂,比如在电源系统内有多个子系统的场合,多个子系统电源之间的电磁兼容问题就更加的突出。因此,为了提高大功率逆变器的抗干扰性及可靠性,必须重视电源系统的电磁兼容性设计。
1 电路概述与方案介绍
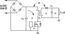
本文所分析的反激式电源用作5kW恒流逆变器中的辅助电源,其输出多达10路,除数字地外其它输出均要求电气隔离。电气规格见表1。图1是150W多路输出反激式开关电源的结构框图。
表1 辅助电源电气规格
| 输出 | 电压 | 功率容量 | 用途 | 接地 |
|---|---|---|---|---|
| O1 | 18V | 15W | PFC控制及起动继电器电源 | 单独地 |
| O2O3 | ±15V | 20W×2 | 逆变模拟及数字控制部分电源 | 数字地 |
| O4O5 | ±5V | 10W×2 | 逆变数字控制及液晶屏电源 | 数字地 |
| O6~O10 | 20V | 15W×5 | 驱动芯片M7959L用供电电源 | 单独地 |

图1 辅助电源电路方案
由于存在高频变压器绕制以及原边与多路副边绕组不易耦合等诸多困难,在方案选择上,该电源采取了两组反激式DC/DC变换器并联拓扑,双芯片电流峰值控制,以减小变压器体积。鉴于每组变换器功率等级较低,并考虑到充分利用反激式拓扑结构简单的特点,实际电路采取硬开关工作方式,开关频率为100kHz。由于是两组高频变压器相互并联,原边共用整流桥输出直流母线电压,因此,除考虑每组变流器原副边以及与工频电网的EMI问题以外,防止两组变流器相互之间的电磁干扰也是难点之一。
2 电磁干扰分析
高频开关电源中,由于功率半导体器件的高速开关形成的电流瞬变、电压瞬变(di/dt和dv/dt)是不可避免的电磁噪声源。通过对开关电源的电磁兼容分析表明:减弱噪声源,切断或削弱EMI传播途径,降低易受干扰电路的电磁敏感程度是提高开关电源EMC的关键。
2.1 开关电源自身引起的EMI
电流瞬变的di/dt和电压瞬变的dv/dt由于来源和干扰途径不同,产生的噪声对电源的影响方式也不相同,主要包括2个方面。
1)近区电磁场辐射耦合可分为共模(common mode或CM)辐射和差模(differential mode或DM)辐射两部分:
——差模辐射耦合其来源主要是瞬变电流的di/dt,耦合途径为两电路之间的寄生磁耦合电感M。当开关电源用于低压大电流场合,情况更为恶劣,有数据表明[2],di/dt典型值可达250×106A/s。而这种电流的瞬变将通过寄生耦合电感M,以磁耦合的方式在其相邻电路上形成一个感生电压e。该电压的幅值和di/dt的幅度成正比,即
e=M(1)
——共模辐射耦合其来源主要是瞬变电压的dv/dt,耦合途径是两电路间的分布电容C。与di/dt类似,dv/dt要远大于开关动作水平。在开关电源应用于高压小电流场合情况更为恶劣,dv/dt典型值[2]可达到10×109V/s。电压的瞬变通过寄生耦合电容在其相邻电路形成感生电流i。也就是说,感生电流,其源是高频电场,可以为任何电气节点或者电路元器件上存在的电压瞬变。同样,这种节点或元器件对大地E之间存在寄生电容Cd,感生出的共模电流通过Cd流向大地,并最终流经电源输入端内阻形成环路。感生电流i幅值和dv/dt成正比,即
i=Cd(2)
从本质上说,由元器件或电路布线中寄生参数形成的电感性和电容性直接传导耦合均属于近场电磁场辐射耦合,大都可归结为以上两种类型。
2)公共阻抗传导耦合两电路(m和n)之间存在有公共阻抗时,回路m上传导电流的变化将会引起回路n电压变化。公共阻抗包括设备安全地和接地网络中的公共阻抗(公共阻抗主要是公共电阻以及电气连线的寄生电感)。公共阻抗耦合的本质属于直接传导耦合,干扰源是di/dt,造成的干扰表现为差模电压e,即
em=Zm,ni;en=Zn,mi(3)
2.2 外部环境对开关电源的EMI
主要来自2个方面。
1)来自电网中各种高频谐波及瞬态噪声,主要以传导耦合方式进入开关电源并对电路正常工作进行干扰,通常也被称为瞬态干扰。
瞬态干扰表现为交流电网上出现的浪涌电压、振铃电压、火花放电等瞬间干扰信号,其特点是作用时间极短,但电压幅度高、瞬态能量大,多在时域范围内对其描述和分析。在国际电工委员会制定的标准中,浪涌电压和振铃电压典型值峰值[5]为Vp=3000V。如果耦合到输入滤波电容,超过MOSFET源、漏极额定耐压值VDS(limit),将会击穿MOS管或者通过变压器耦合到输出端造成其他危害。
2)作为大功率逆变器的一个子系统,辅助电源还会受到逆变器主功率电路发出的高频电磁噪声辐射。辐射能量很可能通过多种途径进入辅助电源,干扰电路正常工作。
3 EMC设计对策
在进行EMC设计时,考虑到反激式多路输出电源电磁干扰以及电源包括两组子系统的特点,EMC设计应贯穿于实验、设计、调试的始终,包括项目设计前预先考虑到的措施,实验中遇到问题后有针对性地采取的措施,以及经过比较的其它方案。
3.1 减弱差模辐射耦合
如图2所示,耦合途径为寄生磁耦合电感M通过干扰源产生的噪声磁场与被干扰回路发生磁通铰链而形成。设噪声磁场的磁通密度为B,穿过一个闭合面积为S的回路,则在该回路感生出干扰电压e,即
e=(4)
式中:B和S均为矢量。
图2 差模耦合途径示意
结合式(1)及式(4)容易推得,寄生磁耦合电感M与涉及的干扰回路面积S成正比例关系。在图2中,存在有较大的di/dt的回路主要包括变压器输入侧环路S0,二次侧环路S1和S2以及驱动环路S3。
仔细设计电路板走线,尽可能减小上述回路的围绕面积。将高频去耦电容Cd0尽量靠近变压器原边和MOS管,Cd1尽量靠近负载,以求减小围绕面积S0与S2,并且要求Cd0和Cd1是低ESR和低ESL的电容器。
电源输出端至负载的引线应尽可能地短,而且多路输出每一路都要使用双绞线,因为,相邻绞环中在同一导体上产生的电动势方向相反,相互抵消,这对电磁干扰起到较好的抑制作用。
3.2 减弱共模辐射耦合
参照图3,由式(2)可得,共模电流Icm1及Icm2的幅值与两电气节点①与②处dv/dt和对PE(安全地)的分布电容Cd1和Cd2的积成正比。图中节点①是MOS管漏极与变压器原边的连接点,节点②为变压器二次侧与输出二极管的连接点。共模电流辐射强度与共模电流围绕回路面积有关,也就是说,电磁辐射强度和电流环路面积成正比,这里环路面积用阴影面积表示。因此,减弱共模辐射耦合应从3个方面入手,即减小dv/dt;减小分布电容;减小共模电流环路面积。
图3 共模耦合途径示意
节点①及②存在非常大的电压瞬变,因而在节点①及②处布线应当占用尽可能小的面积,以减小分布电容值。分布电容一般为pF级,因而在低频段(<1MHz)其阻抗影响非常显著,需要滤波器对共模电流进行衰减,共模扼流圈电感值一般取10~100mH。
装在MOS管上的散热器由于表面积很大,其对节点①的分布电容必须考虑。由图4可知,采用屏蔽方法将铜箔夹在散热器和MOS管之间,使原有分布电容Ck变成相互串联的Ck1和Ck2,从而减小了分布电容。散热器和变压器磁芯同样存在电压瞬变,将散热器和磁芯屏蔽分别就近与节点③及④连接,用以抑制散热器和磁芯的电压瞬变,并缩短共模电流的耦合路径。
图4 减弱共模耦合的措施
3.3 减弱公共阻抗传导耦合
减弱公共阻抗传导耦合,就是仔细布线以避免两电气回路的公共阻抗部分。其中尤为重要的是地线的铺设,要遵循“模拟部分地和数字部分地分开,功率部分地和控制部分地分开”的原则。
在实际铺设中采取了“星状地”形式,如图5所示,避免使用环形地。所谓“星状地”是指不同回路地单独走线,最后汇集到一点O。O点通常是去耦电容或者滤波电容的阴极。比如在控制芯片周围,驱动回路的地单独从控制芯片的去耦电容(O1点)出发,连接到输入端滤波电容处(O2点),而MOS管源极功率部分引线也直接接入O2点。电压和电流反馈信号的地线均单独接入星状点O1。
图5 星型铺地示意
图5中L1及L2分别为电压反馈和电流反馈的地线接入端。Cd1为控制(驱动)电路的电源去耦电容,Cd0为输入滤波电容。
3.4 减弱外部电磁场干扰
设计合理的EMI滤波器。EMI滤波器除能衰减开关电源对电网的EMI之外,还能够衰减电网引进的部分瞬态干扰。需要强调的是,增加安全地(PE)对衰减共模电流,抑制外界瞬态干扰十分必要。
如图6所示,在交流进线端并联高频CBB电容Ca(2.2nF)和压敏电阻(VSR)对瞬态电压进行箝位。
图6 利用压敏电阻抑制瞬态电压
除了对电路采取局部屏蔽措施外,在调试过程中还使用了整体屏蔽罩,以降低辅助电源子系统对外界的电磁辐射干扰。接入屏蔽罩的输入、输出引线(屏蔽线)应当尽量短,并且要妥善接地。
3.5 减弱电压瞬变和电流瞬变
从上述分析可知,EMI的强度都和dv/dt和di/dt成正比。而由变压器漏感和二极管反向恢复等引起的电压、电流的过冲和振铃相比开关周期非常的窄,会造成强的宽频的瞬态电磁噪声。因此,在实验过程中,有针对性地对电路各部分的电压、电流的过冲和振铃进行了抑制。
3.5.1 针对开关管
1)考虑减慢MOS管的开关速度,采取增大门极驱动电阻,减小驱动电流来实现。但是要注意适度,因为开关速度越慢,MOS管的开通时间、关断时间都相应延长,开关损耗随之增大,会造成开关管过热,使变流器效率降低。
2)采用RCD缓冲电路,吸收变压器原边漏感产生的尖峰,减小MOS管的应力,同时减小EMI。当开关管关断时,变压器漏感能量转移到电容C上来,然后由电阻R将这部分能量消耗。图7(a)及图7(b)分别为加入吸收电路前后开关管漏源电压波形,实验结果表明该电路可进一步吸收漏感Lp(线路寄生电感)和开关管结电容形成的电压尖峰。

(a) 加吸收电路前 (b) 加吸收电路后
图7 开关管漏源电压波形
3.5.2 针对变压器二次侧续流回路
在续流二极管D旁并联RC吸收电路,同时与续流二极管D串接可饱和磁芯电感Ls,如图8所示。可饱和磁芯线圈在通过正常电流时磁芯饱和,电感量很小,不会影响电路正常工作;一旦电流要反向流过时,磁芯线圈将产生很大的反电势,阻止反向电流的上升,因此,将它与二极管D串联就能有效地抑制二极管的反向浪涌电流。一种小型磁环,可以直接套在二极管的正极引线上,使用很方便。
图8 接入RC吸收电路和可饱和磁芯
图9(a)及图9(b)分别是续流电路采取相应措施前后的续流二极管电压波形,可见对抑制电压过冲效果明显。

(a) 接入RC与Ls前 (b) 接入RC与Ls后
图9续流二极管电压波形
3.5.3 针对变压器的漏感
在反激式拓扑中,可将变压器等效为理想变压器和原边激磁电感的并联。为了传送足够的功率,变压器必须添加气隙,以便在磁路中储存能量,因而磁漏一般都较大。在实际绕制变压器时,采取了三明治绕法以减小漏感。以其中一组变压器为例,最里一层为原边绕组,第二、三层是副边,最外一层仍是原边。这种绕法增强了原副边的耦合程度,减小了变压器漏感,这样可以减小开关管上的尖峰电压,由散热器回路产生的共模干扰也会大幅度降低。三明治绕法的缺点是原边绕组从内层到外层穿越了中间的副边绕组,在变压器中轴端侧绝缘性能大大降低,对于耐高压实验是不利的,因而多用在对绝缘性能要求不高的场合。
3.6 反馈环节的调整
在电路调试中,反馈环节调整至关重要,EMI往往是造成反馈环节特性差,电路出现振荡的主要原因。由于使用的是电流峰值控制,反馈包括电压和电流反馈。比如,在电流采样电阻端添加的RC滤波网络,是一个低通滤波网络,示波器观察,添加前后,开关管开通瞬间的电流毛刺降低了约3/4。而电压反馈开始也采用了RC分压滤波网络,即在电阻分压网络的接地电阻侧并联滤波电容,容值约为PI调节环电容值的1/10。
调试过程中,曾发生由于接地的不当,使在控制部分和主功率地之间存在分布的共模阻抗,导致电压输出端的共模噪声通过共模阻抗传导入控制芯片的地,造成占空比丢失,负载调整率不高等问题。当在输出端接入共模EMI滤波器后,情况大为改观,振荡消失。可见在输出端接入共模滤波器作用明显。在PCB制版中经过对地线的改进,采用星状铺地后,便大大降低了共模噪声的传导途径,即使不接入该滤波器,经过反馈环节自身的PI调整,变换器也同样趋于稳定。
4 结语
上述的一些方法是针对一个具体的电源,从减小干扰源和切断干扰途径来进行分析研究的。由于电路拓扑采取的是硬开关电路,EMI的问题是其比较难以解决的问题。应当说明的是,尽管软开关工作方式较之硬开关工作方式对减小开关管的电流和电压应力效果是显著的,但由于实现软开关的方式存在多种途径,其中一些途径引入的有源及无源元器件在特定工作状态和本身杂散参数的影响下,亦会成为EMI源,同样不可忽视。因而是否采用可以降低开关应力的软开关电路,尚须有关试验结果来证实。
另外,由于该开关电源存在两组并联的情况,各组之间存在未知的干扰,究竟是共模还是差模,需要在实验中比较检验。况且控制电路没有采用同步方式,不同步的开关相位引起的相互的干扰更加不可预料,有待进一步研究。
电子发烧友App









评论