免维护铅酸蓄电池的结构
人们常说的免维护蓄电池正规名称叫做阀控式密封铅酸蓄
2009-10-29 17:29:03
2206 铅酸蓄电池充放电工作原理
通过以前的介绍我们知道一个基本的铅酸蓄电池是由正、负极板浸润在它们之间的电解
2009-11-17 10:17:38
16480 UPS系统原理、蓄电池充放电试验及维护手册
2024-02-25 15:39:35
524 
蓄电池是将化学能直接转化成电能的一种装置,是按可再充电设计的电池,通过可逆的化学反应实现再充电,通常是指铅酸蓄电池,它是电池中的一种,属于二次电池。
2019-09-12 09:11:50
蓄电池是将化学能直接转化成电能的一种装置,是按可再充电设计的电池,通过可逆的化学反应实现再充电,通常是指铅酸蓄电池,它是电池中的一种,属于二次电池。它的工作原理:充电时利用外部的电能使内部活性物质再生,把电能储存为化学能,需要放电时再次把化学能转换为电能输出,比如生活中常用的手机电池等。
2019-09-30 09:02:26
高的蓄电池放电测试仪。而蓄电池放电测试仪也需要日常的维护与保养,在仪器发生故障的时候我们应该如何排查呢?接下来华天电力为大家分享蓄电池放电测试仪常见故障及该如何排查故障。1、某个模块单体电压全部为
2018-12-26 10:39:25
蓄电池充放电电路原理图谁有,谢谢
2021-04-07 21:38:24
蓄电池放电装置为负载型恒流放电装置,在放电的过程中产生的热量 较大,设备应放置在通风良好,无结露,无腐蚀的环境下运行.装置两侧的通风孔不得 阻塞,无异物,保证通风良好,风机运行正常.
2019-09-23 09:00:43
中电北科电气有限公司专门针对蓄电池组进行核对性放电实验、容量测试、电池组日常维护、工程验收以及其它直流电源带载能力的测试而设计。蓄电池放电测试仪功耗部分采用新型PTC陶瓷电阻作为放电负载,完全避免了红热
2019-01-22 09:59:52
有没有人做过蓄电池充放电检测的,怎样检测蓄电池的实际值,充放电时会虚高虚低,测的不准啊,求助
2016-07-21 09:14:57
蓄电池是将化学能直接转化成电能的一种装置,是按可再充电设计的电池,通过可逆的化学反应实现再充电,通常是指铅酸蓄电池,它是电池中的一种,属于二次电池。它的工作原理:充电时利用外部的电能使内部活性物质再生,把电能储存为化学能,需要放电时再次把化学能转换为电能输出,比如生活中常用的手机电池等。
2019-09-10 10:41:44
蓄电池是将化学能直接转化成电能的一种装置,是按可再充电设计的电池,通过可逆的化学反应实现再充电,通常是指铅酸蓄电池,它是电池中的一种,属于二次电池。它的工作原理:充电时利用外部的电能使内部活性物质再生,把电能储存为化学能,需要放电时再次把化学能转换为电能输出,比如生活中常用的手机电池等。
2019-09-26 09:12:05
为化学能,需要放电时再次把化学能转换为电能输出。蓄电池是通信基站供电系统的主要蓄电手段,由于全国电力资源紧缺,供电部门频繁实施错峰拉闸限电措施,经常出现基站大面积停电,这个时候就需要用到蓄电池来维护
2012-10-24 14:29:55
蓄电池是将化学能直接转化成电能的一种装置,是按可再充电设计的电池,通过可逆的化学反应实现再充电,通常是指铅酸蓄电池,它是电池中的一种,属于二次电池。它的工作原理:充电时利用外部的电能使内部活性物质再生,把电能储存为化学能,需要放电时再次把化学能转换为电能输出,比如生活中常用的手机电池等。
2019-10-10 09:11:02
我们常用的车用蓄电池主要分为三类 , 分别为普通蓄电池、干荷蓄电池和免维护蓄电池三种。
2019-10-12 10:42:11
蓄电池是将化学能直接转化成电能的一种装置,是按可再充电设计的电池,通过可逆的化学反应实现再充电,通常是指铅酸蓄电池,它是电池中的一种,属于二次电池。它的工作原理:充电时利用外部的电能使内部活性物质再生,把电能储存为化学能,需要放电时再次把化学能转换为电能输出,比如生活中常用的手机电池等。
2019-10-30 09:10:58
蓄电池电压的下限值为放电终止电压.如果低于这一电压而继续放电,轻则性能下降,重则引起火灾。 这款过放电保护电路,不需男接电源.而由被保护的蓄电池供电。一旦达到放电终止电压,蓄电池的负荷及保护电路
2021-05-11 08:00:57
1、长时间的小电流放电。大家都知道,蓄电池所使用的容量与放电电流的大小关系密切,放电电流越小,实际放掉的容量就越多。一般来说,蓄电池的放电容量,必须控制在80%的额定容量以内。也就是说,当蓄电池
2020-12-07 15:21:05
时的供电能力。这种现象会最终导致在硫酸浓度较高的区域出现极板腐蚀。但是采取这种计划性的维护,由于两次维护间隔时间太长而并不能连续监测蓄电池的状态;同时用户在进行过放电测试后的第二天就不敢说蓄电池组是否将会
2011-03-10 10:22:03
、放电、活化、内阻测试、容量试验等。本活化仪有过压、过流、过热保护电路,在线活化时可自动启动旁路装置,保证在市电掉电后电池组正常工作,是真正的在线活化仪。 活化仪随机配备管理软件,可对蓄电池各种维护操作数
2017-05-28 17:50:03
一、方案背景:UPS电源是将蓄电池与主机相连接,通过主机逆变器等模块电路将直流电转换成市电的系统设备。蓄电池作为UPS系统的组成部分,能否加强蓄电池的维护管理,将直接关系到系统的运行质量。而对
2021-11-16 06:59:03
负载功率(W)、T--理想备用小时数(h)、V--UPS 蓄电池组额定电压(V)、η--蓄电池逆变效率(查表)、K--蓄电池放电系数(查表) 举例:爱默生系列120KVA UPS 后备时间1h,选用华
2011-11-25 17:17:26
; IDCE-4830CT蓄电池放电容量测试仪——每年例行深度容量放电试验必备工具,简单的连接,人性化的设计,最大程度上方面了维护人员的测试 
2010-11-26 19:27:14
变频由交直变换(整流)和直交变换两部分组成,后一部分就是逆变。■逆变电路的主要应用 ◆各种直流电源,如蓄电池、干电池、太阳能电池等。...
2021-11-15 07:58:22
蓄电池的容量都可等到一定程度的恢复。一、常见问题及处理1、 免维护蓄电池(以下简称电瓶)在充电时基本不产生气泡,可以在密封状态下,省去了加酸等维护工作。但电瓶在充放电过程中要完全不产生气体是不可能
2021-05-14 07:59:49
剩余容量是指蓄电池等储能装置在经过一定时间的使用后剩余的容量大小。一般蓄电池的建模方法可以分为两大类:一类是物理建模方法;另一类是系统的辨识与参数估计建模方法。中文名剩余容量外文名residual
2021-08-31 08:37:43
是变电站的。开展充放电试验主要是为了检查蓄电池容量、及时发现老化电池而进行的。1.放电前,应提前对电池组做均充,以使电池组达到满充电状态,一般以2.35V/单体充电12小时,静置12-24h;2. 记录
2020-09-14 20:49:56
基本不需要补充蒸馏水。它还具有耐震、耐高温、体积小、自放电小的特点。使用寿命一般为普通蓄电池的两倍。市场上的免维护蓄电池也有两种:第一种在购买时一次性加电解液以后使用中不需要维护(添加补充液);另一种
2013-12-09 15:37:03
,期望寿命1-3年。充放电时会产生氢气,安置地点需设置排风管以免造成危险,电解液呈酸性,会腐蚀金属,需经常加水维护,价格低廉。 免维护蓄电池新型蓄电池,无需加水,期望寿命一般为5-7年密封式充电不会产生
2016-01-06 16:31:08
蓄电池过放电会造成极板酸化,影响蓄电池的正常使用寿命。为解决该问题,特设计了一款微功耗蓄电池过放电保护电路,如下图所示,该电路具有极低的检测电流(检测电流≤1.1mA)、保护电路动作后不再消耗电能、抗干扰能力强等优点。
2021-04-26 07:21:01
汽车蓄电池的分类1、湿荷电蓄电池2、干荷电蓄电池3、少维护蓄电池4、免维护蓄电池
2019-09-27 09:11:03
就是它的内阻。无论是蓄电池即将失效、容量不足或是充放电不当,都能从它的内阻变化中体现出来。因此可以通过测量蓄电池内阻,对其工作状态进行评估。蓄电池的内阻由欧姆极化(导体电阻)和电化学极化及浓差极化电阻三个
2011-03-11 13:16:03
市场接受的只能是铅酸蓄电池。铅酸蓄电池历史悠久,在电动车需求的刺激下,也取得了很大进展,达到了较好的性能指标。目前主要需解决电池一致性、能量密度低以及寿命短等问题,同时还应该发展密封、免维护的电池
2011-03-10 17:06:57
出现下列情况之一者应及时进行均衡充电:被确定为大充的蓄电池组。交流电源中断或充电装置发生故障使蓄电池组长放电。运行中因故停运时间长达两个月及以上的蓄电池组。单体电池端电压偏差超过允许值的电池数量达总电池
2021-01-18 17:22:14
`产品名称:蓝肯蓄电池型号:np100-12联系人:马泽凯联系电话:***蓄电池密封免维护:采用贫液式设计,气体复合效率高,大于98%,因此无酸雾逸出。可靠稳定安全阀,保证电池的密封性,高氧复合效率
2015-04-09 11:54:06
一、通信基站蓄电池日常维护难题作为通信电源维护人员,通信基站蓄电池的维护一直是令人操心的事情。由于通信基站的环境无法与中心机房相比,蓄电池在失去空调恒温保护,过放电,充电不足等恶劣环境下很容易出现
2010-10-29 08:39:01
放电试验必备工具,简单的连接,人性化的设计,最大程度上方面了维护人员的测试 2008年某省知名冶金企业引入福光电子“备用蓄电池维护方案”,在福光技术人员的指导下建立起了一套长短期结合
2010-11-26 16:21:56
放电试验必备工具,简单的连接,人性化的设计,最大程度上方面了维护人员的测试 2008年某省知名冶金企业引入福光电子“备用蓄电池维护方案”,在福光技术人员的指导下建立起了一套长短期结合
2010-11-26 16:24:40
左右,锂电池的循环寿命大约是蓄电池的五六倍。 质量比能量(WH/kg):锂电池是100-150,蓄电池是30-50。 体积比质量(Wh/L):锂电池是200-250,蓄电池是60-90。 充放电
2019-06-25 04:20:09
)、劣化状况(SOH),以便于处理极扳活性物质凝结、测试电池性能、防止极板钝化,保证电池质量。根据中国邮电电信总局颁发的《电信电源维护规程》的要求,所有阀控式铅酸(VRLA)蓄电池出厂前都要进行进行2~3次充放电试验,考验和检测各相技术指标。
2019-08-30 07:58:47
一、装置简介QY-FL01风力发电整流逆变实训装置分为被控对象和控制单元两部分组成,被控对象单元 模拟风力发电装置、液压站和蓄电池组组成。控制单元由可编程控制器、变频器、指针表、充电控制器、逆变器
2021-07-12 06:28:23
一、装置简介QY-FL02风力发电整流逆变实训装置分为被控对象和控制单元两部分组成,被控对象单元由鼓风机、发电机、和蓄电池组组成。控制单元由可编程控制器、变频器、指针表、充电控制器、终端负载等组成
2021-07-12 06:15:17
一产品综述
HD4830蓄电池全在线放电分析仪集离线或在线充电、放电、在线监测功能为一体,一机多用。减少企业成本,降低维护人员劳动强度,为电池和UPS电源维护提供全面科学的检测手段
2021-11-23 14:14:15
均衡度、剩余容量和放电可持续时间等监测和告警功能。能对蓄电池组进行自动均衡电压维护。用于对2V、6V、12V蓄电池进行在线监测。 一、产品应用:在电力二次
2021-11-23 14:22:49
一产品综述HD4830蓄电池全在线放电分析仪集离线或在线充电、放电、在线监测功能为一体,一机多用。减少企业成本,降低维护人员劳动强度,为电池和UPS电源维护提供全面科学的检测手段。HD4830蓄电池
2021-11-29 15:21:15
北京昊瑞昌科技有限公司生产的蓄电池充放电机、充放电机、充放电一体机、智能充放电机、充放电设备主要用于各种铅酸电池、锂电池、超级电容器的检测老化以及预充电使用;还可作为蓄电池的放电负载,把蓄电池恒流放电
2022-04-27 16:10:33
本产品是根据国家DL∕T 1397.2-2014 电力直流电源系统用测试设备通用技术条件 第2部分:蓄电池容量放电测试仪 有关测试与维护规程要求所设计,对蓄电池
2022-06-06 10:05:20
VO2750系列蓄电池放电测试仪专门针对蓄电池组进行核对性放电实验、容量测试、电池组日常维护、工程验收以及其它直流电源带载能力的测试而设
2022-06-06 14:37:54
蓄电池的使用和维护知识1.概述
蓄电池是UPS系统中的一个重要组成部分,它的优劣直接关系到整个UPS系统的可靠程度,然而蓄电池却又是整个UPS系统中平均
2009-11-05 15:48:00
13 一、产品用途UPS机房中使用的蓄电池组不论是免维护或其它类型的蓄电池都需要按照电池的使用规程,定期实施放电,保证电池组在断开市电的情况下能连续带载10小时,保证设备的正常运行。我司智能
2023-08-04 11:09:04
一、产品用途蓄电池充放电综合监测仪集蓄电池恒流放电、智能充电、活化、单体监测于一体。一机多用,减少企业成本,降低维护人员劳动强度,为电池和UPS电源维护提供全面科学的检测手段。用于电信
2023-08-04 11:15:17
蓄电池充电方法的研究
摘要:针对蓄电池的特点,研究了蓄电池充放电过程中的极化现象,提出和分析了几种充电方式,并展望了其
2009-07-11 13:58:35
1140 
阀控式蓄电池的使用和维护
摘要:介绍了阀控式蓄电池的原理,分析了影响蓄电池使用寿命的主要因素,提出了正确
2009-07-15 08:58:35
855 
蓄电池如何使用和维护?免维护蓄电池也可以进行补充充电,充电方式与普通蓄电池的充电方法基本一样。充电时每单格电压应限制在2.3-2.4V间。注意使
2009-10-24 13:44:50
3549
蓄电池维护器 铅酸蓄电池延寿再生维护器是采用自动扫频共振(Scan-To-Resonate TM)和同步干扰抑
2009-11-09 09:12:20
460 蓄电池的使用和维护知识1.概述 蓄电池是UPS系统中的一个重要组成部分,它的优劣直接关系到整个UPS系统的可靠程度,然而蓄电池却又是
2009-11-10 14:41:14
387 车用蓄电池的维护
2009-11-10 16:39:39
284 免维护蓄电池的特点
免维护蓄电池与普通铅蓄电池的最大区别是极
2009-11-11 14:21:59
662
蓄电池自放电 蓄电池因不纯物污染造成内部发生电化学反应,或长久不用皆会耗电,此即称为自放
2009-11-16 14:26:49
1141 车用蓄电池的种类与正确的使用和维护
目前,我们常用的车用蓄电池主要分为三类,分别为普通蓄电池、干荷蓄电池和免维护蓄电
2009-11-17 10:04:12
378 蓄电池充放电迎来科技曙光
近日,新型节能回馈放电仪和蓄电池组在线监测终端,经过五天的紧张安装、调试,顺利完成各项测试,
2010-01-26 08:44:47
639 汽车蓄电池的维护保养技巧几则
汽车蓄电池的维护保养
很多车主都认为蓄电池是一个
2010-03-11 08:35:06
666 本文以12V,100A·h铅酸蓄电池为例,介绍了全数字控制蓄电池充放电电路和控制方法
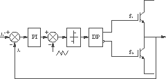
2011-04-14 18:35:41
3534 
对蓄电池的荷电状态(state of charge, SOC)进行预测是蓄电池能量管理的前提。考虑蓄电池充放电电流、内部工作温度和充放电循环次数等因素的影响, 结合卡尔曼滤波, 提出了蓄电池SOC 预测
2011-06-21 17:54:28
46 本文研究了一种基于PWM逆变整流的新型蓄电池充放电装置,能耗低,功率因数大,能实现恒流或恒压充放电以及实现负载大小灵活调节,并能将试验过程中的能量反馈回电网,实现了能
2011-08-19 11:27:35
4770 
随着电力电子技术和计算机技术的发展,采用SPWM双向整流逆变技术可以实现蓄电池的充放电控制。
2012-03-13 18:51:19
3262 
本例介绍的蓄电池放电保护器,能在蓄电池电压降至9v时,将蓄电池与负载电路之间断开,防止蓄电池过放电;同时还能发出蓄电池欠电压指示。
2012-10-10 14:40:58
3414 
叙述了双同步旋转坐标变换原理,提出了一种基于此变换的新型锁相环(SPLL)设计方法,阐述了新型SPLL在蓄电池充放电装置中的具体应用方案,该方案能够在电网电压发生畸变及不平衡条
2013-09-26 17:15:44
41 基于PWM技术蓄电池充放电与检测系统设计
2017-01-17 19:54:24
14 蓄电池充放电控制系统设计论文
2017-03-22 10:58:40
29 蓄电池充放电控制系统设计
2017-03-22 10:57:13
14 一种基于STM32的铅酸蓄电池智能充放电系统的设计
2017-09-28 10:18:55
58 上延长UPS的蓄电池寿命并降低故障率。本篇文章就将为大家介绍UPS电池的维护方法。 保持适宜的环境温度 通常来说,影响电池寿命较大的因素是环境温度。一般电池生产厂家要求的最佳环境温度是在20-25℃之间。虽然温度的升高对电池放电能力有所
2017-10-10 15:29:39
6 电力机车用蓄电池承担着机车升弓前为辅助系统供电的任务,蓄电池的质量显得至关重要。目前电力机车用蓄电池充放电装置大多使用传统的相控整流充电技术,虽然技术成熟、价格低廉,但调节周期长、动态响应
2017-11-08 14:29:58
7 本文介绍了以DSP为核心的基于SPWM双向逆变技术的蓄电池充放电控制系统设计方案:给出了3种可行的控制方法及其结果。实验结果证明了该系统精确、稳定并具有节能效果。
2018-04-09 09:33:53
3 铅酸蓄电池的运用寿数是以其容量来确认的。当其经过屡次充放电运用后,容量逐渐下降,最终不能运用。铅酸蓄电池在实际运用过程中,往往会存在着过充过放、温度补偿不当、长期浮充、不均衡性充放以及失水等现象
2021-03-17 17:34:58
2502 蓄电池的放电特性是指在恒流放电过程中,铅蓄电池的端电压和电解液密度随放电时间而变化的规律。电解液密度随放电时间的延长按直线规律减小。
2019-11-27 09:31:55
13542 本文首先阐述了免维护蓄电池的设计寿命,另外还介绍了免维护蓄电池的优点。
2020-01-10 11:14:42
3549 本文主要阐述了胶体蓄电池的优势及胶体蓄电池维护。
2020-01-10 14:13:01
2799 免维护铅酸蓄电池,顾名思义最大的特点就是“免维护”。和铅酸蓄电池比它的电解液的消耗量非常小,在使用寿命内基本不需要补充蒸馏水。它还具有耐震、耐高温、体积小、自放电小的特点。当然相对的,它的售价也会比铅酸蓄电池更贵。至于使用寿命,正常情况下免维护蓄电池的建议更换周期为3年左右,与铅酸蓄电池相当。
2020-12-29 15:38:23
11090 蓄电池放电测试仪 型号:TKXFD 名称:蓄电池放电测试仪、蓄电池放电仪、蓄电池充放电综合测试仪、蓄电池充放电检测仪、蓄电池组充放电容量测试仪、电池充放电测试系统、蓄电池测试仪 TKXFD蓄电池放电
2021-02-26 16:07:27
1814 智能蓄电池充放电仪 型号:TKXJC 名称:蓄电池综合测试仪、蓄电池充放电测试仪、蓄电池充放电测试仪、蓄电池充放电仪、蓄电池充电测试仪、蓄电池放电测试仪、直流蓄电池放电仪、蓄电池智能放电仪、蓄电池
2021-02-26 16:08:54
1302 充电、活化于一体。一机多用,减少企业成本,降低维护人员劳动强度,为电池和UPS电源维护提供全面科学的检测手段。 宽电压(10-600V)蓄电池充放电综合监测仪集蓄电池恒流放电、智能充电、活化、单体监测于一体。一机多用,减少企业成本,
2021-03-02 15:42:41
1008 (铁路、高铁、地铁、轻轨)等行业蓄电池自动充放电检测。该产品集蓄电池恒流恒功率放电,单体监测(选配),智能充电于一体;一机多用,减少企业成本,降低维护人员劳动强度,为蓄电池维护提供全面的检测手段,是蓄电池维护工作的
2021-03-02 15:44:10
1514 的实际使用寿命,是直流系统安全运行的保证。关键词:蓄电池;运行;维护一、免维护阀控铅酸蓄电池运行的特点阀控密封式铅酸蓄电池相对于以前使用的镉镍蓄电池解决了蓄电池易漏液、设施腐蚀严重、放电性能不稳定、维护
2021-09-23 09:55:22
5 蓄电池定期核对性充放电作业指导书(电源技术与应用)-蓄电池定期核对性充放电作业指导书
2021-09-23 15:52:20
10 智能蓄电池充放电一体机
2022-07-27 15:39:36
2 一、产品概况 KDZD886C(800V60A)蓄电池智能充放电一体机是集蓄电池恒流放电、智能充电和充放电循环于一体的测试设备,用于定期的电池组检测及落后电池再生活化。用于电信、基站和电力等部门
2022-11-21 11:02:32
542 
蓄电池放电监测仪是专门针对蓄电池组进行蓄电池容量核对性放电实验、电池组定期维护、工程验收以及其它直流电源带载能力的测试而设计的专业测试仪器。
2023-10-24 15:17:13
298 在电力行业,很多时候我们都会同蓄电池打交道,那么我们常常会说对蓄电池进行充放电、活化,是为了什么呢?
2023-12-13 15:12:34
533
评论