LinkSwitch系列恒压/恒流式单片开关电源的应用
0 引言
恒压/恒流(CV/CC)式开关电源是最常用的一种特种电源。2002年9月,PI公司率先推出了LinkSwitch系列(包含LNK500、LNK501)高效率恒压/恒流式三端单片开关电源芯片,它是世界上第一个专门为取代4W以下小功率线性稳压电源而研制的高集成度、低成本、高压功率转换芯片。2004年3月,该公司又研制出LNK520型恒压或恒压/恒流式三端单片开关电源。由LinkSwitch构成的恒压/恒流式开关电源,价格堪与线性电源相媲美。它比传统的线性电源体积小,重量轻,特别适合于低成本电池充电器。这种开关电源可在恒压、恒流两种工作模式下自动转换,比用TOPSwitch-Ⅱ构成的恒压/恒流式特种开关电源大约可节省20个元器件。当额定输出功率为3W时,LinkSwitch允许采用EE13型磁芯,以进一步减小开关电源的体积。
LinkSwitch系列单片开关电源可替代线性电源,广泛用于各种个人电子设备(手机、无绳电话、掌上电脑、数码相机、MP3播放器、电动剃须刀等)的电池充电器或电源适配器,也可以应用在电视机等家用电器的待机电源及各种辅助电源中。
1 LinkSwitch系列单片开关电源的性能特点
1)LinkSwitch系列产品采用PI公司的EcoSmartR技术,将700V功率MOSFET、PWM控制器、高压启动、电流限制和过热保护等电路集成在一个芯片中。该芯片只有3个引脚,对LNK500、LNK501而言,仅须配14个外围元器件,即可构成具有恒压/恒流(CV/CC)输出特性的特种开关电源。用做电源适配器时,LinkSwitch工作在恒压区,可为负载提供稳定的电压,此时恒流区用来提供过载保护及短路时的自动重启动保护。做电池充电器时,LinkSwitch工作在恒流区,充电完毕自动转入恒压区;若在充电过程中因负载短路而使输出电压降至2V以下,则进入自动重启动阶段。与线性稳压电源相比,其功耗可降低70%。
2)LNK500、LNK501在宽范围输入(交流85~265V)时的最大输出功率为3W,交流230V固定输入时的最大输出功率为4W。通常将LinkSwitch设计在不连续模式下工作。利用光耦反馈技术可提高恒压输出的精度和稳定度,而利用外部稳压管进行二次稳压能改善恒流特性。
3)该器件采用新颖的初级恒压、恒流控制方案,包括初级钳位、反馈、内部供电和回路补偿等电路,极大地简化了外围电路的设计。LNK500/501不需要辅助绕组及外部恒压/恒流控制电路,完全由初级感应电压UOR来控制恒压/恒流输出。
4)具有完善的保护功能,包括过热保护,过电流保护,输出短路情况下的过载保护,开路故障保护和软启动功能。
5)功率MOSFET的漏极击穿电压为700V,极限电流固定为254mA,漏-源通态电阻为28Ω(典型值),最大占空比为77%。自动重启动频率为300Hz。过热保护温度为+135℃,当温度降至+70℃时芯片才恢复正常工作。
2 LinkSwitch系列单片开关电源的典型应用
由LNK501构成恒压/恒流式电池充电器的电路如图1所示。该电池充电器的主要技术指标如下:恒压区的额定输出电压Uo=+5.5V,恒流区的输出电流IOM=500mA,最大输出功率POM=2.75W;当交流输入电压u=85~265V时,电源效率η≥72%;当交流输入电压u=230V或115V时,空载功耗分别为260mW或200mW。
图1 由LNK501构成恒压/恒流式电池充电器的电路
RF(Fusible Resistor)采用10Ω、1W的熔断电阻器,当输入端发生短路故障时能起到过流保护作用。BR为1A、600V的整流桥,亦可用4只1N4005型硅整流管来代替。C1、L和C2构成π型滤波器。LNK501的开关频率为42kHz,允许使用简单的EMI滤波器滤除电磁干扰,而且一般不需要初级返回端与次级返回端之间并联一只安全电容(亦称Y电容)。
由1A、600V的硅二极管VD1(1N4937)和0.1μF电容器C4组成钳位保护电路,用来吸收由高频变压器漏感产生的尖峰电压。初级绕组的感应电压值(UOR)亦称次级反射电压,它与输出电压UO之间存在下述关系式:UOR=n(UO+UF1)(式中n为初级与次级的匝数比,UF1为次级整流管的压降)。这表明UOR能反映输出电压的高低。因此,利用取样电容C4所获得的反馈电压同样能反映出UO的变化情况。电阻R1的作用就是将C4上的反馈电压转换成反馈电流(即控制端电流IC),进而去调节LNK501的输出占空比,实现稳压目的。利用R2可降低开关噪声。根据实际需要还可在初、次级返回端之间并联一只1000~2200pF、耐压值为1.5kV的安全电容C6,进一步抑制电磁干扰,具体接线方法如图1中虚线所示。
在恒压区域内,输出电压受占空比控制。当IC>2mA时,进入恒压区,输出电压及占空比同时降低;在IC=2.3mA时,进行过电流保护,使占空比降至30%。若UO降到2V以下,则C3放电,使LNK501进入自动重启动阶段,迅速将输出电流限制在50mA以下。若实际输出功率超过POM,则UO↓→UOR↓→IC↓,从而限制了漏极电流ID的进一步增大。若因输出端发生短路故障而导致输出功率继续增大,则IC下降到0.9mA,迫使控制端电容Cc放电,LNK501就进入自动重启动阶段。上述自动保护功能提高了电池充电器在工作时的安全性。在空载或轻载的情况下,芯片的功耗随开关频率的降低而降低。
该恒压/恒流式电池充电器的输出特性如图2所示。图2中的实线代表极限值。次级整流管VD2采用11DQ06型1A/60V肖特基二极管,亦可用MBR160代替。

图2 由LNK501构成恒压/恒流式电池充电器的输出特性
3 电路设计要点
3.1 最大输出功率
LinkSwitch在交流85~265V宽范围输入、交流230V固定输入时的最大连续输出功率(POM)分别为3W、4W。为达到最大连续输出功率,设计电路时应注意以下事项。
1)设计的直流输入电压最小值UImin≥90V。当交流输入电压u=85~265V时,输入滤波电容的容量可按3μF/W的比例系数来选取。对于交流230V或115V固定输入电压,可按1μF/W的比例系数来选取。
2)LinkSwitch是专门设计在不连续模式下工作的,此时初级绕组感应电压UOR的范围是40~60V。若设计成连续模式,会导致环路工作不稳定。
3)次级整流管应采用肖特基二极管。图1中的VD2就采用1A/60V的肖特基二极管。
4)预先可假定电源效率η=70%。
5)源极引脚必须与印制板上的覆铜箔接触良好,以保证将热量及时散发出去,使芯片温度不超过+100℃。
除了受温度条件、通风状况、封装形式、电源结构等因素的影响之外,在给定条件下LinkSwitch的最大输出功率还与高频变压器磁芯的大小、导磁率、初级电感容量、最小输入电压、输入滤波电容的容量、输出电压、整流管压降等参数有关,这会造成实际的POM值与设计值不相等。
3.2 高频变压器
在非连续模式下,当功率MOSFET关断时,已存储在高频变压器中的能量就转换为次级输出。若不考虑次级损耗的情况下,则高频变压器的最大转换功率为
PM=0.5LPI2LIMITf
式中:LP为初级电感量;
I2LIMITf为系数,它代表初级极限电流的平方与开关频率的乘积,其典型值为I2LIMITf=(254mA)2×42kHz=2710A2Hz。
PM所对应的控制端电流用IDCT来表示,IDCT可用来设定LinkSwitch电源的最大输出功率点POM。
当开关电源从恒流区开始工作时,初级电感量(LP)对峰值输出功率(POPK)起决定作用,该参数应加以控制。若估计的POPK值允许有±20%的变化量,则LP值允许偏差±10%,磁芯的气隙δ≥0.08mm。
若采用EE13型磁芯,取δ=0.08mm,LP允许有±10%的偏差,初级感应电压UOR=40~60V,则LinkSwitch的最大输出功率可达2.7W。选择尺寸较大的磁芯能提升感应电压UOR,进而提高输出功率。例如,选择EE16型磁芯时,最大输出功率为3W。如不考虑空载时的功率损耗,还可采用EE19型磁芯,在交流230V输入时,UOR>70V,将输出功率提高到5W。UOR还影响恒流输出特性曲线的线性度。在完成设计前应检查恒流输出特性。
3.3 影响输出特性的因素
LinkSwitch输出特性的余量由LinkSwitch的余量以及外部电路来决定。采用如图1所示电路时,最大输出功率为2.75W,输出电压的变化量为±10%,输出电流的变化量为±20%。影响输出特性的因素主要有初级漏感、次级整流管的压降和输出引线上的电阻。例如,当初级漏感达到50μH时将导致空载时的输出电压大约上升30%。如果增加光耦反馈电路并利用外部稳压管进行二次稳压,那么整个负载范围内的输出电压变化量可降低到±5%。
3.4 关键元器件的选择
下面以图1为例,介绍选择外围关键元器件的原则。
1)钳位二极管VD1应选择耐压为600V甚至更高的快恢复或超快恢复二极管,不能用普通的低速二极管。
2)钳位电容C4可采用0.1μF、100V的金属膜或塑料薄膜电容,容量误差在±5%、±10%或±20%均可,但不推荐使用陶瓷电容,因为该种电容受温度和电压变化的影响较大、容易引起输出电压的波动。
3)控制端电容C3可为LinkSwitch的上电过程或自动重启动阶段提供控制电压。设计电池充电器时,C3应选择0.22μF、10V的电容器,以保证有足够的时间去启动电路。
4)选择反馈电阻R1的原则是在最大输出功率时能使2.3mA的反馈电流流入控制端。R1的准确值还要看所设计的UOR值。适当增大R1值可改变电池充电器的输出特性,如图3所示。
图3 增大R1值对输出特性的影响
图3中的虚线框代表典型的输出特性曲线,实线框表示增大R1值以后的实际工作区,虚线箭头分别表示恒压区及恒流区的变化方向。由图3可见,增大R1值能提高平均输出电压UO(恒压曲线向上移动),减小平均输出电流IO(恒流曲线向左移动)。其变化特征是RFB↑→UO↑→IO↓。
5)如需要增加安全电容滤除次级上的瞬态干扰,应将安全电容并联在初级电路返回端与次级电路返回端之间。安全电容的容量很小,但耐压值必须达到1.5kV才符合IEC标准。
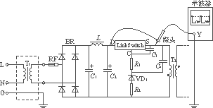
3.5 示波器的接线方式
在用示波器观察LinkSwitch的输出波形时,如果将探针接源极S,地线接初级的返回端,那么探头分布电容上的电荷可能造成误触发,使LinkSwitch达到极限电流。正确的方法是按图4所示,将探头的地线接LinkSwitch的漏极D,以直流作为参考点。由于漏极上有直流高压,因此,在电源的进线端必须接隔离变压器T1。
图4 示波器的正确接线方式
4 结语
LinkSwitch系列恒压/恒流式三端单片开关电源采用初级恒压、恒流控制方案,它不需要辅助绕组及外部恒压/恒流控制电路,极大地简化了外围电路的设计,为实现小功率CV/CC式开关电源的优化设计创造了有利条件。
电子发烧友App


























评论