开关电源的可靠性直接影响到电子产品系统的可靠性。文中从相关数控系统 开关电源 的各种保护电路着手,分析设计了数控开关电源的软启动电路, 过压保护、过流保护、欠压保护等
2011-09-20 10:18:15
3160 
电压,才能保护功率MOSFET和输出侧设备等不被烧毁,否则可能引起电子产品的进一步损坏,甚至引起操作人员的触电及火灾等现象,因此,开关电源的过流保护功能一定要完善。##555限流电路
2014-07-02 11:10:58
10287 关于开关电源EMI(Electro-Magnetic Interference)的研究,有些从EMI产生的机理出发,有些从EMI产生的影响出发,都提出了许多实用有价值的方案。这里分析与比较了几种
2018-12-03 11:22:05
几种常用的开关电源保护电路在电气技术指标满足正常使用要求的条件下,为使电源在恶劣环境及突发故障情况下安全可靠地工作,必须设计多种保护电路,比如防浪涌的软启动,防过压、欠压、过热、过流、短路、缺相等
2009-12-01 17:28:16
开关电源中几种过流保护方式
2012-08-04 09:44:01
:用555做限流保护电路图6电路,可以用在单端反激式或单端正激式变换器中,也可用在半桥式、全桥式或推挽式电路中,只要IC1有反馈控制端及基准电压端即可,当发生过流现象时,用555电路的单稳态特性使电路工作在“打嗝”状态下。(6)几种过流保护方式的比较几种过流保护方式的比较如下表所示。
2022-11-13 08:00:00
开关电源保护电路
2012-08-20 16:31:25
为使开关电源在恶劣环境及突发故障状况下安全可靠,提出了几种实用的保护电路,并对电路的工作原理进行了详尽分析。
2013-07-13 13:03:13
开关电源保护电路
2021-03-16 12:12:11
在做开关电源的时候 ,母线电压在90v左右都能正常工作,增加到100v左右的时候就出现驱动保护,检查了开关变压器,输出整流都是好的,单独检查驱动波形也是正常的,请问有哪位大侠遇到过这类问题
2015-11-13 22:24:52
工厂使用的电控柜使用的MW开关电源,很少坏,过流了也只会出现自保护的现象,电压降到额定输出的三分之一左右,断电再开仍能正常使用,但是中频电源内使用的开关电源是厂家自制,经常坏,而且不能自恢复,需要更换,拆开发现烧保险的较多,能不能换成PTC的自恢复保险啊 !MW的是不是用的PTC保险啊?
2012-11-13 15:34:44
1.开关电源与线性电源的整体比较开关电源(包括AC/DC转换器、DC/DC转换器、AC/DC模块和DC/DC模块)与线性电源相比较,最突出的优点是转换效率高,一般可达80%~85%,高的可达90
2021-11-16 07:18:28
工作在“打嗝”状态下。1.5 几种过流保护方式的比较几种过流保护方式的比较如表1所列。 表1 几种过流保护方式的比较2 结语作者经过长期的研发与生产,比较了开关电源中所使用的各种过流保护方法,可以说
2015-10-12 16:39:29
开关电源从控制方式上可分为电压控制型和电流控制型,从隔离变压器的驱动方式上可分为单端型和双端型。在这些电路形式中,许多形式的开关电源需要使用电流传感器检测电流,或者用于脉冲占空比的控制,或者用于电路
2021-12-30 08:28:43
能力的LDO的电源抑制比在100KHz以上都不太好开关电源如果选用类似LM2596这样的芯片,看到纹波输出大概在150KHz以上,求大神指点迷津,开关电源的纹波和噪声可以抑制到什么程度呢?可不可以不用开关电源,直接用LDO来抑制适配器的噪声呢?开关电源芯片有没有开关频率比较低的呢?
2014-04-22 22:30:52
以小型、轻量和高效率的特点被广泛应用到几乎所有的电子设备,其重要性可见一斑。 开关电源的分类 根据开关器件在电路中连接的方式,开关电源总的来说可分为串联式开关电源、并联式开关电源、变压器式开关电源等三
2018-10-18 16:55:21
,应采取接地和屏蔽措施,因此开关电源一般应带有EMC电磁兼容滤波器。所以大家不用担心开关电源会造成干扰。 3. 保护电路 开关电源在设计中必须具有过流、过热、短路,http://www.广告删.com
2012-11-06 15:04:13
第六天:保护电路:知识点1:NCP1200的工作原理。知识点4:输出过流保护。知识点2:跳周期。 知识点5:输出短路保护。知识点3:高压动态供电。 知识点6:输出过压保护。 1.3.7第七天:开关电源
2014-12-27 16:08:36
减轻浪涌电流的破坏, 设置抑制浪涌电流或将浪涌电流转移到地线等方式来保护开关电源避免浪涌电流的损害。 1. 1启动限流保护 开关电源的初级整流电路有大容量滤波电容,开机瞬间整流管向这些大电容充电
2018-10-12 17:03:36
开关电源常用保护电路-过热、过流、过压以及软启动保护电路
2016-06-22 08:31:16
开关电源的过流保护电路探讨
2019-03-19 06:27:22
开关电源干扰可以用什么方式避免?有没有解答的
2023-04-21 17:51:54
,此时工作电压约22V。下图是在网上找到的测绘版氙气灯开关电源图纸,尚缺乏很多参数。 最近在淘宝淘得一600W24V25A开关电源,也是采用的3525A方案,我想用这个电源按照上图的方式改造,不知道是否
2013-10-18 17:43:29
模块电源电压变换;后两种工作方式多用于开关稳压电源。 根据开关器件在电路中连接的方式,目前比较广泛使用的开关电源,大体上可分为:串联式开关电源、并联式开关电源、变压器式开关电源等三大类。其中
2013-04-24 17:50:03
量系数K,一般取1.5到1.8。1.4.2接地开关电源有许多干扰,屏蔽和接地措施可以有效地对付共模干扰的电气设备。1.4.3 保护电路开关电源设计有短路保护电路,过流保护电路,过热保护电路防止电气设备
2018-05-14 10:18:04
一.开关电源的控制结构:一般地,开关电源大致由输入电路、变换器、控制电路、输出电路四个主体组成。如果细致划分,它包括:输入滤波、输入整流、开关电路、采样、基准电源、比较放大、震荡器、V/F转换、基极
2018-05-09 10:08:50
开关电源的激励方式
2021-03-11 07:12:26
开关电源的过流保护电路设计方案(2)
2019-03-25 16:03:32
本书是一本介绍开关电源理论与工程设计相结合的工具书,介绍了电源在系统中的作用、电源设计流程、开关电源设计、开关电源与线性电源的比较、改善开关电源效率的整形技术。重点介绍了开关电源电路拓扑的选取
2018-01-15 12:41:08
开关电源辅助绕组过流,正常工作电流5mA,实际测得14mA,正常温度25°下,辅助绕组7.5Ω限流电阻温度100°左右。电源管理芯片是好的。想请问一下可能什么原因
2022-07-25 09:02:06
有没有对开关电源输入级防雷接保护地比较熟的哥们? 曾见过个很正规的原理图,在输入的两个保险丝和压敏电阻中间,接了一个标着FDG的东西接到PE,通常那个地方是直接连到PE的,加的这个FDG是什么?可能是什么?
2011-12-27 15:57:23
开关电源过流保护-打嗝模式是什么
2021-09-29 09:22:47
作用。2、但是如果直接将输出负载短路后,直接烧了输入端的保险管,并没有达到过流保护作用。3、本电路原计划是用于开关电源多路输出时,输出级过流保护的。请各位朋友来帮我分析一下:为什么均匀缓慢增大电流能保护,但是直接短路输出时却不能保护呢?需要怎么修改?
2016-10-25 21:51:40
保护电路----1.引言----开关电源发展趋势是工作频率越来越高,实用频率已接近或超过1MHz,且超大功率器件的驱动也比较困难,随着使用频率的进一步提高,高速开关与大功率M0SFET的转换(过渡)过程
2009-08-23 13:17:36
小编带大家一起来了解led电源比较常见的集中保护电路。led开关电源过电流保护电路在直流LED开关电源电路中,为能保护调整管在电路短路、电流增大时不被烧毁。它的大概方法是,当输出电流超过某一值时,调整
2016-05-20 09:23:17
led开关电源的保护模式如下:1、过流电路:通常要先知道当出现负载短路、过载或者控制电路失效等意外情况时,会引起流过开关管的电流过大,使管子功耗增大、发热,假如没有过流保护装置,大功率开关管就有几率
2016-04-27 10:26:37
LED开关电源保护电路介绍
2019-05-24 08:09:30
压降值变化而改变电压的恒定电流源即恒流驱动 。根据LED的伏安特性,电压的微小变化可导致电流的很大变化,有可能损坏LED, 且开关电源中控制电路比较复杂,晶体管和集成器件耐受电、热冲击的能力较差。因此
2019-11-08 07:31:30
较重,而且效率比较低,可靠性也不高。 4.电子变压器降压方式:此方式缺点是电源效率较低,电压范围不够宽,波纹干扰较大大,市场对这种类型电源产品使用较少。 5.RCC降压方式开关电源:此方式的优点是效率
2016-04-18 12:18:43
`随着电力电子技术的不断创新,开关电源技术也在不断地提升。时至今日,开关电源已经以小型、轻量和高效率的特点被广泛应用在几乎所有的电子设备中,是当今电子信息产业飞速发展过程中不可或缺的一种电源方式
2018-03-22 16:56:58
开关电源,其工作原理如下图图1所示。可以看到,在图1所展示的电路系统中,电源输出电压Vo与参考电压Vref比较、放大后得到误差电压信号Ve,再与斜坡电压比较后,PWM比较器输出一定占空比的系列脉冲。图1
2016-01-29 16:10:04
为何使用开关模式电源?最常用的开关电源有哪几种?
2021-03-11 08:02:38
以上的开关电源中,晶闸管用于大功率开关电源中。(3)按开关电源控制方式可分为:脉宽调制(PWM)开关电源、脉频调制(PFM)开关电源、混合调制开关电源。(4)按开关电源的功率变换电路的结构形式可分为
2011-12-14 11:56:32
如何去实现多种过压与过流保护器件的电路保护设计?
2021-06-04 06:58:08
开关电源的工作过程是怎么样的?直流开关电源内部结构如何?开关电源主要有什么工作方式?
2021-03-11 06:06:05
6种开关电源输入保护电路
2021-02-25 06:19:29
几种基本类型的开关电源工作原理
2019-05-05 08:55:03
的保护方案和电路结构。在实际应用中,通常选用几种保护方式加以组合的方式构成完善的保护系统,确保直流开关电源的正常工作。
2011-11-12 15:24:19
电源装置而言,应选择合理的保护方案和电路结构。在实际应用中,通常选用几种保护方式加以组合的方式构成完善的保护系统,确保直流开关电源的正常工作。
2019-12-25 18:07:40
基于直流开关电源的保护电路设计(2)
2019-04-30 07:36:55
几种实用的直流开关电源保护电路(2)
2019-03-06 10:19:03
体积小、重量轻、效率高,确保了长期满负荷运行的稳定、可靠。 设有完善的保护功能。 稳压恒流开关电源内置温控散热风扇,既能有效散热,又能有效延长风扇寿命;过热自动关机保护;输出过压、过流
2009-07-31 15:00:14
开关电源芯片是电子产品中不可缺少的一部分,所以的电子产品都需要电子芯片,下面由我带大家了解一下开关电源芯片的作用和原理。开关电源管理芯片,电子芯片,可分为AC/DC和DC/DC两大类。 AC/DC
2019-09-27 15:55:35
处理不当,开关电源本身就会变成一个干扰源。LDO有较高的电源抑制比,且LDO是低噪声器件,因此应用LDO可以有效地滤除开关电源EMI,减小纹波输出。 4.为开关电源提供过流保护 尽管许多PWM控制芯片本身具有过流保护功能,但LDO的过流保护功能可以提升开关电源的安全系数。`
2019-03-07 11:25:13
)的充电,我需要这个充电电流越大越好,但是这个充电电流如果万一达到15A,这个开关电源内部是不是会产生过流保护,从而自己断电,所以我想在开关电源和这个电容之间加一个限流芯片或者设计一个限流电路,要求能
2018-06-13 11:39:10
请问开关电源中开关管为什么要加入延时保护电路?
2023-03-07 17:51:10
RCC方式开关电源电路图
2019-11-11 08:56:19
滤波电路、功率变换电路、PWM控制器电路、输出整流滤波电路组成。辅助电路有输入过欠压保护电路、输出过欠压保护电路、输出过流保护电路、输出短路保护电路等。开关电源数字控制器设计方法的比较从带宽带和相角裕
2019-02-18 14:33:13
摘要:为使开关电源在恶劣环境及突发故障状况下安全可靠,提出了几种实用的保护电路,并对电路的工作原理进行了详尽分析。关键词:开关电源;保护电路;可靠性
2009-01-21 12:50:43
96 本文先分析了开关电源产生电磁干扰的机理, ,就目前几种有效的开关电源电磁干扰措施进行了分析比较,并为开关电源电磁干扰的进一步研究提出参考建议。关键词 开关电源 电
2009-08-07 16:22:24
41 介绍了高压开关电源的特点和几种适用的软开关电路形式,并简单分析其工作原理和给出部分波形。
2010-07-01 15:12:16
56 摘要:为使开关电源在恶劣环境及突发故障状况下安全可靠,提出了几种实用的保护电路,并对电路的工作原理进行了详尽分析。
关键词:开关电源;保护电路;可靠性
2010-12-14 13:30:10
196 几种过零控制开关电路图
2007-12-15 14:43:37
2176 
开关电源TVS保护电路图
2009-06-08 14:57:53
1282 
开关电源保护电路
摘要:为使开关电源在恶劣环境及突发故障状况下安全可靠,提出了几种实用的保护电路,并对
2009-07-07 13:24:37
1815 
电力操作电源两种控制方式的比较
1引言
开关电源是一个闭环的自动控制系统,开关电源的控制环节的设计是其设计
2009-07-10 08:43:26
1262 
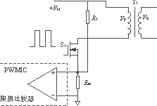
该数控系统开关电源输出有多路, 有+ 5 V, + 15 V, - 15 V, + 24 V 等多路输出, 在开关电源系统中, 对主变换电压+ 5 V 进行过压保护,数控开关电源过压 保护电路 :
2011-09-20 10:53:18
3769 
本文通过对单结晶体管与晶闸管组合构成的电压保护电路构成的电压保护电路工作原理的分析,提出一种利用LM339电压比较器来完成开关电源的过、欠压及过热保护电路,使得保护电路更
2012-10-10 16:36:24
1438 
本文介绍通信开关电源冷却技术的设计对通信机房环境和温度变化的适应性要求,并给出目前整流器常用的几种冷却方式及其分析比较。
2013-01-04 15:12:46
941 ,希望大家有需要的下载查看,大学整理的资料。
2015-11-03 17:01:43
13 开关电源保护电路的工作原理开关电源保护电路的工作原理
2016-01-15 16:39:02
83 开关电源保护电路的工作原理开关电源保护电路的工作原理开关电源保护电路的工作原理
2016-02-18 18:12:21
32 几种常见的开关电源工作原理,感兴趣的小伙伴们可以瞧一瞧。
2016-09-18 17:15:05
0 开关电源的相关知识学习教材资料——开关电源纹波的几种抑制方法
2016-09-20 16:10:29
0 关于开关电源EMI的研究,有些从EMI产生的机理出发,有些从EMI产生的影响出发,都提出了许多实用有价值的方案。这里分析与比较了几种有效的方案,并为开关电源EMI 的抑制措施提出新的参考建议
2016-12-19 10:07:11
1631 开关电源中光耦隔离的几种典型接法对比
2017-01-14 11:11:28
22 摘要:本文先分析了开关电源产生电磁干扰的机理, ,就目前几种有效的开关电源电磁干扰措施进行了分析比较,并为开关电源电磁干扰的进一步研究提出参考建议。
2017-02-10 17:21:13
11821 
对目前出现的几种典型的开关电源技术作了归纳总结和分析比较,在此基础上指出了开关电源技术的发展状况和开关电源产品的发展趋势。并且对开关电源的发展史、应用范围、主电路的选择作了简要的介绍。
2017-02-20 10:25:05
2844 
开关电源保护电路设计
2017-06-19 15:10:44
18 为使开关电源在恶劣环境及突发故障状况下安全可靠,提出了几种实用的保护电路,并对电路的工作原理进行了详尽分析。
2019-03-07 17:12:00
56 研究了几种相对较新的开关电源检测与保护电路,包括过电流、过电压、过热、短路故障。 这些检测与保护电路为开关电源的设计和保障开关电源安全可靠工作提供了经验,可直接用于开关电源的设计和实现,使用效果良好。
2019-03-29 08:00:00
28 用UC3842做的开关电源的典型电路见图1。过载和短路保护,一般是通过在开关管的源极串一个电阻(R4),把电流信号送到3842的第3脚来实现保护。
2020-10-21 11:13:51
95 开关电源输出过压保护电路有有通过控制自身电源来调节的,也有防止外部电压过高带来的电源损伤,自身调节一般是指,过压电路是在反馈环路出现问题的时候,控制输出电压不至于太高,或者是关闭开关电源控制,来避免
2021-05-01 16:25:00
10817 
开关电源的输入电路大都采用电容滤波型整流电路,在进线电源合闸瞬间,由于电容器上的初始电压为零,电容器充电瞬间会形成很大的浪涌电流,特别是大功率开关电源,采用容量较大的滤波电容器,使浪涌电流达100A
2021-05-07 11:15:44
49 几种开关电源拓扑结构的性能比较(核达中远通电源技术有限公司 上班时间)-几种开关电源拓扑结构的性能比较,很不错的资料摘 要 :文章分析了反激式开关电源、正激式开关电源、推挽式开关电源、半桥式开关电源
2021-09-27 10:56:19
14 开关电源过流保护方法的比较和分析(电源技术研讨会)-开关电源过流保护方法的比较和分析,很不错的论文!
2021-09-27 11:08:12
45 ,有些从EMI产生的机理出发,有些 从EMI 产生的影响出发,都提出了许多实用有价值的方案。这里分析与比较了几种有效的方案,并为开关 电源EMI 的抑制措施提出新的参考建议。 ◆ 开关电源电磁
2021-09-27 16:53:22
6 开关电源保护电路(实用电源技术手册pdf)-这是开关电源保护电路,里头有详细的解说帮助你画原理图
2021-09-28 09:53:31
157 浅谈开关电源的过流保护电路(电源技术发展的新趋势新技术)-浅谈开关电源的过流保护电路下载,需要的自行下载!
2021-09-29 15:12:32
77 实用有价值的方案。这里分析与比较了几种有效的方案,并为开关电源EMI 的抑制措施提出新的参考建议。
开关电源电磁干扰的产生机理
开关电源产生的干扰,按噪声干扰源种类来分,可分为尖峰干扰和谐波干扰两种,...
2022-02-11 15:00:24
10 开关电源过流保护测试方法 开关电源是一种可变直流电源,是现代电子设备最常用的电源。然而在使用开关电源的时候,可能会遇到过流的情况,过流会导致开关电源损坏,甚至损坏与其相连的设备。因此如何测试开关电源
2023-08-22 16:46:23
2265 损坏器件甚至导致火灾等安全隐患。因此,为了保障人身及财产安全,需要配置过流保护电路。本文将详尽介绍开关电源输出过流保护电路原理及其实现方式。 一、开关电源简介 开关电源与传统线性电源不同,它是一种能够将交流电转
2023-08-22 16:46:26
1638 开关电源低频纹波抑制的几种常用的方法 开关电源是当今电子设备中应用最广泛的一种电源类型。由于其高效率、小体积、重量轻等特点,在电子领域中有着非常重要的地位。但是,由于电源电容、电感等元件的存在
2023-10-26 11:38:25
782 电子发烧友网站提供《线性电源和开关电源在门禁应用中的比较 .pdf》资料免费下载
2023-10-27 11:18:41
0 开关电源过流保护测试的原理和目的 怎么测试开关电源过流保护? 开关电源过流保护是一种保护电路,用于保护电源和负载免受过电流损害。其原理是通过监测电流的大小和时间来判断是否存在过流情况,并采取相应
2023-11-10 15:33:33
1176 开关电源常用的几种保护 开关电源是一种将交流电转换为直流电的电子设备,广泛应用于各种电子设备和系统中。由于开关电源在工作过程中会受到各种电气和环境参数的影响,因此需要有一系列的保护措施来确保
2023-12-15 14:14:25
1552
评论