在电力电子变换和控制技术中,通常将直流电变换成交流电的过程叫逆变,完成逆变功能的电路称为逆变电路,实现逆变过程的装置叫逆变器。逆变器应用广泛,类型繁多。依据直流电源的类别,逆变器可分为电压型逆变器
2023-02-25 14:04:20
1872 
三相逆变器电压闭环控制仿真 一、引言 三相逆变器是电力电子技术中的重要组成部分,广泛应用于新能源发电、电动汽车、工业自动化等领域。电压闭环控制是逆变器控制策略中的一种常见方法,通过对输出电压进行实时
2023-12-14 11:16:26
423 DSP控制SPWM全桥逆变器直流偏磁的研究
2012-08-20 16:02:35
新手,如何学习DSP,如何学习搭建DSP控制单相逆变器平台,我应该学习什么,需要买什么电子器件?
2022-05-11 23:02:26
逆变器类型不限,只要是利用滑模控制实现逆变,且利用DSP编程实现即可,需要DSP编程{:1:}请有编写这种程序的大神帮帮忙,小生邮箱yanmin_ye@126.com
2013-06-18 20:17:55
。4.2核心代码/**************************************************************************函数功能:增量PI控制器入口参数
2019-11-04 15:29:10
的积分的目的是消除稳态误差。一般的空调控制,只用PI即可,智能车控制则方向一般用PD,速度可用PI,也可用PID。若使用PI控制,位置式的缺点就是积分饱和,也就是当控制量已经达到最大时,误差仍然在积分
2016-09-12 22:10:57
电压型逆变器高压串联谐振技术研究
2012-08-20 16:18:34
。 结语 三态DPM电流滞环跟踪控制方式实现简单,开关损耗较低、失真较小。电流型准PWM控制方式可以获得较好的动态性能,特别是系统稳定性及较小的输出电压降落,电路实现比较复杂,它适于调制频率较低或逆变器
2019-08-19 17:12:31
你自已也并不清楚窗户开度与风速的转換式。vd和vq表示电压是因为你在vd、vq给了数就能在电机端得到相应的电压,这是由PWM调制算法和逆变器主电路决定的,跟你前面的PI调节器没关系。PI调节器只不过
2018-07-31 20:19:23
最近小弟在做永磁同步电机的FOC控制,想问一下,FOC算法中的电流环怎么调节,单纯接上速度环可以正常运行,但是接入电流环后怎样调PI参数电流波形都有问题,电机转的不正常,各位大牛给分享一下调试经验吧,谢谢啦
2019-03-30 11:25:00
PID增量式控制纯代码
2019-04-08 20:35:19
PID控制及位置式与增量式区别
2021-08-27 07:01:02
PID控制舵机使平衡杆平衡,是用位置式还是增量式?
2018-10-16 20:43:53
变流器半实物仿真研究和测试:1) 各类光伏变流器拓扑结构应用的研究2) 光伏变流器在不同负载与电网条件下的稳定性和可靠性工况测试3) 含光伏系统的分布式能源入网电能质量测试4) 新型控制算法的性能验证
2023-11-09 14:54:09
不断提高。在太阳能、光伏逆变器配置、逆变器控制设计和硬件元件选择等方面进行了背景研究。控制器设计为独立和并网运行模式。对于独立逆变器控制,外部控制回路调节滤波器电容电压。将同步帧外控制环与电容电流反馈内环
2021-07-09 07:27:58
本文提出一种DSP重复控制的控制方案,利用重复控制器来跟踪周期性参考指令信号,减小输出电压谐波,同时电流环控制改善系统的动态性能。并根据该控制方案,设计和调试了一台基于DSPTMS320I“F2407A控制的单相1kW逆变器,仿真和实验结果均验证了该方案的良好性能。
2021-04-02 06:45:18
摘要:为了提高光伏并网逆变器的效率,本文以无变压器式的光伏并网逆变器为研究对象,研究其产生漏电流的原因,改进逆变器原有的拓扑结构,提出了一种新型的单相双Buck逆变器方案,该方案中的逆变器是一种
2018-09-28 16:28:02
什么是PID?PID控制器主要有哪些应用?位置式PID与增量式PID的区别在哪?位置式PID优缺点有哪些?增量式PID优缺点有哪些?
2021-07-13 08:13:27
使用增量式编码器,第一次启动时,转速波动较大,然后第二次启动转速波动就平稳了,我想问一下,在PI参数不改变情况下,为什么MCSDK初始定位后转速波动大?
2024-03-20 06:03:18
效应进行检测的控制。 孤岛效应的检测一般分成被动式与主动式。被动式检测是利用电网监测状态如电压、频率、相位等作为判断电网是否故障的依据。如果电网中负载正好与逆变器输出匹配, 被动法将无法检测到孤岛
2016-01-20 15:05:25
本文分析研究单相LC滤波器逆变器的控制方法。对于单相LC滤波器,主要控制策略有:1)单电压闭环控制:引入电压闭环会是系统稳定性变差[2],但为实现输出电压的恒定,必须引入电压负反馈。2)电感电流内环
2021-07-09 07:38:14
摘要:本文通过对脉宽调制(pulse width modulation,PWM)单相不间断逆变电源(UPS)输出特性的分析。提出了一种基于重复控制和模糊PI控制相结合的UPS逆变器的综合控制策略
2018-09-26 15:48:10
针对传统多电平拓扑结构的上述不足,本文提出了一种新的不对称混合多电平逆变器结构,通过控制输入端的电源数目,可以得到不同的电平数,最多可以得到六个输出电平,在减少器件与直流电压源的同时,增加了电平数
2021-07-23 07:00:00
驱动信号。2.1 DSP控制器DSP控制器实现的功能包括锁相环(PLL)算法、MPPT算法、直流母线电压PI调节器、d,q坐标系到a,b,c坐标系的变换及SPI通信。具体工作过程为:DSP芯片首先通过
2012-12-17 10:44:10
先进的控制策略能够应用实践,研究基于DSP的数字控制感应加热电源,可使产品具有更加优良的稳定性及控制的实时性,并且具有简单灵活的特点。本文以TMS320F2812为核心,设计了超音频串联谐振式感应
2010-02-26 11:06:49
AD,经AD转换和数字PI运算后,生成相应的SPWM脉冲信号,改变SPWM的调制比就能改变输出电压的大小,从而完成整个逆变器的闭环控制。 1.2 SPWM方案选择 1.2.1 PWM电源芯片方案
2018-11-29 11:13:17
1.速度闭环控制 我们一般在速度闭环控制系统里面,使用增量式PI控制。而在我们的微处理器里面,因为控制器是通过软件实现其控制算法的,所以必须对模拟调节器进行离散化处理,这样它只需根据采样时刻的偏差
2016-01-21 14:25:02
控制器算法简单、可靠性高,本节基于空间矢量法,采用PI控制提出基于PQ控制的LCL逆变器,使逆变器输出无功可调,提供电压支撑,提升电网电压稳定性,具有电网友好的特性。基于PQ控制的逆变器控制策...
2021-11-15 07:38:12
摘要:为有效保证不间断电源逆变器交直流切换过程不对负载产生过大的冲击,UPS逆变输出电压必须与电网电压的频率及相位保持一致。快速可靠的软件锁相跟踪技术可以准确地为逆变器数字化控制提供与电网电压同
2018-09-28 15:54:29
程度上提高整个发电系统的效率.因此,对于逆变器的控制策略研究十分重要.然而,传统的PID控制策略并无法实现对逆变器输出电压的无静差调节,因此,本文提出了一种双闭环PI和准PR控制方法,该方法对于电流内环采...
2021-07-09 06:46:33
PWM 发生器模块具有什么特点?如何利用PWM信号来控制3相桥式逆变器?
2021-10-19 07:53:12
表贴式永磁同步电机FOC矢量控制中电流环PI控制器参数的调试过程是怎样的?
2021-09-23 06:35:41
DSP28335在制作并网逆变器中,负责什么工作,不要告诉我说是控制,具体点
2014-03-15 16:43:30
手把手教你玩转直流电机PID双环控制1.速度闭环控制我们一般在速度闭环控制系统里面,使用增量式PI控制。而在我们的微处理器里面,因为控制器是通过软件实现其控制算法的,所以必须对模拟调节器进行离散化处
2016-01-28 18:26:58
环pi不存在这个问题,双闭环就有这个问题,尝试了增量式的pi,直接控制不住,pi参数不好调,这款电源输出是大电压小电流型的,做电流内环感觉不好做,希望各位前辈不吝赐教!谢谢!(4通道是输出电压,300V,输出电压范围是0-1800VDC)
2021-04-05 16:30:53
新型逆变器控制策略的设计本文以高频链逆变器为被控对象,在推导出被控对象的动态模型后,提出了一种新型控制方案:即内环电流环采用混合型PI-模糊控制策略,外环电压环采用PI控制策略的瞬时值双闭环控制方案.[hide][/hide]
2009-12-10 16:47:21
本帖最后由 elecfans跑堂 于 2015-9-6 14:00 编辑
在DSP28335中利用PI算法来控制电压,程序该如何编写,PI算法的具体内容是什么,求大神指点
2015-09-06 10:40:18
引言最近对环路进行了一些思考,我们知道对于永磁同步电机的电流环控制,往往假定电流环的控制对象是电阻和电感的串联,这样的一个系统开环响应类似于一阶惯性系统,适合使用pi控制,并且可以根据电机的定子电阻
2021-08-27 07:17:17
[tr=transparent]硬件模拟电路实验,全桥电压型逆变器开环环控制时模型比较理想,如图1.可当加入PI控制后,波形出现如图2所示的畸变问题,拜托各位大神分析分析可能的原因。PI控制器是用运
2018-04-03 22:20:04
最近在用DSP28335做独立逆变器,开关频率20K,正弦波50Hz。在调试电感电流闭环控制时出现问题,在输入电压小于25V时能控制住,当电压高于25V时DSP程序跑飞,采样后经过调理电路进入到
2017-08-07 19:12:09
怎样去推导电流环PI参数的整定公式?怎样去推导转速环PI参数的整定公式?
2021-10-08 09:38:08
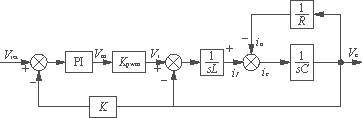
外环电压调节器Gv(s)一般采用比例一积分(PI)调节器,内环电流调节器Gi(s)可以采用比例(P)调节器。图2所示是逆变器电感电流内环电压外环控制系统的结构框图 在这个双环控制方案中,电流内环采用
2012-03-14 10:19:23
为什么经转速环PI之后的输出量是电流?经转速环PI之后输出的究竟是什么?
2021-10-08 07:12:39
FOC电流环PI控制器出来后为什么是电压?整定参数跟电机参数有关系吗?
2021-10-13 08:17:06
增量式pid中的kpkikd对应位置式的中的pi d 的值吗,调节增量式pid遇到的问题,请问如何调节增量式pid?感谢。
2023-11-09 07:27:41
方式实现简单,开关损耗较低、失真较小。电流型准PWM控制方式可以获得较好的动态性能,特别是系统稳定性及较小的输出电压降落,电路实现比较复杂,它适于调制频率较低或逆变器输出滤波电感L、电容C较小的情况。而调制频率较高时,三态DPM电流滞环跟踪不失为一种简单而性能优良的控制方式。
2018-10-09 10:26:51
新型逆变器控制策略的研究
2009-01-03 14:50:29
21 介绍了基于DSP 的单相全桥逆变器数字控制系统。详细论述了利用数字信号处理器TMS320LF2407 产生SPWM 波形和实现双闭环PI 控制的算法,并给出了其实现原理及软件流程。针对同相供
2009-08-29 08:27:12
30 介绍了一种通过状态的数字瞬时反馈,利用微处理器的高速数值计算功能实现逆变器的全数字化控制的无差拍算法以及利用 TI 的最新 DSP(TMS320F240)实现无差拍控制的方法及控制流程。
2009-11-27 15:35:38
39 介绍SPWM逆变器的工作原理及软、硬件的实现, 叙述了搭建驱动电路,产生SPWM波,在A/D端口进行采样和实现PI控制的算法的全过程。实验验证了采用DSP实现对逆变器的控制是可行的。
2010-07-27 17:08:53
31
基于DSP控制的全数字UPS逆变器设计
摘要:功率变换器的数字化实时控制是电力电子技术的一个重要发
2009-07-08 10:47:00
1070 
基于双环控制和重复控制的逆变器研究
摘要:研究了一种基于双环控制和重复控制的逆变器控制技术,该方案在电流环和瞬时电压环
2009-07-11 10:32:00
1432 
400Hz逆变器电压环反馈控制设计
摘要:主要介绍了Bode定理,以此为理论基础,介绍了逆变器建模,电压环反馈控制设计等。
2009-07-14 08:20:27
2648 
基于DSP控制的逆变器并联
摘要:通过采样输出电压和电感上电流来控制逆变器,并采用CAN总线作为并联通讯线,通
2009-07-14 17:50:15
1404 
DSP控制SPWM全桥逆变器直流偏磁的研究
摘要:提出了一种基于DSP的消除SPWM全桥逆变器直流偏磁问
2009-07-16 08:15:24
2109 
经典PID控制算法在逆变器中获得广泛应用,但控制效果和精度有待改进和提高,针对此问题,研究了双环控制算法在逆变器控制中的应用,给出了双环控制逆变器的结构,设计了电压环
2011-03-18 12:07:45
175 采用单一DSP控制器控制两套三相逆变器的初步实践已经表明此举可行,样板中包括实现双永磁同步电机(PMSM)驱动的完整系统及DSP接口。
2011-08-17 11:00:14
1459 为了提高光伏发电效率和电能质量,对光伏并网逆变器进行了相关研究,针对光伏最大功率点跟踪问题,对传统的电导增量法进行融合和改进,提出一种改进的电导增量控制算法,该控
2011-11-03 10:41:34
152 将一种根据误差的大小来调节比例系数K值的单神经元PI控制器引入到逆变器的控制回路中,可以实现在线调整参数,在一定程度上不依赖于系统的模型。仿真结果表明:与常规的PI控制
2012-04-05 15:27:50
84 文中针对传统蓄电池充电时间长,具有过冲、欠冲、析气的问题,结合模糊控制技术,提出了一种模糊自整定PI 参数的方法对电动汽车铅蓄电池充放电电压进行控制,并考虑了温度的影响,在MATLAB
2015-12-24 18:33:48
17 基于DSP的空间电压矢量法PWM的研究_王妍基于DSP的空间电压矢量法PWM的研究_王妍
2016-01-08 14:18:52
0 直线电机模糊增量PID控制算法的研究-2011。
2016-04-06 14:45:44
29 基于DSP的三电平SVPWM逆变器的研究。
2016-04-18 09:47:49
32 基于DSP的三电平逆变器SVPWM调制研究。
2016-04-18 09:47:49
18 基于DSP控制的60_坐标系下三电平逆变器SVPWM的研究
2016-04-18 09:47:49
8 基于空间电压矢量法(SVPWM)的三电平逆变器的研究
2016-03-30 18:24:14
25 三相并网逆变器公共耦合点电压控制研究_伞国成
2017-01-05 15:24:15
10 一种基于DSP_FPGA的辅助逆变器核心控制系统_吴瑕杰
2017-01-08 11:44:06
0 Z源逆变器直流链电压滑模控制研究_王晓刚
2017-01-08 13:58:48
0 基于DSP带同步锁相的逆变器控制
2017-09-12 10:16:30
8 传统PI控制策略在光伏逆变器运用广泛,但传统PI控制大都因为参数值不精确,而造成波形畸变严重,电能质量下降,因此,提出了改进型PI控制的级联式单相光伏逆变器。本文介绍了级联单相光伏逆变器系统及其
2017-11-11 17:03:42
26 针对在光伏并网系统中采用单纯 PI 控制的缺点,提出了增加电网电压前馈控制来改善并网电流波形。分析了引入电网电压前馈控制会减小并网电流与电网电压之间相位差并降低并网电流总谐波畸变系数的原理。 仿真
2017-12-08 14:45:58
55 为了提高MPPT效率,必须抑制两级式单相光伏并网逆变器系统输入电压的低频纹波分量。深入研究了基于PI级联准比例谐振(PI+QPR)控制器的纹波抑制策略,给出了具备纹波鲁棒抑制能力的电压控制器设计准则
2017-12-19 18:38:02
7 在传统的三电平电压型逆变器空间矢量脉宽调制( SVPWM)控制算法基础上,结合“DSP+FP-GA”,实现了一种快速的空间矢量调制算法,详细阐述了基于FPGA和DSP的硬件平台实现方法,实现了资源
2018-04-05 19:42:58
9 基于DSP芯片的光伏并网逆变器控制系统,CPU采用TMS320F28016芯片,其通过控制逆变器输出电压来间接控制功率因数。
2018-04-08 09:27:14
4 在研究分布式发电系统并网技术的基础上,以同时实现有功功率输出和谐波抑制为目的,设计了一种新型的DSP控制并网逆变器。
2018-04-08 09:51:55
1 三相并网光伏逆变器的同步pi控制
2018-04-18 15:24:07
15 分析比较了单相 PWM 逆变器电感电流内环电压外环和电容电流内环电压外环两种双环控制方式,重点研究了电容电流内环电压外环双环控制。
2018-05-30 14:36:40
33 三相逆变器的负载时,钠灯不能稳定的工作(会高频率地闪烁),针对这一问题,在双闭环PI的基础上加重复控制补偿,建立MATLAB 仿真,并在双DSP+FPGA 硬件架构中高效精确的实现。实验结果表明,加上重复控制补偿后,钠灯能够稳定的工作,三相逆变器的稳态性能得到了很大的改善。
2020-01-14 16:36:46
10392 
文章研究的太阳能光伏发电并网全桥逆变器使用一种电流内环、电压外环的双闭环调节器下的重复控制综合优化策略,采用负载电流解耦的内环电感电流反馈和状态反馈解耦控制方法,以多功能EG8010数字化芯片为控制核心。文章设计了该逆变器的全部电路,仿真表明该逆变器输出电压波形质量好,动态响应快,抗干扰能力强。
2021-05-17 15:11:45
38 控制器算法简单、可靠性高,本节基于空间矢量法,采用PI控制提出基于PQ控制的LCL逆变器,使逆变器输出无功可调,提供电压支撑,提升电网电压稳定性,具有电网友好的特性。基于PQ控制的逆变器控制策...
2021-11-08 16:36:02
22 程度上提高整个发电系统的效率.因此,对于逆变器的控制策略研究十分重要.然而,传统的PID控制策略并无法实现对逆变器输出电压的无静差调节,因此,本文提出了一种双闭环PI和准PR控制方法,该方法对于电流内环采...
2021-11-08 17:36:05
30 在上一篇文章中,我们得到了三相逆变器的数学模型,接下来就是进行控制器的设计。其实对数学模型的设计目的就是研究控制器,控制器才是决定我们逆变结果的直接决定因素。
2023-01-06 11:15:35
1656 
并网逆变器PI控制 1.逆变器拓扑结构与数学模型 2.常用变换 2.1 abc-α β\alpha\beta α β 变换及其逆变换 2.2 α β\alpha\beta α β -dq轴变换
2023-02-28 14:54:48
1 三相并网逆变器并网状态下,其主要功能是向大电网输送电能。此时系统并网点电压被大电网钳位,因此只需控制逆变器输出满足功率要求的电流,即可实现控制目标,故该状态下并网逆变器一般
等效为电流源。
三相
2023-02-28 14:33:51
5 中常使用的是PI控制技术,而PI控制只能对恒定值实现 无静差的跟踪 。为此控制中需要进行旋转变换将三相电压、电流旋转到dq坐标系下进行控制,dq坐标系下此时电压电流均为恒定值,利于PI控制的跟踪。首先来看
2023-02-28 14:15:05
8 环的PI控制器参数。 【3】电压环 PI参数整定 通过SISOTOOL工具箱进行PI参数整定根据带宽及稳定性理论,获得电压环的P
2023-03-02 10:34:35
1 根据之前设计的控制器和主电路,在Simulink上面进行验证。 参考之前的博客 基于PI双闭环解耦控制的三相SVPWM电压型逆变器(1)--数学模型 基于PI双闭环解耦控制的三相SVPWM电压
2023-03-03 09:48:16
7
评论