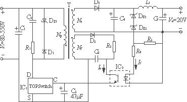
本文介绍了开关电源的基本原理,以及TopswitchⅡ型开关芯片的结构,探讨了基于该芯片小功率通用开关电源的设计过程中开关管的选型,主要元件参数的计算等问题。##主要元件参数计算。
2014-07-25 11:23:40
2929 
TOPSwitch系列单片机开关电源是美国功率集成公司于上世纪90年代中期推出的新型高频开关电源,它是三端离线式PWM开关的英文缩写(Three Terminal Off Line PWM
2020-06-26 19:09:00
1677 
反激式开关电源是指使用反激高频变压器隔离输入输出回路的开关电源。“反激”指的是在开关管接通的情况下,当输入为高电平时输出线路中串联的电感为放电状态;相反,在开关管断开的情况下,当输入为高电平时输出线路中的串联的电感为充电状态。
2022-08-17 10:05:02
13861 
TOPSwitch—GX在开关电源中的应用
2012-08-20 16:19:37
单片开关电源具有单片集成化、最简外围电路、最佳性能指标、能构成无工频变压器开关电源等显著优点。美国动力(Power)公司在世界上率先研制成功的三端隔离式脉宽调制单片开关电源集成电路,被誉为“顶级
2021-05-21 06:30:21
Topswitch芯片在开关电源中的应用70年代以来,电源产品掀起了一波高频化、小型化、模块化的浪潮。从而有力地促进了单片开关电源的发展。对于200W以下的开关电源,与其他电路相比
2011-07-11 11:46:58
开关电源稳压管稳压原理
2021-11-16 09:19:41
可分为以下四大类:AC/DC 开关电源、DC/DC 开关电源、DC/AC 逆变器、AC/AC 变频器。目前只将前面两类称为开关电源,将后面两类分别称为逆变器和变频器。开关电源具有管耗小、效率高、稳压范围宽
2014-12-12 17:44:21
:机载高频开关电源解决方案车载高频推挽DC-DC变换器设计方案基于TopswitchⅡ型开关芯片的开关电源设计基于UC1845的多路输出双管反激开关电源方案基于LT3573隔离型反激式的DC-DC
2014-12-12 17:48:58
关于开关电源有几个问题一直补明白,希望有大神能帮忙看看比如12V开关电源的输出端负极能否接220V里面的地?1、如果接地(手头有一示波器,220V里面的地就是和系统地接一起了)220V的开关电源
2020-03-17 09:27:07
本文以丰富的开关电源案例分析,介绍单端正激式开关电源,自激式开关电源,推挽式开关电源、降压式开关电源、升压式开关电源和反转式开关电源。随着全球对能源问题的重视,电子产品的耗能问题将愈来愈突出
2021-10-28 10:02:42
稳压电源的简称,一般指输入为、输出为直流电压的AC-。开关电源内部的功率开关管工作在高频开关状态,本身消耗的能量很低,电源效率可达75%~90%,比普通线性稳压电源(线性电源)提高一倍。说到线性电源(如图1
2018-10-16 16:40:50
一些是运放的供电电源,风扇电源,继电器电源,但是为什么驱动电源的地称之为热地,其他则就是冷地,三项整流后负电源也是热地?这个冷地热地是怎么来的,如果不是采用反激式开关电源,而是采用非隔离式的电源供电呢?
2024-01-14 20:50:24
`开关电源的分类开关稳压电源的电路结构有多种,分类方法也很多,作如下说明:1 按驱动方式分有自激式与他激式。2 按DCDC变换器的工作方式分隔离型有通/通方式、通/断方式、中心抽头方式、半桥方式和全
2011-01-22 16:39:16
1.3开关电源的原理1.3.1开关电源的控制结构:一般地,开关电源大致由输入电路、变换器、控制电路、输出电路四个主体组成。1.3.2.开关电源的构成原理:(一)输入电路:滤波电路、整流电路。作用:将
2018-05-14 10:18:04
反激式功率变换电路结构相对较简单,输出电压不受输入电压的制约,同时也可提供多路电压输出TOPSwitchⅡ系列应用于单端反激式变换器,它的经典用法如下图:图一图二图三图四开关电源电路分析:1、将偏置
2016-04-28 15:19:47
图:图一图二图三图四开关电源电路分析:1、将偏置线圈通过限流电阻直接作为TOPSwitchⅡ控制极的输入;2、图二在图一的基础上加了一个稳压管,是图一的增强型;3、图三中输出电压通过光耦作用于
2016-05-02 14:09:24
思维导图一、概念理解1、开关电源:顾名思义,开关电源就是利用电子开关器件(如晶体管、场效应管、可控硅闸流管等),通过控制电路,使电子开关器件不停地“接通”和“关断”,让电子开关器件对输入电压
2021-10-28 09:53:22
我最近收集了一份开关电源隔离式与非隔离式(即反激式)的资料,许多应用中都需要输入/输出隔离。隔离可切断无用信号的传播路径,优势如下:保护人员、设备免遭感应在隔离另一端的危险瞬态电压损害 ;去除隔离
2020-10-27 10:48:44
流保护集成在一体。现已开发出了一系列功能完善、 外电路也极简单的驱动器,使它激式开关电源有了极大的发展。目前中小功率的负载也采用它激式开关电源,不仅其电路结构比自激式简单得多,且性能也远超过自激式。与同类型开关电源相比,它激式方式可以大幅度提高降压不隔离开关电源的效率和稳压性能。
2020-10-30 10:07:14
稳压恒流开关电源概述 稳压恒流开关电源采用无工频变压器的开关电源技术,因而具备交、直流兼容输入功能,而且输入电压范围宽;采用先进的开关电源控制技术和元器件,以及精心的设计,整机
2009-07-31 15:00:14
率调整元件。稳定度高、反应快且无噪声。但对通信设备和电子设备造成干扰。 20世纪80年代以后,又出现3种新型交流稳压电源:补偿式交流稳压器。数控式和步进式交流稳压器。净化式交流稳压器。具有良好隔离作用
2018-10-19 16:26:42
有人在做隔离式ACDC开关电源的吗?大家出来讨论一下,驱动负载能力不够,压降严重的问题有没有人遇到?
2013-08-17 10:10:16
不静音的现象。 总体上来说,非静音型被动PFC与静音型被动PFC所能达到的效果大致相当,但都要低于主动式PFC的功因校正效果。 关于PFC稳压开关电源 在PFC开关电源当中,开关稳压电源是非
2018-12-03 11:19:26
`请教一下,我用TL431来做隔离式开关电源的反馈,动态响应非常不好,请教一下我应该怎么调节该电路增加环路稳定性?`
2019-05-06 09:20:30
24MA8000的应用设计步骤53隔离型低纹波电压开关稳压电源设计实例(应用准谐振技术)531应用NCP1207A/B需要考虑的问题532用NCP1207A/B构成的准谐振式开关电源
2018-04-27 12:41:38
单片开关电源集成电路具有高集成度、高性价比、最简外围电路、最佳性能指标、能构成高效率无工频变压器的隔离式开关电源等优点。它于90年代中、后期相继问世后,便显示出强大的生命力,目前它成为国际上开发中
2009-05-20 12:10:52
一、工作原理非隔离开关电源拓扑结构如上图,为 BUCK 拓扑结构,与 DCDC 降压型拓扑不同的是,输入部分为 AC 交流,需要进行半波整流。二、优缺点优点 :1、相对于隔离式,体积比较小,价格比
2021-08-18 18:00:05
`内容简介 单片开关电源集成电路于20世纪如年代中、后期问世以来,在国际上获得广泛应用,已成为开发中、小功率无工频变压器式高效开关电源的首选产品。本书从实用角度出发,全面系统深入地阐述了单片开关电源
2018-01-12 16:53:19
反激式开关电源设计、制作、调试~主要讲述了反激式变换器原理,如何获得隔离演化及隔离,反激式开关电源工作原理分析等最基础的入门知识,元器件工作状态即选择的实际工作中设计的基础,反激式开关电源设计、制作、调试等知识。有需要的伙伴自行下载附件~~~
2021-08-06 13:31:38
开关电源的建模与控制设计2.超宽输入电压范围三相开关电源的设计和优化3.单端反激式开关电源的设计及仿真研究4.电流型反激式开关电源的环路补偿设计5.多路单端反激式开关电源设计
2017-02-22 13:51:21
PWM占空比,以达到稳定输出的目的.开关电源电路:开关电源设计:开关电源大体可以分为隔离式和非隔离式两种,隔离型的必定有开关变压器,而非隔离的未必一定有. 交流电源输入时一般要经过厄流圈一类的东西,过滤掉
2018-07-16 22:03:00
各位大神,新手上路。拿着开关电源项目不知如何开头,这里请教各位大神,希望能够指点指点三相输入34-150V,做一个恒压输出48V稳压开关电源
2015-09-30 22:08:03
开关的频率而使电压发生变化。开关电源有如下分类:(一)无工频变压器式开关电源无工频变压器式开关电源是通过体积小的高频变压器来代替笨重的工频变压器,实验与电网隔离的。由于开关电源内部器件工作在高频开关状态
2022-06-04 16:08:48
有没有大神做过TOPSwitch反激式开关电源?知不知道这种电源的输出可调该怎么设计?
2013-11-27 16:51:11
功率输出;但如果用于稳压输出,则必须要经过整流滤波。 串联式开关电源的缺点是输入与输出共用一个地,因此,容易产生EMI干扰和底板带电,当输入电压为市电整流输出电压的时候,容易引起触电,对人身不安全
2012-06-06 11:34:04
,就可以改变输出电压uo的平均值Ua 。一般人们都把 称为占空比(Duty),用D来表示,即: 串联式开关电源输出电压uo的幅值Up等于输入电压Ui,其输出电压uo的平均值Ua总是小于输入电压Ui,因此
2012-12-18 15:25:10
原理区别4.2 应用区别一:反激式开关电源1.1 反激开关电源反激式开关电源是指使用反激高频变压器隔离输入输出回路的开关电源。“反激”指的是在开关管接通的情况下,当输入为高电平时输出线路中串联的电感为放电状态;相反,在开关管断开的情况下,当输入为高电平时输出线路中的串联的电感为充电状态。1.2 工
2021-10-28 06:08:59
1.反激式开关电源芯片--简介反激式开关电源是指使用反激高频变压器隔离输入输出回路的开关电源。“反激”指的是在开关管接通的情况下,当输入为高电平时输出线路中串联的电感为放电状态;相反,在开关管断开
2021-10-28 09:32:37
小弟正在做毕业设计,题目为基于TOPSwitch的开关稳压电源。要求输入电压220V,输入频率50Hz,输出电压12V,输出电流5A该选用哪一种TOPSwitch比较好?{:11:}求大神详细解答
2014-04-25 15:58:45
主要元件参数计算 - 基于TopswitchⅡ芯片开关电源理论设计与仿真
2019-03-19 07:19:10
输出电压和输出电流很容易,只需改变变压器的匝数比和漆包线截面积的大小即可;另外,变压器初、次级互相隔离,不需共用同一个地。因此,变压器开关电源也有人把它称为离线式开关电源。这里的离线并不是不需要输入电源
2013-05-30 10:41:03
。 单片开关电源的典型使用电路。高频变压器在电路中具有能量存储、隔离输入和电压变换这三大功用。由图可见,高频变压器初级绕组Np的极性(同名端用黑圆点表示),恰恰与次级绕组Ns反应绕组Nf的极性相反。这
2012-12-05 17:22:14
电压进行脉冲调制,从而实现DC/AC、DC/DC电压变换,以及输出电压可调和自动稳压。 根据其工作模式常见的开关电源可分三种,AC/DC稳压式开关电源,DC/DC底电压直流式电源,DC/AC逆变电源
2016-01-18 15:40:31
开关电源五 使用TopSwitch®-GX设计正激式转换器六 选择好的整流二极管可以简化AC/DC转换器中的EMI滤波器电路并降低其成本七 浮动恒流源允许超宽范围的输入电压八 用软启动禁止低成本输出来遏制电流尖峰`
2012-04-27 11:41:47
常见稳压电源/DCDC转换电源/开关电源等电路有哪些
2021-03-11 07:32:29
彩电晶闸管式开关电源的原理电路
2019-11-04 09:14:00
设计之前它们是未知的。下面重点介绍利用TOPSwitch-II系列单片开关电源的功率损耗(PD)与电源效率(η)、输出功率(PO)关系曲线,快速选择芯片的方法,可圆满解决上述难题。在设计前,只要根据预期
2011-12-14 11:45:00
桥式变压器开关电源最大的优点是,对两个开关器件的耐压要求比推挽式变压器开关电源对两个开关器件的耐压要求可以降低一半。因为,半桥式变压器开关电源两个开关器件的工作电压只有输入电源Ui的一半,其最高耐压
2019-05-15 10:57:12
正激式开关电源如何设计
2021-03-11 07:43:32
正激和反激是两种不同的开关电源技术正激式开关电源01 简介正激式开关电源是指使用正激高频变压器隔离耦合能量的开关电源,正激式开关电源中结构比较复杂,输出功率高,适用于低压,大电流(100W-300W
2021-12-29 08:13:43
谁有反激式开关电源的设计啊求助!!!!
2013-01-05 16:35:40
转帖:直流稳压开关电源和线性电源的区别开关电源就是用通过电路控制开关管进行高速的道通与截止.将直流电转化为高频率的交流电提供给变压器进行变压,从而产生所需要的一组或多组电压!转华为高频交流电的原因是
2017-10-13 21:18:08
压,必须经过稳压电路进行稳压。二、直流稳压开关电源和线性电源的工作原理的区别开关电源的工作原理是:如下图1.交流电源输入经整流滤波成直流;2.通过高频PWM(脉冲宽度调制)或者脉冲频率调制(PFM)控制
2016-04-16 11:20:48
。从输出指示上可分指针指示型和数字显示式型等等。?????????B、非线性直流稳压电源(开关电源)?开关型稳压电源是和线性电源相对而说的,开关电源的优点在于效率高、输出电压可以比输入电压高,也可以比输入电压低。缺点在于输出纹波比线性电源差很多,精度也远远达不到线性电源的精度。
2019-10-10 08:00:00
线性稳压电源的工作原理开关电源的工作原理线性稳压电源和开关电源的比较
2021-03-04 08:00:59
TOP414G构成的5V、2A隔离式开关电源电路
2019-09-12 09:12:06
请问正激式和反激式隔离开关电源电路是不是都可以实现升压?将变压器初级输入电压经变压器输出得到高于输入的电压?
2023-03-22 10:19:25
非隔离式开关电源的 PCB 布局考虑
2019-08-20 13:38:18
高DVDT开关区 - 如何做好非隔离式开关电源的PCB布局
2019-03-21 08:07:56
非隔离型开关电源三种基本工作方式的原理电路图
2019-10-15 09:00:25
单片开关电源设计概述及程序流程图:自从20 世纪90 年代以来,各种单片开关电源集成电路竞相问世,现已形成TOPSwitch、TOPSwitch Ⅱ、TOPSwitch FX、TOPSwitch GX、TinySwitch 和TinySwitch
2009-10-14 10:06:50
38 TOPSwitch FX系列单片开关电源的原理与应用
TOPSwitch?FX系列是美国PowerIntegrations公司继TOPSwitch、TOPSwitch?Ⅱ之后,在2000年初推出的第三代单片
2010-04-16 16:12:48
47 摘要:一般的反激式开关电源变换器的输入电压范围只能满足于1:3的关系,即90-264VAC,而当要输入电压范围更宽时,例如1:6.6,即90-600VAC时,传统的固定工作频率的反激式开关电
2010-06-01 09:32:40
91
第四代TOPSwitch?GX系列单片开关电源
摘要:TOPSwitch?GX是美国PowerIntegratio
2009-07-08 11:12:03
1116
TOPSwitch?GX系列单片开关电源的快速设计法
TOPSwitch?GX属于高性价比的单片开关电源。下面介绍利用特性曲线快速选择T
2009-07-10 09:08:06
1423 
TOPSwitch?GX系列单片开关电源的应用
1高效率70W通用开关电源模块
TOPSwitch?GX适合制作低成本、高效率、小尺
2009-07-10 09:52:23
1215 
TOPSwitch?GX系列第四代单片开关电源的原理
TOPSwitch?GX系列是美国PowerIntegrations公司继TOPSwitch?FX之后,于2000年底新推出的第
2009-07-10 10:16:05
1462 
TOPSwitch?Ⅱ在稳压电源中的应用
摘要:TOPSwitch-II器件是一种PWM/MOSFET二合一的新型集成芯片,采用它制作高频开关电源,
2009-07-10 11:47:15
1348 
TOPSwitch单片开关电源的原理与应用
[编者按]虑及当前电源技术的发展,单片型开关电源已开始流行,并且具有强大的生命力,为此我们特邀国内著名科技图书作者
2009-07-11 08:53:21
2650 
TOPSwitch—GX在开关电源中的应用
摘要:TOPSwitch—GX器件是一种PWM/MOSFET二合一的新型集成芯片,它
2009-07-16 08:30:54
852
TOPSwitch?FX系列单片开关电源的原理与应用
TOPSwitch?FX系列是美国PowerIntegrations公司继TOPSwitch、TOPSwitch?Ⅱ之
2009-07-17 08:57:09
1492 
由MCU控制的TOPSwitch?FZ单片开关电源电路图
由MCU控制
2009-07-17 09:07:29
1137 
一种新颖的单端反激式隔离开关稳压电源的设计及应用
1引言
在大功率开关电源中,经常需要几组隔离电源对控制
2009-07-18 12:02:33
1131 
TOPSwitch器件在电源中的应用
摘要:采用PWM控制器和MOSFET功率开关一体化的集成控制芯片是新一代开关电源设计的重要特
2009-07-20 14:46:23
691 
超宽范围输入的开关电源电路设计
0 引言 开关电源基于自身的体积小巧和转换效率高的特点已在电子产品中得到了广泛的应用,特别是美国PI公司开发
2009-11-24 09:09:22
1252 
TOPSwitch-FX系列单片机开关电源应用设计
TOPSwitch-FX系列单片机电源集成电路广泛应用于各种通用及专用开关电源、待机电源、开关电源
2009-12-25 14:15:59
1862 
基于Topswitch的单片开关电源效率技术方案
集成开关电源一直在沿着两个方向不断发展:第一是对
2010-04-16 16:00:01
1001 自从20世纪90年代以来,各种单片开关电源集成电路竟相问世,现已形成TOPSwitch、TOPSwitch-2、TOPSwitch-FX、TOPSwitch-GX
2010-12-16 13:04:01
1079 
实用开关电源技术介绍了自激式不隔离开关电源、输入/输出隔离开关电源、单端他激式开关电源、推挽式和桥式开关电源、开关电源元器件特性与选择等七章内容。
2011-10-21 17:06:56
0 光伏并网发电系统中通常使用宽输入范围的开关电源来为低压微控制器、IGBT驱动器以及LCD供电。文中介绍了一种输入范围为120-800 V,输出为20 W1 A的开关隔离电源的设计方法,从而有效
2011-10-24 09:57:47
142 本文介绍了开关电源的基本原理,以及TopswitchⅡ型开关芯片的结构,探讨了基于该芯片小功率通用开关电源的设计过程中开关管的选型,主要元件参数的计算等问题。最后通过仿真试验
2012-07-25 14:13:54
6260 
开关电源的相关知识学习教材资料——开关电源中光耦隔离的典型接法
2016-09-20 15:44:26
0 TOPSwitch-GX系列单片开关电源的快速设计法
2017-09-14 16:47:10
14 介绍了美国 Power Integrations公司最新研制的开关电源集成芯片 TOPSwitch2GX系列的主要特点 ,设计了一款基于此系列芯片的多路输出单端反激式开关电源 ,阐述了设计的主要步骤 ,给出了设计注意事项及试验结果。此电源具有低成本、高效率、小尺寸、全密封式的特点。
2020-07-23 08:00:00
8 开关电源(隔离式与非隔离式)基础知识免费下载。
2021-06-15 16:52:18
78 开关电源设计单片驱动免隔离(osram电源)-本设计资料为开关电源所用新的技术方案,单片完成驱动,高隔离度,是低成本快速实现小功率电源的有效方案。
2021-07-26 12:30:09
11 1000W全桥型稳压开关电源(核达中远通电源技术有限公司怎么样)-1000W全桥型稳压开关电源
2021-08-31 19:32:06
152 1.反激式开关电源芯片--简介反激式开关电源是指使用反激高频变压器隔离输入输出回路的开关电源。“反激”指的是在开关管接通的情况下,当输入为高电平时输出线路中串联的电感为放电状态;相反,在开关管断开
2021-10-21 15:21:06
81 TL431的应用2.3 隔离电路原理3.应用电路1.前言开关电源原副边需要隔离,最简单的是使用光耦隔离。光耦隔离包括两个核心的器件,光耦和三端稳压管。我们先来主观想想,要实现原副边的隔离控制需要什么,可隔离的器件。目前只有光隔离和磁隔离。光耦的作用:通过光照实现原副边隔离。三端稳压管的作用:2.光耦
2021-10-21 17:36:09
18 思维导图一、概念理解1、开关电源:顾名思义,开关电源就是利用电子开关器件(如晶体管、场效应管、可控硅闸流管等),通过控制电路,使电子开关器件不停地“接通”和“关断”,让电子开关器件对输入电压
2021-10-21 18:51:08
12 为满足客户更多样的设计需求,金升阳推出超宽电压输入、非隔离稳压单路输出电源——K78Uxx-1000R3(L)系列。
2023-06-11 14:18:31
216 稳压电源和开关电源的区别 稳压电源和开关电源是不同的电源类型,它们之间有着明显的区别。稳压电源是一种具有稳定输出电压的电源,可以有效地控制输出电压的波动范围,保障电路的正常工作;而开关电源是一种
2023-08-18 14:06:22
1898 开关电源输入电容计算 开关电源的输入电容是开关电源中十分重要的一个部件,它能够帮助电源在输入端维持稳定的电压,并且缓解输入端大电流瞬间涌入的问题。因此,正确选取输入电容的容量,对开关电源的工作稳定性
2023-08-27 16:43:29
2028 的开关电源是指在输入和输出之间存在一个电气隔离环节,通常是通过电力变压器来实现。这种设计使得输入和输出之间没有物理上的直接连接,可以提供更高的电器安全性和抗干扰能力。而不带隔离的开关电源是指输入和输出之间没
2023-11-17 12:31:01
791 单片开关电源具有单片集成化、最简外围电路、最佳性能指标、能构成无工频变压器开关电源等显著优点。美国动力公司在世界上率先研制成功的三端隔离式脉宽调制单片开关电源集成电路,被誉为“顶级开关电源”。
2023-12-18 10:14:09
327 
稳压精度是衡量开关电源输出电压稳定性的重要指标,是指开关电源在负载和输入电压变化的情况下,输出电压的偏差大小。通常开关电源稳压精度越高,输出电流就越稳定,纹波就越小,同时开关电源的负载能力也会越强,整个电路的稳定性就越高。
2024-03-07 15:31:46
240
评论