0
  • 聊天消息
  • 系统消息
  • 评论与回复
登录后你可以
  • 下载海量资料
  • 学习在线课程
  • 观看技术视频
  • 写文章/发帖/加入社区
会员中心
创作中心

完善资料让更多小伙伴认识你,还能领取20积分哦,立即完善>

3天内不再提示

电容器的三大作用 电容器怎么测量好坏

电容器的三大作用 电容器怎么测量好坏

分享:

如何测量1000μF电容器好坏

如何测量1000μF电容器好坏 电容器是电子电路中常用的元器件之一,它可以存储电荷并且在电路中提供稳定的电压。然而,随着时间的推移,电容器的性能可能会下降或失效。因此,为了确保电路的正常运行,我们

2023-12-20 10:33:58

怎么检测电容器好坏

电容器好坏的区别方法首要是查看电力电容器的容值,而电容器电容(不论是哪种电容瓷片电容、金属化电容等)息息有关。区别电容器的方法首要有:种是在断开的状况下用电容表查看其容值,涤纶电容与额外容值比照

2020-03-22 15:24:00

如何检测电容器好坏

电容器是电路中的重要元件,用于储存电荷和能量。在电路中,电容器可能会失效,导致电路不工作,因此需要检测电容器好坏。以下是一些常用的方法。

2023-06-03 15:34:32

并联电容器和串联电容器作用

并联电容器和串联电容器作用 电容器是一种存储电荷的器件。它的工作原理是在两个电极之间建立电荷。电荷的大小取决于电极之间的电压和电容器电容量。电容器是电子电路中最基本的组件之一,广泛用于滤波、耦合

2023-09-04 14:21:40

电容器作用及原理 电容器的使用方法

电容器,又称电容,是一种用于存储电能的装置。它由两个导体电极和介质组成,能够在这两个电极上存储和释放电荷。电容器作用和原理,以及其使用方法都是电学中基础的概念。下面将详细介绍电容器作用

2024-01-18 13:47:38

电容器作用及原理 电容器的功率是属于什么功率

电容器是一种被广泛应用于电子电路中的被动元件。它具有存储电荷和能量的特性,可以在电子电路中起到多种作用。本文将详细介绍电容器作用及其工作原理,并探讨电容器功率的性质。 一、电容器作用电容器

2024-02-14 17:35:00

如何快速判断涤纶电容器好坏

电容器好坏的鉴别方法主要是检测电力电容器的容值,而电容器电容(不管是哪种电容瓷片电容、金属化电容等)息息相关。鉴别电容器的方法主要有:1.是在断开的情况下用电容表检测其容值,涤纶电容器与额定容值

2020-05-20 16:01:54

串联电容器作用

本文首先介绍了串联电容器概念,其次介绍了串联电容器作用,最后介绍了串联电容器控制和保护系统。

2019-06-13 11:18:23

什么是陶瓷电容器,陶瓷电容器作用是什么

我们就来看一看什么是陶瓷电容器以及陶瓷电容器作用是什么。 一、什么是陶瓷电容器? 陶瓷电容器,又称为瓷介电容器或独石电容器。顾名思义,瓷介电容器就是介质材料为陶瓷的电容器。 根据陶瓷材料的不同,可以分为低频陶

2020-12-12 09:59:40

空调电容器好坏如何判断

我们该如何判断电容器好坏呢,空调电容要是坏了一般从外表能看出来。有些电容发鼓、漏液,这些都能从外表看出来。单有些需要电容表来测,因为他外表看起来是好的,必须要专业点的工具来测量

2020-03-01 16:28:00

超级电容器质量好坏怎么判断?

超级电容器质量好坏怎么判断? 超级电容器是一种新型的能存储电能的电子元件,并且具有高能量密度、长寿命、快速充放电等特点。由于其应用范围广泛,越来越多的人开始关注超级电容器的质量问题。本文将从超级

2024-02-02 11:34:43

超级电容器的原理及应用

优势,超级电容器的应用范围逐渐扩大,掌握超级电容器的原理有助于正常的操作使用。“双电层原理”是超级电容器的核心,这是由该装置的双电层结构决定的。当外加电压作用于普通电容器的两个极板时,装置存储电荷

bigcap1234 2022-04-29 15:04:21

电容器的入门学习教程

本文档的主要内容详细介绍的是电容器的入门学习教程动漫说明包括了:电容器的起源与历史,电容器是什么,电容器的基本性质,在电路中电容器作用,各种电容器,各种电容器的静电容量与频带,陶瓷电容器的特性

暖暖暖 2023-09-26 06:14:07

并联电容器好坏怎么测量

并联电容器好坏对于电力系统的稳定运行至关重要。以下是几种常用的测量方法,可以用来判断并联电容器是否工作正常或者已经损坏: 一、直接测量法 1、这是一种简单易行的方法,通常使用万用表来进行测试

2024-03-29 10:26:01

电容器如何检测好坏

电容器好坏可以通过多种方法检测。

2023-09-12 16:55:43

串联电容器和并联电容器的区别

电容器是电子电路中常见的一种元件,它具有储存电荷的作用。在电路设计中,我们常常会遇到串联电容器和并联电容器这两种情况。串联电容器和并联电容器有着不同的电容值,电路特性以及应用场景。下面将详细介绍串联电容器和并联电容器的区别。

2024-05-16 14:14:34

超级电容器的原理及应用

优势,超级电容器的应用范围逐渐扩大,掌握超级电容器的原理有助于正常的操作使用。“双电层原理”是超级电容器的核心,这是由该装置的双电层结构决定的。当外加电压作用于普通电容器的两个极板时,装置存储电荷

bigcap1234 2021-07-21 15:56:08

电容器作用及原理 电容器的功率是属于什么功率

电容器是一种储存电荷和能量的电子元件,常用于电路中的能量转换和电荷调节。其作用和原理非常重要,下面将详细讲解。 一、电容器作用: 储存电荷:电容器由两个导体板和介质组成。当两个导体板上施加电压

2024-02-04 09:26:04

电容器作用及原理

电容器是一种用来存储电荷并在电路中储存能量的电子元件。它在电子设备和电路中起着至关重要的作用。本文将探讨电容器作用及原理。

2023-11-21 09:21:36

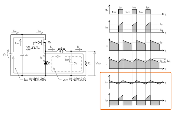
输入电容器和输出电容器作用

框中的上方ICO为输出电容器、下方ICIN为输入电容器的电流波形。输入电容器可从VIN充电,当晶体管Q1为ON时会放出开关电流IDD。

2020-04-05 10:38:00

耦合电容器作用_耦合电容器的工作原理

本文首先介绍了耦合电容器作用,其次阐述了耦合电容器的工作原理。最后说明了耦合电容器的的选择方法。

2020-08-13 09:47:33

如何检测电容器好坏

电容器是储存电量和电能(电势能)的元件。一个导体被另一个导体所包围,或者由一个导体发出的电场线全部终止在另一个导体的导体系,称为电容器。在直流电路中,电容器是相当于断路的,是最常用的电子元件之一,但是也是容易损坏的电器元件,在没有特殊仪表仪器的情况下,应如何检测电容器好坏?下面一起来看看。

2023-05-25 14:41:50

电容器基础知识

电容器篇Vol.1电容器的基础知识电容器与电阻、电感并称为大被动元件,其年产量在世界范围内已达约2万亿个 。电容器中使用最广泛的是陶瓷电容器,同时,绝缘性和稳定性俱佳的薄膜电容器、以大容量著称的电解电容器等各类电容器,也凭借各自的优势与特点为人们所用。

JSDGS 2019-07-02 07:51:54

如何对电容器放电?电容器为什么需要放电?

的变化,电容器可能积累着存储的电荷,需要定期对电容器进行放电操作。本文将从什么是电容器电容器为什么需要放电以及如何对电容器进行放电个方面对电容器放电进行详细阐述。 一、什么是电容器电容器是一种将电场能量

2023-09-14 16:41:40

电力电容器作用与应用

两个导电板(通常是金属)和它们之间的绝缘介质(称为电介质)组成。当电容器两端施加电压时,电介质会储存电荷,从而在电容器两端形成电场。 二、电力电容器作用 提高功率因数 电力电容器最重要的作用之一是提高电力系统的

2024-11-04 09:21:05

超级电容器与传统电容器的区别 影响超级电容器性能的因素

超级电容器与传统电容器的区别 影响超级电容器性能的因素 在现代电子技术和能量储存领域,超级电容器(也称为超级电容)作为一种重要的储能装置备受关注。相较于传统电容器,超级电容器具有许多独特的特征和性能

2024-02-02 10:28:11

电容器有什么作用

电容器有什么作用

2023-03-09 15:16:34

电源电容器的两种检测方法

以上,且穿透电流需要可应用晶体极管构成达林顿管。多用表的红和黑表棒分别与达林顿管的发射极E和集电结C交接。因为达林顿管的放大作用,把被测电容器的充电放电过程给予放大,使多用表指针摆振幅增加,进而方便

人间烟火123 2020-06-30 10:39:05

一文浅析电容器的认识与测量

,V 是以伏特为单位的电容器两端的电压。  电容器的检测(在测量之前要进行放电):  可以使用万用表或示波器检测电容器。万用表可用于测量电容值,以及电容器的电阻和额定电压。也可以使用示波器测量

werywer 2023-03-10 14:25:42

寄生电容器是什么?

低频下,所有电容器均未表现出寄生分量,因为阻抗明显只与电容相关。但是,铝电解电容器阻抗停止减小,并在相对低频时开始表现出电阻特性。这种电阻特性不断增加,直到达到某个相对高频为止(电容器出现电感)。铝聚合物电容器为与理想状况不符的另一种电容器

huazhe 2019-08-15 06:33:32

加载更多