0
  • 聊天消息
  • 系统消息
  • 评论与回复
登录后你可以
  • 下载海量资料
  • 学习在线课程
  • 观看技术视频
  • 写文章/发帖/加入社区
会员中心
创作中心

完善资料让更多小伙伴认识你,还能领取20积分哦,立即完善>

3天内不再提示

函数发生器

分享:

好的!我来用中文为您详细介绍一下 函数发生器(Function Generator)

什么是函数发生器?

简单来说,函数发生器是一种产生特定电信号的电子测试设备。 它就像是一个“信号工厂”,可以根据需要,在输出端产生不同形状、频率、幅度和偏置电压的电信号波形(通常是电压信号)。

它的核心功能是产生哪些波形?

最常见的标准波形包括:

  1. 正弦波: 最基础、最平滑的波形,像是光滑的波浪。用于测试频率响应、音频应用、通讯系统测试等。
  2. 方波: 在高低电压电平之间快速切换的波形,高低电平持续时间相等(占空比50%)。用于测试数字电路、开关电源、时钟信号等。
  3. 三角波: 电压线性上升再线性下降的波形,像锯齿但两边对称。用于扫描电路、测试模拟电路、生成控制信号等。
  4. 锯齿波/斜波: 电压线性上升后迅速下降(正向锯齿波),或者迅速上升后线性下降(反向锯齿波)。常用于示波器或显示器的时间基准扫描、音乐合成等。
  5. 脉冲波: 类似于方波,但高电平持续时间(脉冲宽度)和低电平持续时间不一定相等(占空比可调)。用于数字时序分析、开关测试等。
  6. (高级功能) 任意波形: 很多现代函数发生器(通常称为任意波形发生器 - Arbitrary Waveform Generator, AWG)可以生成用户自定义的复杂波形。用户可以创建、编辑或导入特定的波形数据点。

函数发生器的关键参数有哪些?

  • 频率范围: 该发生器能产生的最低频率到最高频率(通常以 Hz, kHz, MHz 为单位)。这是最重要的参数之一。
  • 幅度范围 / 输出幅度: 信号从最高峰到最低谷的大小(通常以 Vpp - 峰峰值电压 表示)。输出幅度范围指最小和最大能设置的电压值。很多发生器可以精确设置或调节。
  • 直流偏置: 整个信号波形可以相对于0伏(地)进行上下平移。比如一个 ±5V 的方波,可以整体向上抬升到 0V 到 +10V。
  • 频率精度 / 稳定性: 输出频率的准确度和随时间、温度变化的稳定性。
  • 波形保真度 / 失真度: 产生的波形(尤其是正弦波)与理想形状的接近程度。失真越小越好。
  • 输出阻抗: 发生器输出端的内阻(通常是 50 Ω)。当连接到具有不同输入阻抗的负载时,需要匹配或考虑电压变化。
  • 调制功能(可选): 许多发生器可以通过一个信号(调制信号)去改变另一个信号(载波信号)的特性:
    • 幅度调制: 改变载波的幅度。
    • 频率调制: 改变载波的频率。
    • 相位调制: 改变载波的相位。
    • 扫频: 让输出信号的频率在一段时间内自动地从起始频率线性地(或其他函数)变化到终止频率。
  • 接口: USB, LAN, GPIB 等用于连接电脑进行控制、数据传输或远程操作。

函数发生器有什么用?

它在电子设计、测试和维修中应用极其广泛:

  • 电路测试与调试: 给电路板提供已知的、可控的信号,观察电路的输出响应(通常用示波器观察)。
  • 元件与设备校准: 为测试设备(如示波器、放大器、仪表)提供校准参考信号。
  • 教育实验: 学习电子学原理,如滤波器响应、放大器性能、振荡电路等。
  • 传感器模拟: 模拟传感器输出的信号(如特定频率/形状的信号)来测试控制系统。
  • 信号源: 为需要输入信号的设备(如音频放大器、调制解调器)提供激励源。
  • 系统性能测试: 测试整个系统在不同输入信号下的性能和极限。
  • 模拟真实环境: 产生含有噪声、干扰或其他特定特征的复杂信号,测试设备在真实环境下的表现。
  • 研发: 开发新电路或新设备时作为标准的信号源。

与信号发生器/任意波形发生器的区别

  • 函数发生器: 通常指能产生基本标准函数波形(正弦、方、三角、脉冲)和常见调制功能的设备。重点在标准函数
  • 任意波形发生器: 具有函数发生器的所有标准功能,但额外突出用户自定义任意复杂波形的能力。功能更强,更灵活,通常也更贵。缩写为 AWG
  • 信号发生器: 是一个更宽泛的术语,包含了函数发生器、任意波形发生器、射频信号发生器、脉冲发生器等所有能产生信号的设备。有时也特指射频(RF)信号发生器。

使用函数发生器时要注意什么?

  • 接地: 连接电路和被测设备时,注意共地问题。
  • 输出阻抗匹配: 如果负载是高阻抗(如示波器输入通常为 1MΩ),函数发生器的输出幅度设置值就是实际输出电压。但如果负载是 50Ω(例如连接到其他仪器或射频系统),需要考虑阻抗匹配和电压衰减,实际的输出电压可能小于设置值。
  • 最大输出电流: 不要超过设备规定的负载驱动能力。
  • 面板操作熟悉: 仔细阅读手册,熟悉如何设置频率、幅度、波形、偏置等。

总结来说:函数发生器是电子工程师和爱好者必备的基础工具,它为各种测试和实验提供了关键的标准信号源。 了解它的功能、参数和应用场景,能帮助你有效地进行电子设计和故障排除。

您是想了解它的工作原理、选型建议、还是某个具体品牌/型号的使用?欢迎告诉我更具体的方向! ? ??

函数发生器输出电压是什么电压

函数发生器是一种电子设备,常用于产生特定波形的电信号。它是电工、电子工程师以及其他相关领域的重要工具。函数发生器可以产生高频、低频甚至是不同形状的波形,如正弦波、方波、三角波、锯齿波等。而输出电压

2024-02-23 15:29:40

函数发生器的工作原理和基本结构

函数发生器,作为电子测试和测量领域的重要工具,以其多波形、宽频率范围的特性,广泛应用于生产测试、仪器维修、实验室研究以及医学、教育、化学、通讯等多个科技领域。本文将详细介绍函数发生器的工作原理、基本结构以及其主要应用。

2024-05-15 11:43:42

斜坡函数发生器算法的公式是什么

在工程项目中,经常需要用到斜坡函数发生器,特别是在一些过程控制当中,控制设备的输出值需要平滑输出,不能突然跃变到目标设定值,比如说比例调节阀等等,斜坡函数发生器可以经过一定时间平滑输出。

2023-02-06 14:45:39

函数发生器的电路设计

函数发生器是一种能够产生多种波形的电子信号源,广泛应用于科研、教学、生产和维修等领域。本文将对函数发生器的电路设计进行详细的阐述,包括设计目标、电路组成、元件选择、参数计算以及调试测试等方面。

2024-05-15 14:43:16

multisim14.0函数发生器怎么用

Multisim 14.0是一款功能强大的电子电路仿真软件,其中包含了函数发生器函数发生器是用于产生各种波形信号的设备,可以在电子电路实验中非常有用。在本文中,我将详细介绍Multisim

2024-02-23 16:41:40

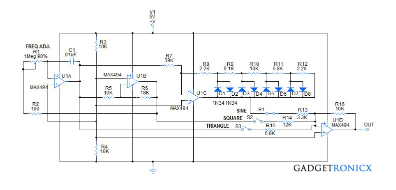
基于MAX494的函数发生器电路

函数发生器(又名FG)在许多音频和模拟电路中广泛使用。FG能够生成正弦波、方波、锯齿波和三角波。但是,没有多少电子爱好者能够负担得起购买FG用于实验目的。对于那些想要自己构建简单具有成本效益的函数发生器的人来说,这种函数发生器电路将派上用场。

2023-07-02 10:41:56

函数发生器的常见故障及解决方法

函数发生器,作为电子测试和测量领域的重要工具,其稳定性和可靠性对于实验和测试结果的准确性至关重要。然而,由于各种原因,函数发生器在使用过程中可能会遇到各种故障。本文将详细介绍函数发生器的常见故障及其解决方法,旨在帮助用户更好地理解和解决这些问题,确保设备的正常运行。

2024-05-15 11:45:04

函数发生器和示波器的区别

在电子工程领域中,函数发生器和示波器是两种不可或缺的工具。它们各自在电子信号的产生、观测和分析中发挥着重要的作用。然而,尽管它们都与电子信号有关,但函数发生器和示波器在功能、应用、设计原理等方面存在显著的区别。本文将详细探讨这两种仪器的区别,旨在为读者提供深入的理解和认识。

2024-05-15 11:46:41

函数发生器和信号发生器的区别和联系

函数发生器和信号发生器是电子工程领域常用的两种设备,它们在实验室和工业制造领域中扮演着重要的角色。尽管两者在名称和功能上有一定的相似性,但它们的原理和应用有所不同。本文将详细探讨函数发生器和信号

2024-02-23 16:10:50

函数发生器的频率调整和波形选择方法

函数发生器,作为电子测试和测量领域的核心工具,其重要性不言而喻。在科研、教育、工业等各个领域,我们都需要用到函数发生器来产生各种波形、频率和幅度的信号,以满足不同的测试需求。其中,频率调整和波形选择

2024-05-15 11:44:39

基于LM3900构建的函数发生器电路

一个非常方便的函数发生器,可以减少硬件和价格,可以用单个诺顿四放大器IC LM3900构建。

2023-06-02 17:21:58

使用ICL8038的函数发生器电路

函数发生器是电子爱好者和实验者轻松馈送输入信号的必备设备,而不是自己生成输入信号。FG的功能通常不同,成本通常很高,因此我们中的许多人负担不起。上述电路将为您提供另一种选择,帮助您自己构建函数发生器。该电路能够提供三个输出信号,如正弦、正方形和三角形,形成基本类型的信号。

2023-07-02 11:51:41

函数发生器的使用方法和注意事项

函数发生器,作为电子测试和测量领域的重要工具,广泛应用于生产测试、仪器维修、实验室研究以及通讯等多个科技领域。它的主要功能是产生各种波形、频率和幅度的信号,以满足不同的测试需求。本文将详细介绍函数发生器的使用方法及注意事项,以帮助用户更好地掌握这一工具。

2024-05-15 11:44:09

函数发生器

函数发生器产生的信号,当我将频率降到很低的时候,产生的波形会发生失真

飞飞11111 2019-11-15 16:27:34

函数发生器可以用触发表示吗

函数发生器可以用触发表示吗 函数发生器和触发是两个不同的概念,它们虽然有点类似,但是在功能和应用方面还是有很大的区别。 首先,我们来介绍一下函数发生器和触发函数发生器通常指的是一个电路,它能

2023-08-24 15:50:01

函数发生器与示波器的调节方法一样吗

函数发生器的核心部分是任意波形发生器,方波和脉冲的产生是在任意波形发生器的基础上增加一些外围电路构成,

2024-02-08 07:30:00

multisim中函数发生器正负极怎么接

在Multisim中,函数发生器是一种可以生成不同类型信号的设备。它通常由一个波形发生器和一个放大器组成。波形发生器用于产生不同类型的波形,例如正弦波、方波、脉冲波等,而放大器用于放大波形信号的幅度

2024-02-23 15:38:32

充分利用函数发生器的8个技巧

与仅产生正弦波的数字射频发生器不同,函数发生器可以产生不同形状的重复波形,例如正弦波、方波、三角波、锯齿波和脉冲波。

2022-07-27 08:02:49

Tektronix AFG31022函数发生器维修支持

泰克AFG31022函数发生器 AFG31022 是 Tektronix 的 25 MHz 函数发生器。 特征: 2个频道 25 MHz 正弦波 输出幅度范围:1 mVP-P 至 10 VP-P

2023-07-12 16:49:40

基于DDS的任意波形/ 函数发生器之间的差别

任意波形/ 函数发生器(AFG)通过读取内存的内容,来同时创建函数波形和任意波形。大多数现代AFG 采用直接信号合成(DDS)技术,在广泛的频率范围上提供信号。

2020-03-29 16:31:00

基本函数发生器的问题

我选择了基本函数发生器(Basic Function Generator.vi)来产生信号并存储,但是发现这个vi的时间序列会走得很快,以至于短时间内产生的数据量很大,没到1分钟就能超过1G的数据量,很奇怪,这是怎么回事呢?

licfits 2019-05-17 21:26:30

Tektronix AFG3151C函数发生器

泰克Tektronix AFG3151C函数发生器 AFG3151C任意函数发生器主要特点: ·            5.6英寸显示,为设置和波形形状树立全面的信心

2023-07-12 10:30:29

泰克任意/波形函数发生器的常用功能

您最常用的任意波形发生器功能是什么?根据调查全球工程师使用泰克任意/波形函数发生器的常用功能,结果显示60%以上的工程师只使用了其14.2%的功能。如何充分使用泰克的任意波形函数发生器满足您的测试

2022-03-28 16:52:01

基于四通道运算放大器的函数发生器电路

FG本质上是相当昂贵的,没有多少人能负担得起他们的实验和学习。对于那些想要构建自己的高效FG的人来说,这种电路设计可能会派上用场。这个DIY函数发生器是几天前在我们网站上发布的函数发生器电路的豪华版

2023-07-02 10:38:03

脉冲函数发生器维修——81150A自动开关机

近日某院校送修一台安捷伦脉冲函数发生器81150A,客户反馈上自动开关机,对仪器进行初步检测,确定与客户描述故障一致。本期将为大家分享本维修案例。 下面就是安捷伦-81150A维修情况   安捷伦

2023-11-29 17:33:35

浅谈函数发生器输出阻抗与输出振幅的关系

通过公式计算得知,输出阻抗设置为High-Z时,函数发生器实际输出电动势和屏幕显示的Amplitude是一致的。

2022-06-20 16:58:34

DG1022型双通道函数发生器(1)#硬声创作季

函数发生器

2022-12-03 17:11:45

DG1022型双通道函数发生器(2)#硬声创作季

函数发生器

2022-12-03 17:12:20

加载更多