整流滤波后的电压是不稳定的电压,在电网电压波动或负载变化时,该电压都会产生变化。所以,整流滤波后,还需经过稳压电路
2023-10-10 14:19:44
402 
开关稳压电路和串联稳压电路的区别 稳压电路是一种用于电源电压稳定化的电路,在电路设计中占据着非常重要的位置。在稳压电路中,开关稳压电路和串联稳压电路是两种主要的电路类型,而它们之间的区别在于电路
2023-08-18 14:06:39
251 整流稳压电路工作原理 整流稳压电路是一种常见的电路,其主要作用是将交流电转化为直流电,同时对直流电进行稳压和平滑处理。整流稳压电路广泛应用于电子设备、通信设备、变换器等领域,其中,直流电的稳压和平
2023-08-18 11:14:18
523 图8-18所示是串联开关稳压电路原理方框图,通过这一方框图可以掌握串联开关稳压电路的基本工作原理。电路中,VT1是开关三极管,Ll是储能电感,VD1是续流二极管,Cl是滤波电容,Rl是稳压电源的负载电阻。Ui是未经稳压的直流输入电压,它来自于整流电路的输出端。Uo是经过稳压电路稳压后的直流输出电压。
2023-07-13 11:39:23
1388 
。滤波电路将脉动直流中的交流成分滤除,减少交流成分,增加直流成分。稳压电路采用负反馈技术,对整流后的直流电压进一步进行稳定。
2023-06-15 09:04:14
394 
压,然后通过整流及滤波,变换成为有电压波动的直流电,再通过稳压电路的调节,得到稳定的输出,这样构成的直流稳压电源在额定输出范围内,其性能基本上相当于电压源。即电源的输出电压恒定,电源内阻接近于零。
2008-12-11 23:34:43
为脉动直流电。滤波电路将脉动直流中的交流成分滤除,减少交流成分,增加直流成分。稳压电路采用负反馈技术,对整流后的直流电压进一步进行稳定。
2023-02-23 16:30:07
2027 
基本电路:一般直流稳压电源都使用220伏市电作为电源,经过变压、整流、滤波后输送给稳压电路进行稳压,最终成为稳定的直流电源。这个过程中的变压、整流、滤波等电路可以看作直流稳压电源的基础电路,没有
2023-02-20 13:05:05
740 
基本电路:一般直流稳压电源都使用220伏市电作为电源,经过变压、整流、滤波后输送给稳压电路进行稳压,最终成为稳定的直流电源。这个过程中的变压、整流、滤波等电路可以看作直流稳压电源的基础电路,没有这些电路对市电的前期处理,稳压电路将无法正常工作
2022-12-01 10:12:15
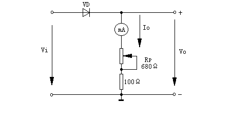
1104 实验目的: 1、 掌握可调稳压电源电路的基本原理。 2 、学会应用可调稳压电源电路的原理。
2022-10-20 11:53:27
47 一般直流稳压电源都使用220伏市电作为电源,经过变压、整流、滤波后输送给稳压电路进行稳压,最终成为稳定的直流电源。这个过程中的变压、整流、滤波等电路可以看作直流稳压电源的基础电路,没有这些电路对市电的前期处理,稳压电路将无法正常工作。
2022-09-29 08:45:36
2946 
一般直流稳压电源都使用220伏市电作为电源,经过变压、整流、滤波后输送给稳压电路进行稳压,最终成为稳定的直流电源。这个过程中的变压、整流、滤波等电路可以看作直流稳压电源的基础电路,没有这些电路对市电的前期处理,稳压电路将无法正常工作。
2022-09-22 09:20:09
1624 一般直流稳压电源都使用220伏市电作为电源,经过变压、整流、滤波后输送给稳压电路进行稳压,最终成为稳定的直流电源。这个过程中的变压、整流、滤波等电路可以看作直流稳压电源的基础电路,没有这些电路对市电的前期处理,稳压电路将无法正常工作。
2022-07-20 10:59:18
1442 一般直流稳压电源都使用220伏市电作为电源,经过变压、整流、滤波后输送给稳压电路进行稳压,最终成为稳定的直流电源。这个过程中的变压、整流、滤波等电路可以看作直流稳压电源的基础电路,没有这些电路对市电的前期处理,稳压电路将无法正常工作。
2022-07-05 15:32:14
3364 一、稳压管稳压电路:整流滤波电路的输出电压会随着电网电压的波动而波动,随着负载电阻的变化而变化。为了获得稳定性好的直流电压,必须采取稳压措施。二、稳压原理:对于任何稳压电路而言,都应该从两方面来考虑:电网电压波动、负载变化,研究其输出电压是否稳定。(1)、电网电压波动:(2)、负载变化:...
2021-11-07 15:51:00
22 小功率整流滤波电路单相桥式整流电路滤波电路线性稳压电路稳压电源的质量指标线性串联反馈式稳压电路的工作原理三段线性集成稳压器三段继承稳压器的应用开关式稳压电路开关式稳压电路的工作原理...
2021-11-07 15:06:00
15 主要是直流稳压电源的组成,各部分电路工作原理和各种不同类型的电路结构和工作特点、性能指标。直流稳压电路由整流电路、滤波电路、稳压电路组成。整流电路有半波和全波两种,常用的是单相桥式整流电路。滤波电路
2021-10-22 17:36:05
5 ,整流滤波电压输出直流分量为12.057V,交流分量275.686mV,输出波形如下整流滤波电路是电压波形变化趋于缓和,但含有较多的交流分量,输出电压仍随输入电压的波动也上下波动。二、集成稳压电
2021-09-22 10:27:01
50 直流稳压电源的的整流滤波电路免费下载。
2021-06-15 14:53:12
36 一般直流稳压电源都使用220伏市电作为电源,经过变压、整流、滤波后输送给稳压电路进行稳压,最终成为稳定的直流电源。这个过程中的变压、整流、滤波等电路可以看作直流稳压电源的基础电路,没有这些电路对市电的前期处理,稳压电路将无法正常工作。
2021-03-17 20:14:44
25 一般直流稳压电源都使用220伏市电作为电源,经过变压、整流、滤波后输送给稳压电路进行稳压,最终成为稳定的直流电源。这个过程中的变压、整流、滤波等电路可以看作直流稳压电源的基础电路,没有这些电路对市电
2021-01-15 17:02:14
4560 一般直流稳压电源都使用 220 伏市电作为电源,经过变压、整流、滤波后输送给稳压电路进行稳压,最终成为稳定的直流电源。这个过程中的变压、整流、滤波等电路可以看作直流稳压电源的基础电路,没有这些电路对市电的前期处理,稳压电路将无法正常工作。
2020-12-14 22:31:00
26 4个1N4007二极管接成桥式整流电路,若不加滤波电容,获得的只是脉动直流,电压很不稳定,若想获得稳定的12V电压,还需要加滤波电路及稳压电路。下面我们就来介绍一个简单易制的12V稳压电路。
2020-02-12 13:53:13
24412 
本文档的主要内容详细介绍的是直流稳压电源的学习教程课件免费下载包括了:1 整流电路,2 滤波电路,3 直流稳压电路
2019-10-11 16:48:07
11 直流稳压电源一般由电源变压器,整流滤波电路及稳压电路所组成。变压器把市电交流电压变为所需要的低压交流电。整流器把交流电变为直流电。经滤波后,稳压器再把不稳定的直流电压变为稳定的直流电压输出。本
2019-07-23 16:53:18
18 本文档的主要内容详细介绍的是直流稳压电源的设计详细资料说明主要内容包括了:1 整流与滤波电路,2 稳压电路,3 集成稳压电路,4 集成开关式稳压电路
2019-07-17 17:28:45
26 本文档的主要内容详细介绍的是模拟电路实验之整流滤波与稳压电路的详细资料说明目的是:1.熟悉单相交流电的整流过程,2.了解电容的滤波作用,3 .掌握直流稳压电源的调试及测量方法。
2019-07-17 17:28:42
18 一、实验目的
通过集成直流稳压电源的设计、安装和调试,要求学会:
(1) 选择变压器、整流二极管、滤波电容及集成稳压器来设计直流稳压电源:
(2) 掌握直流稳压电源的调试及主要技术指标的测试方法。
2019-07-11 16:14:06
28 本文档的主要内容详细介绍的是直流稳压电源的的整流滤波电路详细资料讲解。
2018-11-27 08:00:00
82 本文主要介绍了整流滤波稳压电路区别_如何判断。交流电网电压的波动和负载电流的变化都会使整流电源的输出电压和电流随之变动,因此要求较高的电子电路必须使用稳压电源。整流电路是利用半导体二极管的单向导电性能把交流电变成单向脉动直流电的电路。整流后得到的是脉动直流电,如果加上滤波电路滤除脉动直流电中
2018-04-03 16:55:08
17822 
本文主要介绍了整流滤波稳压电路图大全(整流滤波器/直流稳压电路)。制作的一款带电压比较器的高稳定度大电流直流稳压电路。主要由电源变压、整流滤波、基准源电路、电压比较、复合功率调整、过流保护电路等几部
2018-04-03 16:17:32
82814 
本文主要介绍了最简单的稳压电路图大全(六款最简单的稳压电路设计原理图详解)。制作的一款带电压比较器的高稳定度大电流直流稳压电路。主要由电源变压、整流滤波、基准源电路、电压比较、复合功率调整、过流保护电路等几部分组成。电源变压后经整流滤波平滑的直流电压供给稳压电路。
2018-03-26 11:30:00
409442 
一般直流稳压电源都使用220伏市电作为电源,经过变压、整流、滤波后输送给稳压电路进行稳压,最终成为稳定的直流电源。这个过程中的变压、整流、滤波等电路可以看作直流稳压电源的基础电路,没有这些电路对市电的前期处理,稳压电路将无法正常工作。
2017-12-22 07:24:51
25209 
基础电路一般直流稳压电源都使用220伏市电作为电源,经过变压、整流、滤波后输送给稳压电路进行稳压,最终成为稳
2017-12-07 07:57:00
83859 
当出入电压Ui变化或负载R变化时,稳压电源的输出都应保持稳定。对于大多数功率较小的直流电源大多数都是将50Hz的交流电经过整流、滤波和稳压后获得。整流电路用来将交流电变换为单向脉动的直流电压;滤波
2017-11-10 11:16:34
63406 
整流滤波及稳压电路
2017-05-15 08:59:36
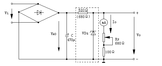
24 模拟电路实验--整流滤波与并联稳压电路
2017-02-07 15:05:00
16 实验目的:
1、掌握可调稳压电源电路的基本原理。
2、学会应用可调稳压电源电路的原理。
2016-10-11 17:41:59
36 整流滤波电路是直流稳压电源设备中常用电路,其中滤波电容的设计选取,直接影响到纹波电压的大小,关系到输出直流电压的质量。本文通过在设定条件下,依据整流滤波电路原理,
2012-08-08 14:39:39
220 摘 要: 直流稳压电源一般由电源变压器,整流电路,滤波电路及稳压电路所组成。变压器把市电交流电压变为所需要的低压交流电,整流器把交流电变为直流电,经滤波后,稳压器再
2012-08-02 10:56:36
696 摘 要: 直流稳压电源一般由电源变压器,整流电路,滤波电路及稳压电路所组成。变压器把市电交流电压变为所需要的低压交流电,整流器把交流电变为直流电,经滤波后,稳压器再
2012-08-02 10:14:01
4381 
目录: 1.小功率整流滤波电路 2.串联反馈式稳压电路滤波电路 3.串联开关式稳压电路 4.直流变换型电源
2011-04-14 11:35:45
1036 小功率稳压电源由电源变压器、整流电路、滤波电路和稳压电路四个部分组成。
2010-06-05 08:13:48
157 晶体管串联型稳压电路实验16
一、演示内容1. 掌握晶体管串联型稳压电路工作原理及电路组成。 2. 演示输入、输出电压波形和测量
2010-05-24 15:07:14
47 桥式整流电容滤波电路实验11
一、教学目的1. 演示桥式整流输出电压的波形并与变压器次级波形作比较。
2. 演示加有电容滤波的
2010-05-23 15:54:16
43 半波整流电容滤波电路 实验10
一、演示内容1. 半波整流与电容滤波电路的组成、工作原理及波形演示。 2. 验证半波整流、电容滤波电路的输
2010-05-11 17:03:48
49 整流和滤波,整流和滤波电路
整流的基本概念
整流在电子工程中是指将交流电变直流电的一种方式,其中有桥式整流(游戏机上用的
2010-03-23 13:44:39
4274 实验用稳压电源电路
2009-10-12 17:40:31
381 
串联型直流稳压电源实验:九 串联型直流稳压电源一, 实验目的1, 研究单相式整流`电容滤波电路的特性。2, 掌握串联型晶体管稳压电源主要技术指标的测
2009-05-14 00:57:25
201
实验稳压电源电路图
2009-05-12 13:25:55
672 
一、直流稳压电源的组成和功能二、单相整流电路三、滤波电路四、稳压电路五、集成稳压电源
一、直流稳压电源的组成和功能• 电源变压器: 将交流电
2009-03-18 22:12:12
554 整流、滤波、稳压电路实验一、实验目的1、验证单相半波、桥式全波整流电路工作原理;2、验证电容滤波电路特性;3、验证稳压管稳压电路特性;4、掌握单相直流
2009-03-15 17:29:06
96 整流电路原理
一. 实验目的1. 熟悉支流稳压电源的组成及各部分电路的工作原理.2. 学习稳压电源主要技术指标的测量.3. 了解
2009-03-09 11:26:38
11542 
主要内容:小功率整流滤波电路基本要求: 1、掌握直流稳压电源的构成及作用2、掌握几种桥式整流、滤波电路的参数和波形分析教学要点:重点介绍单相桥式整流
2009-02-14 14:47:56
178 直流稳压电源18.1 整流电路18.2 滤波器18.3 直流稳压电源本章要求:1. 理解单相整流电路和滤波电路的工作原理及参数的计算;2. 了
2008-12-04 16:04:04
160 整流滤波电路实验 一、整流滤波电路实验目的 1.滤波器在半波和全波电
2008-09-27 16:33:59
11735 
实验十二 整流、滤波电路?一、实验目的?⒈ 比较半波整流与桥式整流的特点?⒉ 比较C型滤波与RC—π型滤波的特点?二、实验原理?⒈ 整流即是
2008-09-24 21:59:41
4238 
评论